EasyManua.ls Logo

Olimpia splendid B0873 - 4 Gestión del Ventilconvector con Motor Dca Través del Termostato de 4 Velocidades (J1 - Abierto)

Olimpia splendid B0873
Print Icon
To Next Page IconTo Next Page
To Next Page IconTo Next Page
To Previous Page IconTo Previous Page
To Previous Page IconTo Previous Page
Loading...
Bi2 Air AR
CVSV
E
+V10-
H2O
H2O
CFG
N
230V
50Hz
F
Y1
S1
J1
M1
M2
LOCK
FANCOIL
LED
SW1
MOUNT
SEL1
SEL2
*
E
ESPAÑOL
ES - 13
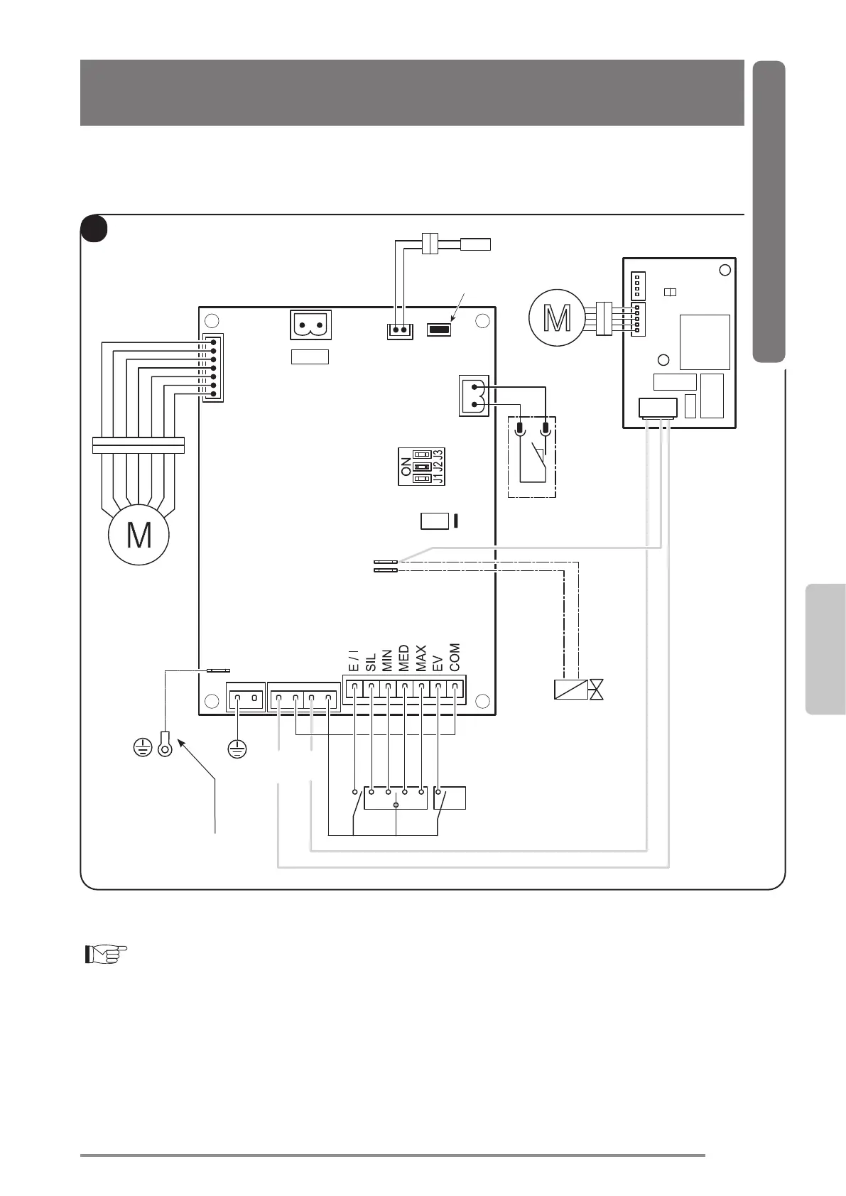
4 - GESTIÓN DEL VENTILCONVECTOR CON MOTOR DC A TRAVÉS DEL
TERMOSTATO DE 4 VELOCIDADES (J1 - ABIERTO)
A la conexión de tierra
del ventilconvector
Abierto
Paralaleyendadelacajadebornesydelasalarmas:véasepágina18
CON FLAP

Table of Contents