EasyManua.ls Logo

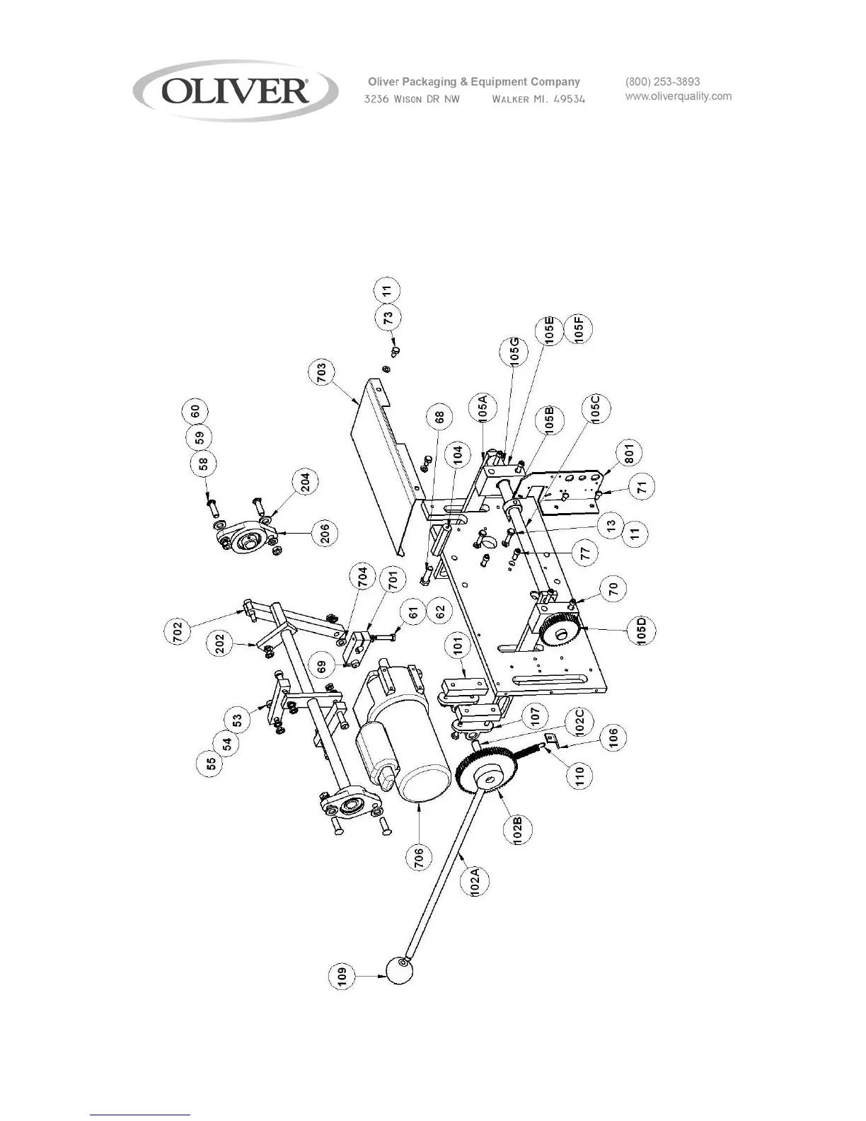
Oliver 709 - Working Parts Assembly Diagram

Oliver 709
41 pages
Print Icon
To Next Page IconTo Next Page
To Next Page IconTo Next Page
To Previous Page IconTo Previous Page
To Previous Page IconTo Previous Page
Loading...
MODEL 709 MINI SUPREME BREAD SLICER
8/15
rev. 11/2010 0709S20044
WORKING PARTS

Related product manuals