EasyManua.ls Logo

OMAC B430 - CHAPTER 8: ASSISTANCE

Default Icon
52 pages
Print Icon
To Next Page IconTo Next Page
To Next Page IconTo Next Page
To Previous Page IconTo Previous Page
To Previous Page IconTo Previous Page
Loading...
3.3 - FIRST STARTING
1 - The terminal board connection and the thermic setting, made according to the maximum allowable absorption,
must be carried out by qualified staff and following the instructions of the electric motor plate ( ).
2 - Wash the piping by means of clean water to remove foreign bodies, drosses and load.
IMPORTANT: Don't use a lobe pump for the a.m. duty.
3 - Check all the gates on inlet and outlet are completely open.
4 - With dry lobes, the lobe pump has got a very low sucking power, therefore if the pump is not flooded, fill the rotor
case and the suction pipe by means of liquid.
IMPORTANT: Lobe pumps can run even dry, because the moving parts are not in touch, except for slip faces of the
seals which, expecially at high speed, tend to get overheated. Therefore we suggest you should not let the pump run
dry for long time in order to avoid seal wear. The allowed time for dry running depends on turning speed and on
materials of seal slip faces (5 minutes for PTFE or carbon and 15 seconds for carbide).
5 - In pumps with flushed seals and heating jacket, check all these devices are regularly connected and the liquid
used for flushing, above all for stuffing box seals with hydraulic barrier, is consistent with the pumped fluid.
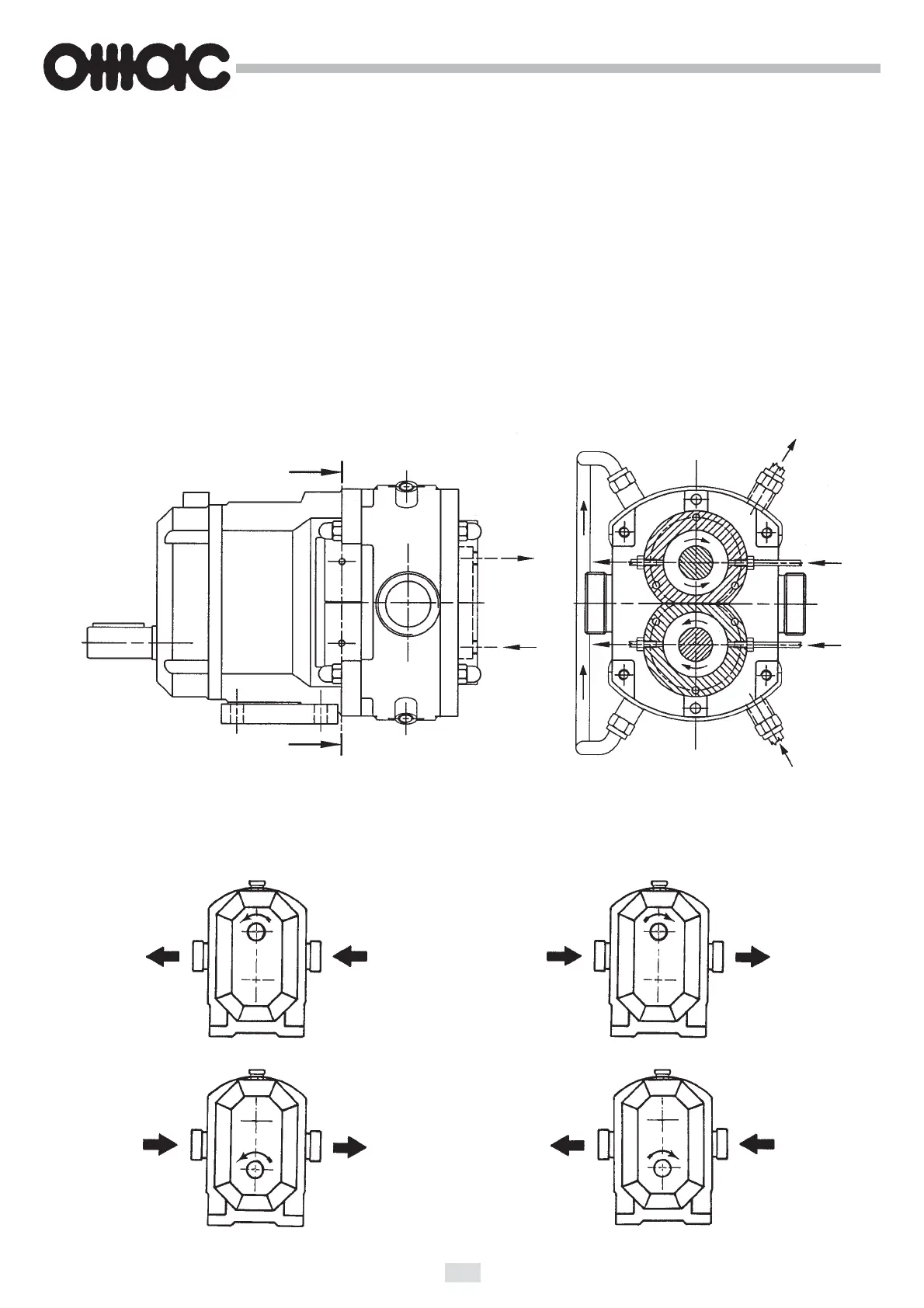
6 - Check the right direction of pump rotation according to the position of the driving shaft. In standard versions the
direction of rotation is reversible.
8
Fig. 9
Fig. 10

Other manuals for OMAC B430

Related product manuals