EasyManua.ls Logo

Omron CJ1M-CPU series - Page 191

Omron CJ1M-CPU series
383 pages
Print Icon
To Next Page IconTo Next Page
To Next Page IconTo Next Page
To Previous Page IconTo Previous Page
To Previous Page IconTo Previous Page
Loading...
170
Interrupt Tasks Section 4-3
3. CJ1 CPU Units do not support I/O interrupt and external interrupt tasks.
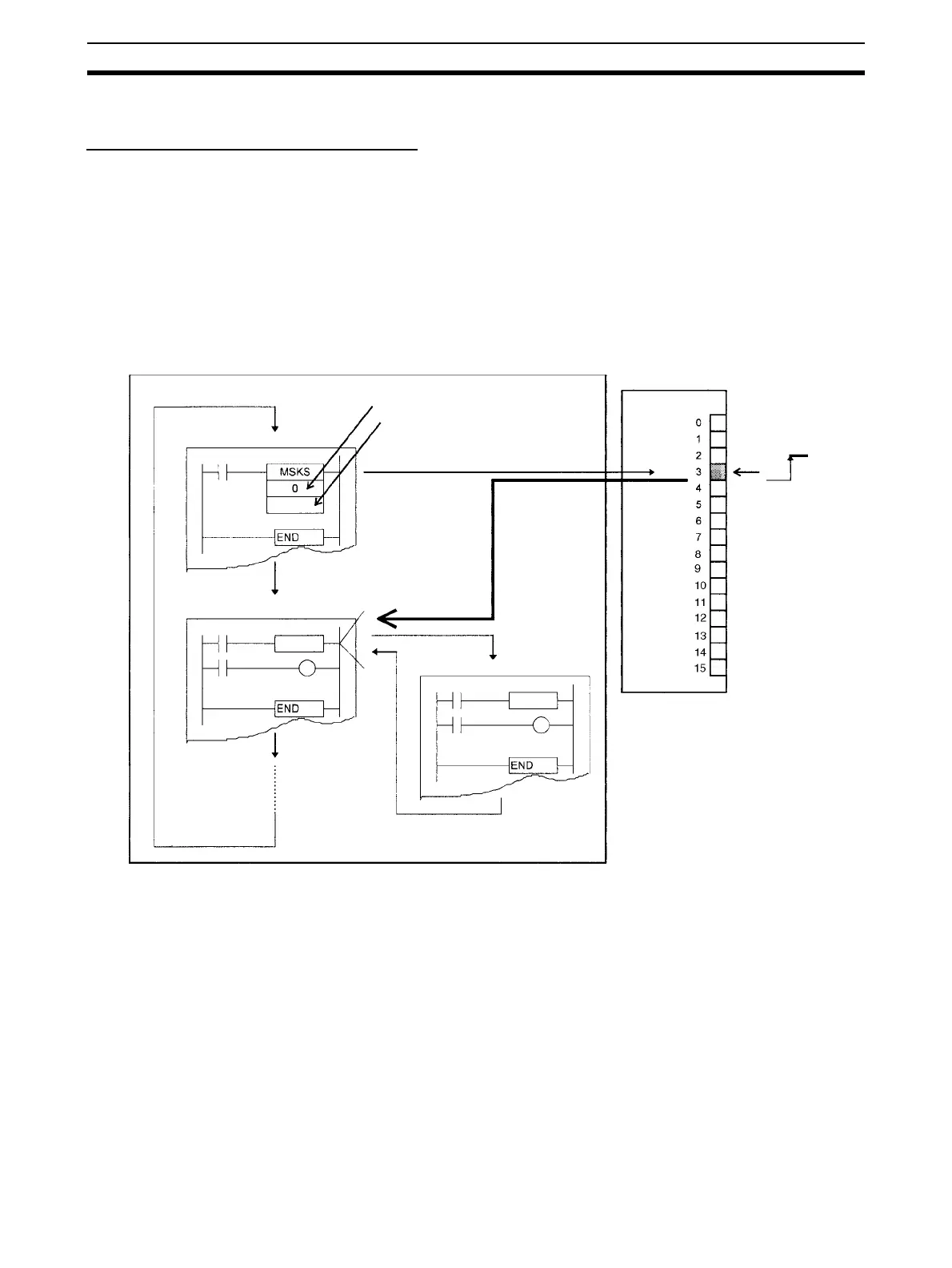
I/O Interrupt Tasks: Tasks 100 to 131
I/O interrupt tasks are disabled by default when cyclic task execution is
started. To enable I/O interrupts, execute the MSKS (SET INTERRUPT
MASK) instruction in a cyclic task for the interrupt number for Interrupt Input
Unit.
Example: The following example shows execution I/O interrupt task 103 when
interrupt input No. 3 of Interrupt Input Unit No. 0 (the leftmost of the two Units
0 and 1) is ON.
Note Do not enable unneeded I/O interrupt tasks. If the interrupt input is triggered
by noise and there isn’t a corresponding interrupt task, a fatal error (task
error) will cause the program to stop.
Cyclic task
I/O interrupt from Interrupt Input
Unit No. 0
Interrupt input number: Only 3 will
be enabled.
The specified I/O in-
terrupt will be en-
abled when the
MSKS instruction is
executed.
Interrupt Input Unit No. 0
Interrupt
Cyclic task
I/O interrupt task 103
#FFF7

Table of Contents

Other manuals for Omron CJ1M-CPU series

Related product manuals