EasyManua.ls Logo

Onkyo TX-L5

Onkyo TX-L5
39 pages
To Next Page IconTo Next Page
To Next Page IconTo Next Page
To Previous Page IconTo Previous Page
To Previous Page IconTo Previous Page
Loading...
TX-L5
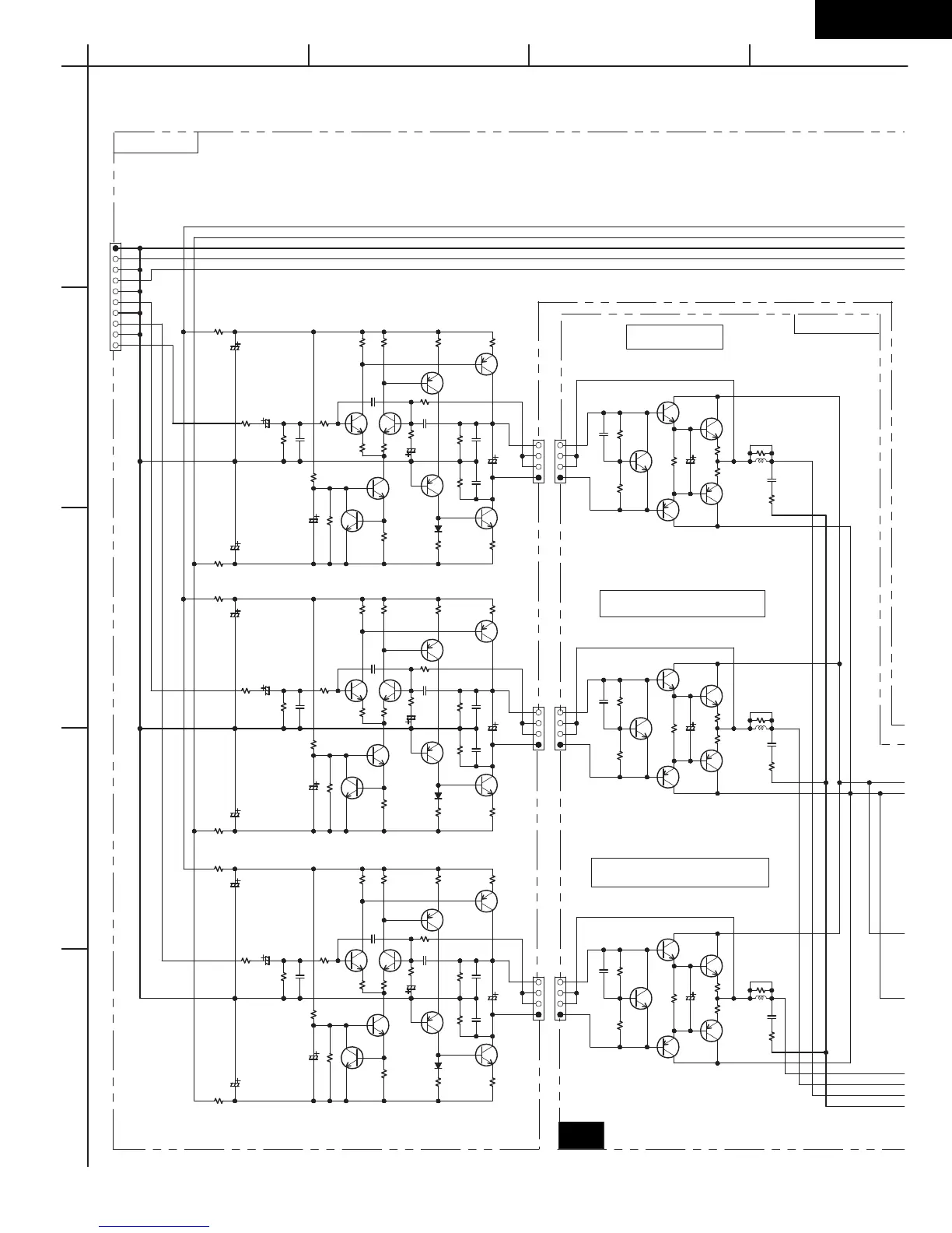
SCHEMATIC DIAGRAM 3-1
Power amp. section
P5001B
TO NAAR-7171(SCHEMATIC 1)
R5533
0.22
R5532
0.22
R5534
0.22
P5503A P5502A P5504A
P5503 P5502 P5504
L5503
S-1.3C
L5502
S-1.3C
L5504
S-1.3C
D5013
D5012 D5014
C5524
473J
C5523
473J
C5522
473J
C5063
101J
C5083 020C
C5103
220J
C5093
220J
C5043
101J
C5062
101J
C5082 020C
C5102
220J
C5092
220J
C5042
101J
C5044
101J
C5064
101J
C5084 020C
C5104
220J
C5094
220J
C5503
102J
C5502
102J
C5504
102J
C5073
220/6.3
C5072
220/6.3
C5074
220/6.3
C5113
10/16
C5023
220/35
C5013
100/35
C5033
10/16
C5053
22/16
C5112
10/16
C5022
220/35
C5012
100/35
C5032
10/16
C5052
22/16
C5024
220/35
C5014
100/35
C5034
10/16
C5054
22/16
C5114
10/16
C5513
10/16
C5512
10/16
C5514
10/16
R5553
5.6
R5554
5.6
R5552
5.6
R5544
8.2
R5543
8.2
R5542
8.2
R5213
100
R5203
100
R5204
100
R5214
100
R5202
100
R5212
100
R5183
39
R5123
33
R513368K
R5143
2.7K
R5083
270
R5163 18K
R5153
18K
R5023
33
R5013
33
R5033
470
R5043
68K
R5063
470
R5053
47K
R5093
820
R5103
820
R5113
39
R5173
39
R5073
22K
R5182
39
R5122
33
R513268K
R5142
2.7K
R5082
270
R5162 18K
R5152
18K
R5022
33
R5012
33
R5032
470
R5042
68K
R5062
470
R5052
47K
R5092
820
R5102
820
R5112
39
R5172
39
R5072
22K
R5024
33
R5014
33
R5034
470
R5044
68K
R5064
470
R5184
39
R5124
33
R5054
47K
R5094
820
R5104
820
R5114
39
R5174
39
R513468K
R5144
2.7K
R5074
22K
R5084
270
R5164 18K
R5154
18K
R5513
680
R5503
1.5K
R5523
100
R5512
680
R5502
1.5K
R5522
100
R5514
680
R5504
1.5K
R5524
100
Q5083
2SC1815-GR
Q5033
2SC2712
Q5023
2SC1622
Q5043
2SC2712
Q5013
2SC1622
Q5082
2SC1815-GR
Q5032
2SC2712
Q5022
2SC1622
Q5042
2SC2712
Q5012
2SC1622
Q5084
2SC1815-GR
Q5044
2SC2712
Q5034
2SC2712
Q5024
2SC1622
Q5014
2SC1622
Q5503
2SC1740S-R
Q5513
2SC2235
Q5533
2SC4511
Q5502
2SC1740S-R
Q5512
2SC2235
Q5532
2SC4511
Q5504
2SC1740S-R
Q5514
2SC2235
Q5534
2SC4511
Q5073
2SA1015-GR
Q5053
2SA1015-GR
Q5063
2SA1015-GR
Q5072
2SA1015-GR
Q5052
2SA1015-GR
Q5062
2SA1015-GR
Q5074
2SA1015-GR
Q5054
2SA1015-GR
Q5064
2SA1015-GR
Q5523
2SA965
Q5543
2SA1725
Q5522
2SA965
Q5542
2SA1725
Q5524
2SA965
Q5544
2SA1725
FL
GND
FR
GND
LS
GND
RS
GND
C
D/J TYPE J5113
P/W TYPE R5553,L5503
J5113
D/J TYPE J5125
P/W TYPE R5554,L5504
(1/2W)
J5125
D/J TYPE J5112
P/W TYPE R5552,L5502
J5112
(1/2W)
(1/2W)
NAAF-7160
NAAF-7161
(1/2W)
(1/2W)
(1/2W)
(1/2W)
(2W)
SURROUND RIGHT
SURROUND LEFT
CENTER
GND
U1
A
1
2
3
4
5
B C D E F G H

Other manuals for Onkyo TX-L5

Related product manuals