EasyManua.ls Logo

Onkyo TX-L5

Onkyo TX-L5
39 pages
To Next Page IconTo Next Page
To Next Page IconTo Next Page
To Previous Page IconTo Previous Page
To Previous Page IconTo Previous Page
Loading...
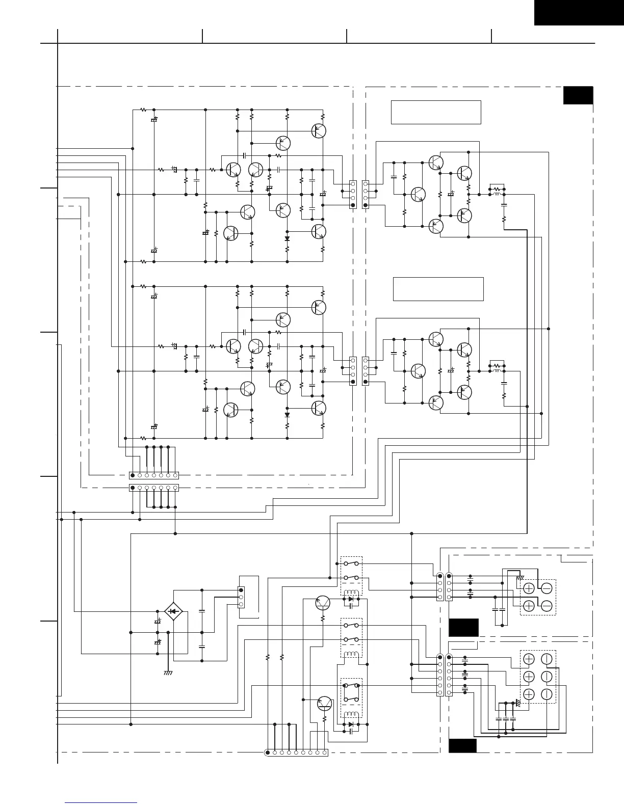
TX-L5
SCHEMATIC DIAGRAM 3-2
Power amp. section
P5002A
P5002
JL5601B
TO NAAR-7171 (SCHEMATIC 2)
P561A
TO T901
E961
P5602
P5601
FRONT SPEAKERS
LEFT
RIGHT
JL561B
JL561A
RL5602
RL5600
RL5601
JL562B
JL562A
D961
RBV-602
R5531
0.22
R5530
0.22
P5501A P5500A
P5501 P5500
L5504
S-1.3C
L5501
S-1.3C
L5500
S-1.3C
D5601
D5011 D5010
D5600
C5606
103Z
C5521
473J
C5520
473J
C5041
101J
C5061
101J
C5081 020C
C5101
220J
C5091
220J
C5040
101J
C5060
101J
C5080 020C
C5100
220J
C5090
220J
C5501
102J
C5500
102J
C5605
103Z
C962
334J
C961
334J
C5610102J
C5611
102J
C5613
102J
C5612
102J
C5614
102J
C5604
102J
C5602
102J
C5603
102J
C5601
102J
C5600
102J
C5070
220/6.3
C5071
220/6.3
C5021
220/35
C5011
100/35
C5031
10/16
C5051
22/16
C5111
10/16
C5020
220/35
C5010
100/35
C5030
10/16
C5050
22/16
C5110
10/16
C5511
10/16
C5510
10/16
C964
4700/35
C963
4700/35
R5551
5.6
R5550
5.6
R5541
8.2
R5540
8.2
R5201
100
R5211
100
R5200
100
R5210
100
R5090
820
R5021
33
R5011
33
R5031
470
R5041
68K
R5061
470
R5181
39
R5121
33
R5051
47K
R5091
820
R5101
820
R5111
39
R5171
39
R513168K
R5141
2.7K
R5071
22K
R5081
270
R5161 18K
R5151
18K
R5020
33
R5010
33
R5030
470
R5040
68K
R5060
470
R5180
39
R5120
33
R5050
47K
R5100
820
R5110
39
R5170
39
R513068K
R5140
2.7K
R5070
22K
R5080
270
R5160 18K
R5150
18K
R5511
680
R5501
1.5K
R5521
100
R5510
680
R5500
1.5K
R5520
100
R5001
390(1/2W)
R5002
390(1/2W)
R5600
1K
R5601
1K
Q5081
2SC1815-GR
Q5041
2SC2712
Q5031
2SC2712
Q5021
2SC1622
Q5011
2SC1622
Q5080
2SC1815-GR
Q5040
2SC2712
Q5030
2SC2712
Q5020
2SC1622
Q5010
2SC1622
Q5501
2SC1740S-R
Q5511
2SC2235
Q5531
2SC4511
Q5500
2SC1740S-R
Q5510
2SC2235
Q5530
2SC4511
Q5600
2SC1740S-R
Q5601
2SC1740S-R
Q5071
2SA1015-GR
Q5051
2SA1015-GR
Q5061
2SA1015-GR
Q5070
2SA1015-GR
Q5050
2SA1015-GR
Q5060
2SA1015-GR
Q5521
2SA965
Q5541
2SA1725
Q5520
2SA965
Q5540
2SA1725
+B1
-B1
GND
GND
GND
GND
GND
+B1
-B1
GND
GND
GND
GND
GND
HPR
GND
HPL
GND
GND
RLGND
+22V
FRL
CSRL
MDT
C5612,5613,5614 C5612,5613,5614
MDT
C5610,5611
P/W TYPE
C5600,5601,5610,5611
P/W TYPE R5554,L5504
D/J TYPE J5105
P/W TYPE R5551,L5500
J5105
D/J TYPE J5106
P/W TYPE R5550,L5500
J5106
C5602,5603,5604
P/W TYPE
SURROUND
LEFT
RIGHT
NAETC-7165
NAETC-7166
NAAF-7160
FRONT LEFT
FRONT RIGHT
CENTER
SURROUND
U2
U7
U6
A
1
2
3
4
5
B C D E F G H

Other manuals for Onkyo TX-L5

Related product manuals