EasyManua.ls Logo

Onkyo TX-L55 - Page 19

Onkyo TX-L55
61 pages
To Next Page IconTo Next Page
To Next Page IconTo Next Page
To Previous Page IconTo Previous Page
To Previous Page IconTo Previous Page
Loading...
TX-LR552
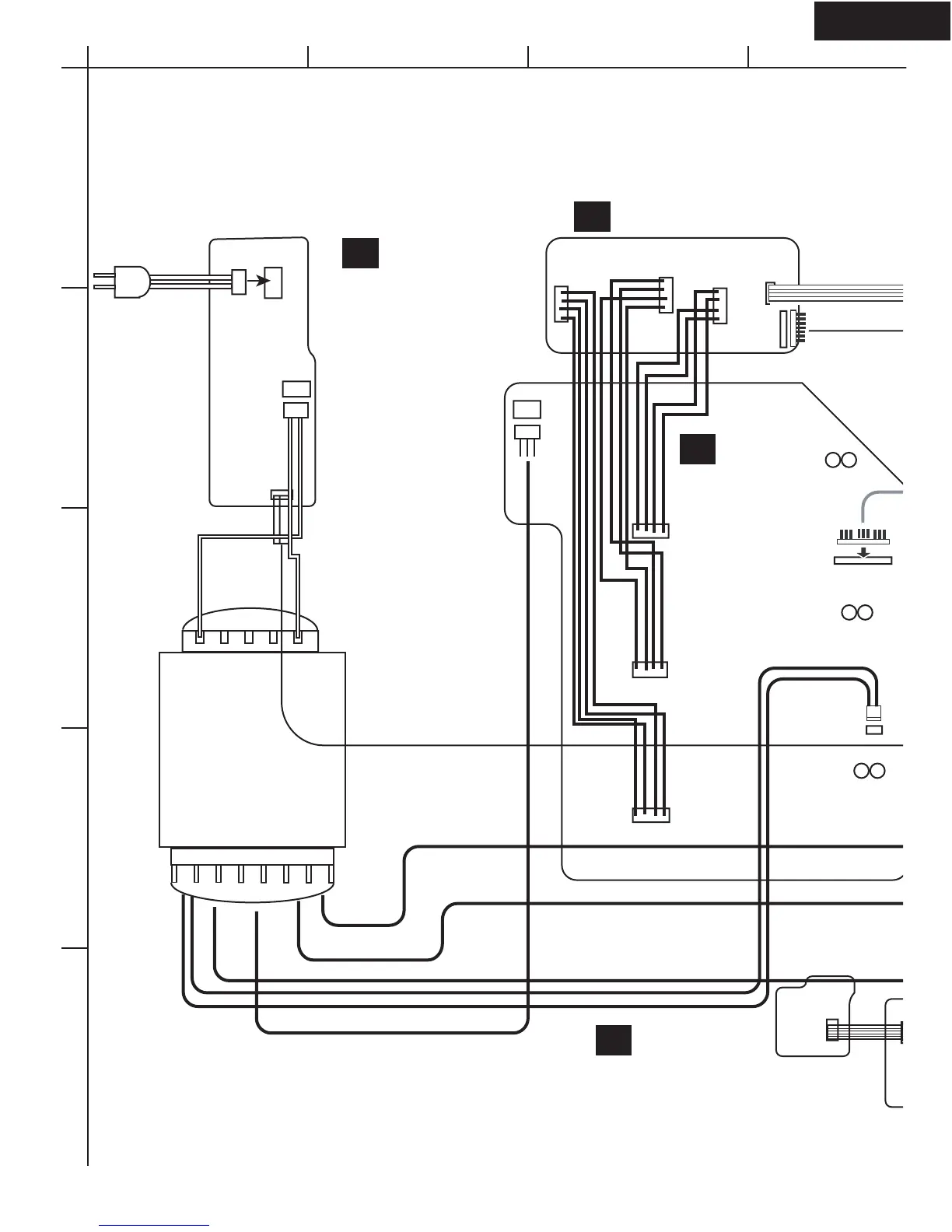
PC BOARD-CONNECTION DIAGRAM
P9301B
P9101A
P9001A
P5605A
P5601A
P4401B
P5603A
R5121
R5122
R5124
R5123
R5126
R5125
P9502B
P5605B
P5603B
P5601B
P5651A
P7003A
U5
U13
U9
U11
T9001
NPT-1500D
SCH.4
SCH.4/5
SCH.6
SCH.1
P
P8310B
P9302B
NAPS-8342
NAETC-8352
NAAF-8350
NASW-
8348
SPEAKER TERMINAL PC BOARD
POWER SUPPLY
TERMINAL PC
BOARD
DIGITAL
AMPLIFIER
PC BOARD
STANDBY SWITCH
PC BAORD
A
1
2
3
4
5
BCD

Other manuals for Onkyo TX-L55

Related product manuals