EasyManua.ls Logo

Onkyo TX-L55 - Connecting AV Components

Onkyo TX-L55
61 pages
To Next Page IconTo Next Page
To Next Page IconTo Next Page
To Previous Page IconTo Previous Page
To Previous Page IconTo Previous Page
Loading...
TX-LR552
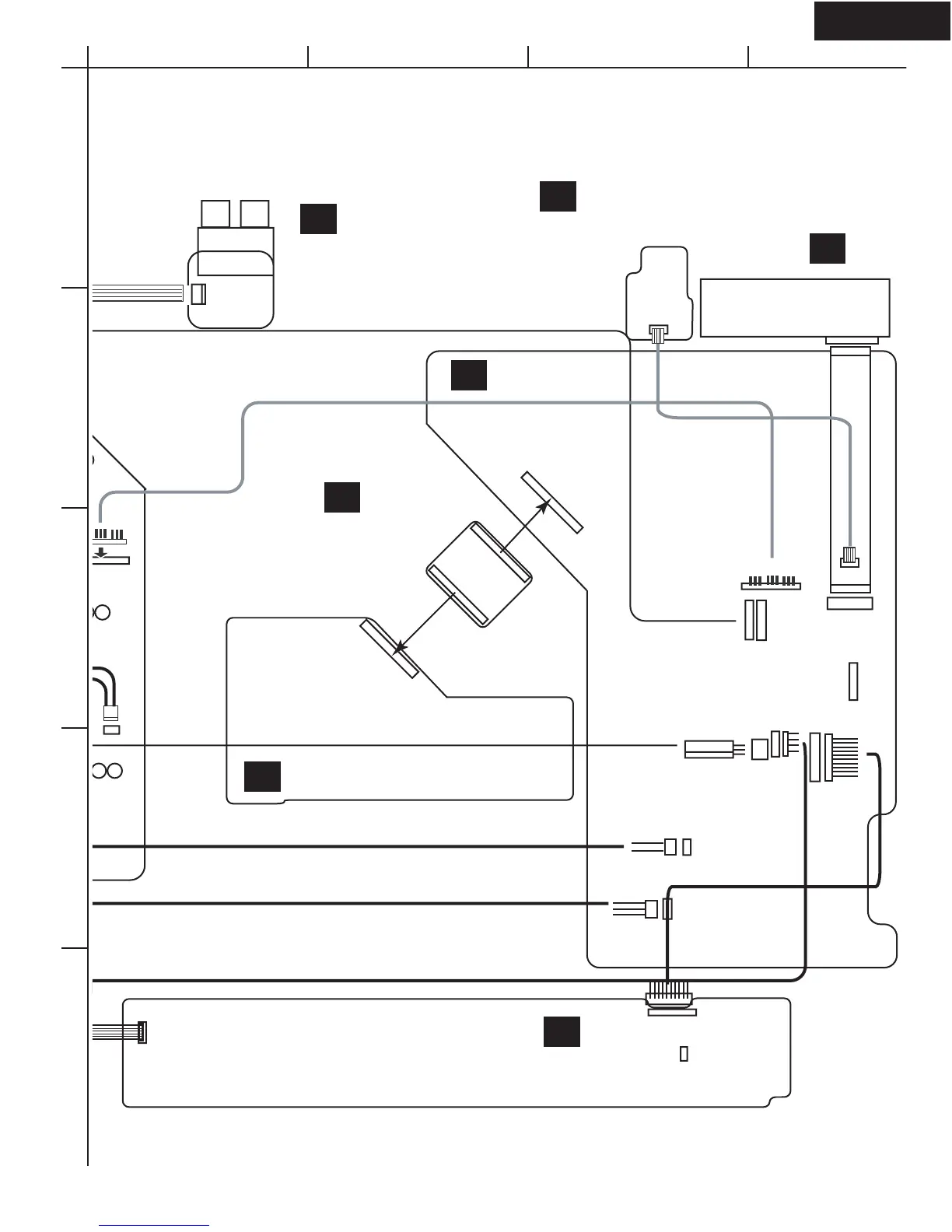
PC BOARD-CONNECTION DIAGRAM
TUNER PACK
401B
5
122
R
5124
3
R5126
25
B
P5651B
P7001C
P7001B
P4401A
P1101
P7002
P9001B
P9002B
P9101B
P9003B
P7003B
U12
U21
U4
U1
U3
U6
U8
SCH.1
SCH.2/3
SCH.7
SCH.6
SCH.8
SCH.8
P8310A
NAETC-
8351
NAVD-8344
NADG-8338
NAETC-8340
NAETC-
8341
NADIS-8346
P4402B
P4402A
MAIN CIRCUIT
PC BOARD
HEADPHONE
TERMINAL
PC BOARD
FRONT SPEAKER
TERMINAL PC BOARD
B
OARD
CONNECTOR
PC BOARD
COMPONENT VIDEO PC BOARD
DISPLAY CIRCUIT PC BORAD
P2004
P2003
P2002
P2001
A
1
2
3
4
5
BCD

Other manuals for Onkyo TX-L55

Related product manuals