EasyManua.ls Logo

Onkyo TX-SR602E

Onkyo TX-SR602E
119 pages
To Next Page IconTo Next Page
To Next Page IconTo Next Page
To Previous Page IconTo Previous Page
To Previous Page IconTo Previous Page
Loading...
TX-SR602/E
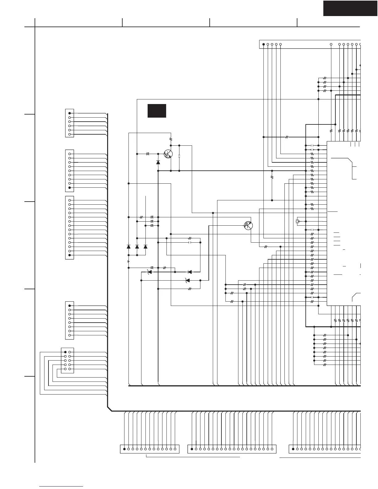
SCHEMATIC DIAGRAM 9 Microprocessor section
+12VA
-5VVIDEO
GNDV
+5VVIDEO
SPRLF
SPRLSB
VCSCL
VCSDA
VSYNC
SYNC
ISS
VDSTB
VDSDO
OSDCS
OSDCLK
OSDSDO
VDCLK
VIDEORSV
RESET
CNVSS
232RX
FCLK
VCC
FBUSY
232TX
GNDCPU
GNDCPU
FBUSY
FEPM
RESET
232TX
232RX
CNVSS
FCE
FCLK
VCC
FSWCLK
FSWDAT
FSWSTB
Z2BDDAT
Z2BDCLK
Z2BDMUT
VLTNSTB
VLTNCLK
VLTNDAT
APOWER
SPRLF
SPRLCS
SPRLSB
SPRLZ2
FANCTR
FANH
VPOWER
SYSIN
THERMAL
PROTECT
Z2PLMUTD
SBZ2MUTD
DSPRST
DSPCS
DSPFCS
DSPINT
DSPFINT
DIGCLK
DIGSDI
DIGSDO
DIRINT
DIRSDI
DIRCS
DIRRST
ADCRST
FLCS
FLSDO
FLRST
CNVSS
+5VMUT
K0
K1
K2
KI0
KI1
KI2
REMIN
POFF
FLCLK
VCC
DIGSDO
DIGSDI
DSPFINT
FCLK
FBUSY
DIGCLK
RESET
TU_L
TU_R
Z2_L
Z2_R
DSPRST
+13S
+56S
GNDCPU
CNVSS
RESET
VCSDA
VCSCL
232RX
232TX
VIDEORSV
VSYNC
SYNC
ISS
VDSTB
VDSDO
VDCLK
OSDSDO
OSDCS
OSDCLK
SW_PO
GNDPO
SBL_PO
SR_PO
SL_PO
CT_PO
SBR_PO
FR_PO
FL_PO
GNDPO
SW_PO
-12VA
GNDA
5VCPU
K3
VMUT
GNDA1
GNDA1
P702
1
2
3
4
5 10
9
8
7
6
R733220
R732
220
R731
220
R730
220
R729
220
R728
220
C711
104Z
R727
220
R720
220
R719
220
R718
220
R717
220
R716
220
R715
220
R714
220
C710
104Z
R705
10K
R704
220
R702
220
C708
104Z
R805
10K
C709
104Z
R701
220
R703
220
R706
220
R707
220
C702
1/50
+
C703
1/50
+
D702
1SS355
D703
1SS355
L701
470K
1 2
D701
1SS355
C706
104Z
R810
47K
D705
1SS355
C705
104K
R811
1M
C701
1/50
+
D704
UDZS5.1B
R860
10K
Q702
RN1404
Q711
RN1404
R809
10K
R806
10K
R814
10K
R817
10K
R816
10K
R818
10K
R820
10K
R821
10K
R824
10K
R819
10K
R823
10K
R822
10K
D706
1SS355
R723
10K
1
Vr
e
2
Av
c
3
P9
4
P9
5
P95/ANEX0/CLK4
6
P94/DA1/TB4IN
7
P93/DA0/TB3IN
8
P92/TB2IN/SOUT3
9
P91/TB1IN/SIN3
10
P90/TB0IN/CLK3
11
P141
12
P140
13
BYTE
14
CNVss
15
P87/XCIN
16
P86/XCOUT
17
RESET
18
Xout
19
Vss
20
Xin
21
Vcc1
22
P85/NMI
23
P84/INT2
24
P83/INT1
25
P82/INT0
26
P81/TA4IN/U
27
P80/TA4OUT/U
28
P77/TA3IN
29
P76/TA3OUT
30
P75/TA2IN/W
31
P74/TA2OUT/W
32
P73/CTS2/RTS2/TA1IN/
V
33
P72/CLK2/TA1OUT/V
34
P71/RXD2/SCL2/TA0IN/
T
35
P70/TXD2/SDA2/TA0OU
T
36
P67/TXD1/SDA1
37
Vcc1
38
P66/RXD1/SCL1
39
Vss
40
41
42
43
44
45
46
P137
121
P106/AN6/KI2
122
P105/AN5/KI1
123
P104/AN4/KI0
124
P103/AN3
125
P102/AN2
126
P101/AN1
127
AVss
128
P100/AN0
D711
UDZS13B
R708
220
R709
10K
R710
10K
R711
10K
R712
10K
X701
6.000MHz
R713
10K
P7501B
1
2
3
4
5
6
7
8
9
10
11
12
P353
1
2
3
4
5
6
7
8
9
10
11
12
13
14
15
16
17
R840
2.7K
R839
2.7K
R838
2.7K
R837
2.7K
R798 4.7K
R799
4.7K
R800
4.7K
R801
4.7K
R802
4.7K
R803
4.7K
R804
4.7K
C704
0.22F
EDLC
+
R812
1K
R813
1K
R725
10
R726
10
R721
220
R722
10K
R724
220
R734220
R735
220
P2004A
1
2
3
4
5
6
7
8
9
10
11
12
13
14
P351
13
12
11
10
9
8
7
6
5
4
3
2
1
P352
20
19
18
17
16
15
14
13
12
11
10
9
8
7
6
5
4
3
2
1
C707
1/50
+
P2005A
1
2
3
4
5
6
7
8
9
P701
8
7
6
5
4
3
2
1
R815
47K
R832
100
U2
NADG-8366
IRIN
12VTRGC
+56S
GNDCPU
+12VTRG
GND
P122
6
5
4
3
2
1
NAETC-8367
(SCH.10)
NADIS-8406 (SCH. 7)
NAAR-8365 (SCH. 1)
NAVD-8464(SCH.8)
NAVD-8464(SCH.8)
A
1
2
3
4
5
BCD

Other manuals for Onkyo TX-SR602E

Related product manuals