EasyManua.ls Logo

Onkyo TX-SR602E

Onkyo TX-SR602E
119 pages
To Next Page IconTo Next Page
To Next Page IconTo Next Page
To Previous Page IconTo Previous Page
To Previous Page IconTo Previous Page
Loading...
TX-SR602/E
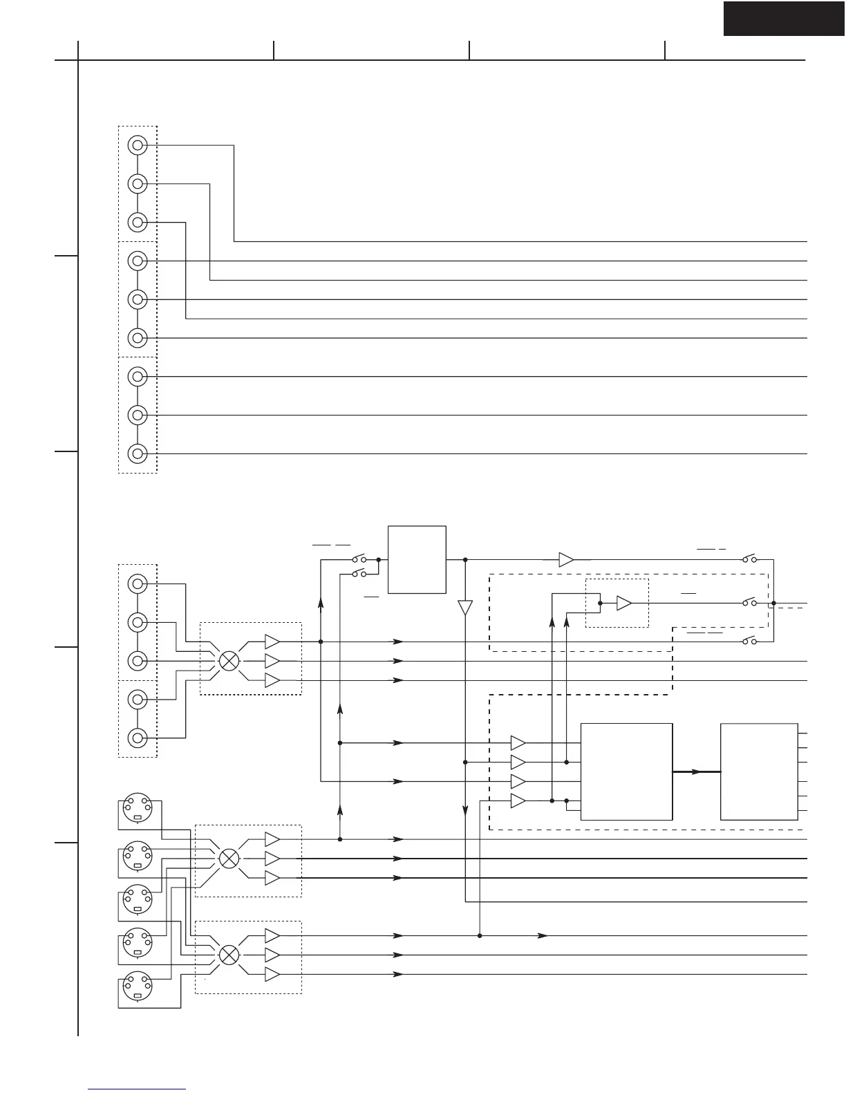
BLCOK DIAGRAM Video section
VIDEO1
DVD
VIDEO2
VIDEO3
VIDEO4
S VIDEO INPUT
DVD
VIDEO1
VIDEO2
VIDEO3
VIDEO4
Y
C
YC
YC
Y
C
YC
COMPOSITE VIDEO INPUT
COMPONENT VIDEO INPUT
Y1
CB1
CR1
Y2
CB2
CR2
Y3
CB3
CR3
NJM2595
Y
NJM2595
NJM2595
C
OSD
C
Y
Y/C Mix
LC74763-9836
C
C
DACA
DACB
DACC
DACD
DACE
DACF
AIN2
AIN1
AIN3
AIN4
AIN5
Others
MM1512
SDET*{OSD+(OSD*SI)}
OSD*(SDET+SI)
SDET*{OSD+(OSD*SI)}
SDET*{OSD+(OSD*SI)}
SDET*OSD
C2
DIGITAL VIDEO ENCODER
ADV7172
DIGITAL VIDEO DECODER
ADV7183A
Y1
COMPOSITE
C1
COMPOSITE / Y2
6dB
6dB
6dB
6dB
6dB
6dB
6dB
6dB
6dB
0dB
0dB
-6dB
-6dB
-6dB
-6dB
6dB
A
1
2
3
4
5
BCD

Other manuals for Onkyo TX-SR602E

Related product manuals