EasyManua.ls Logo

Onkyo TX-SR602E

Onkyo TX-SR602E
119 pages
To Next Page IconTo Next Page
To Next Page IconTo Next Page
To Previous Page IconTo Previous Page
To Previous Page IconTo Previous Page
Loading...
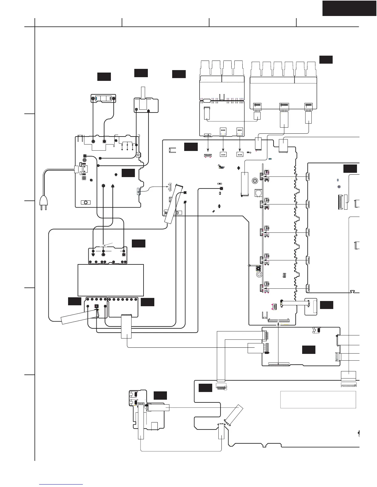
TX-SR602/E
WIRING VIEW
A
1
2
3
4
5
BCD
P931A
JL69
52A
P6909
NAAF-8397
P6922
P
6
92
3
P995CC
P995BB
P6906
P6842
P6840
P6004B
P6003B
P6002B
P6001B
P6000B
JL6402A
P6843
P6804A
P6301
TH2
TH1
COM
P6801A
JL6200A
JL6802A
P995AA
BLU
RED
BLK
P955
P6953A
P6072A
P6800A
P6932
JL6201A
P6910
-B1
+B1
JL6803A
L
R
C
SL
SR
P6845
P6841
P6850
P6851
ID-
ID+
P6080
R6040
BIAS
ID-
ID+
P6081
R6041
BIAS
ID-ID+
P6082
R6042
BIAS
ID-
ID+
P6083
R6043
BIAS
ID-ID+
P6084
R6044
BIAS
P
6
0
11A
NAETC-8400
P6804B
P6800B
P6801B
J6629
J6640
J6642
J6614
J6627
J6610
P6600
P6602
J6647
NAETC-8401
J6628
J6639
J6641
J6611
J6609
J6646
P6691
J6613
J6612
JL6805A
NAETC-8402
JL6402C
P6380
JL6952B
P995A
19
18
17
16
15
P995B
P995C
NAETC-8398
RED
BLK
P902
P901A
P909
P908
AC-G
P927
S902
P917
P918
P911
P912
P913
E921
AC-H
P931B
120V
220V
NAPS-8382
P921A
P921
P916
P915
P926
P925
P922
P922A
P911B
P912B
P913B
7
5
1
NAETC-8384
3
1
P911A
P
912
A
P913A
1
P902A
P926A
P925A
NAETC-
8385
P918A
P917A
NASW-8387
S906
14 13
12
11
10
9
8
JL9501A
NAETC-8390
JL7701A
NADIS-8406
P7502A
P
JL7801A
JL2501A
NAETC-8412
P7705
E7701
E7702
P7801
U5
P6000A
P6001A
P6002A
P6003A P6004A
P308A
P308C
P5010
NAAF-8383
LCRSLSR
SBL
SBR
JL6005A
JL6006A
U6
U7
U8
U10
P6953B
JL9501B
NAPS-8389
P7502B
E9001
P6931A
JL9502A
U12
U13
U16
U17
NAETC-8399
P6803
P6802
JL6802B
JL6803B
JL6805B
U18
U19
U21
U26
U32
POWER
TRANSFORMER
BLU
Soldering side
Soldering side
Soldering side
Soldering side
Soldering side
JL7701B
JL7801B
SCH. 3
SCH. 4
SCH. 5
SCH. 5
SCH. 5
SCH. 6
SCH. 6
SCH. 6
SCH. 6
SCH. 6
SCH. 6
SCH. 6
SCH. 7
SCH. 7
Korean
model
only
All models
except 120V
and Australian
models
Worldwide
model
only
AC outlet PC board
Primary circuit
PC board
Driver circuit PC board
Secondary circuit
PC board
Headphone terminal PC board
Fuse terminal PC board
Transformer
terminal
PC board
Display circuit PC board
Secondary circuit PC board
Speaker terminal P
C
Speaker terminal
F/C PC board
Power amplifier PC board
Thermal detector PC board
Power
switch
PC board

Other manuals for Onkyo TX-SR602E

Related product manuals