EasyManua.ls Logo

Onkyo TX-SR602E - First Time Setup; Changing the TAPEMDCDR Display

Onkyo TX-SR602E
119 pages
To Next Page IconTo Next Page
To Next Page IconTo Next Page
To Previous Page IconTo Previous Page
To Previous Page IconTo Previous Page
Loading...
TX-SR602/E
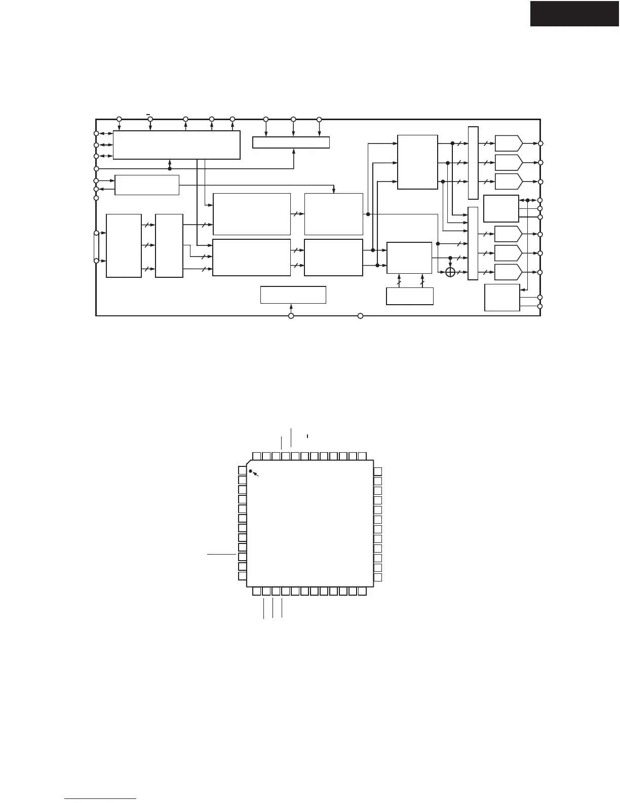
IC BLOCK DIAGRAMS AND DESCRIPTIONS
ADV7172KSTZ(Digital PAL/NTSC Vidoe Encoder with Six DACs)
FUNCTIONAL BLOCK DIAGRAM
8
8
10-BIT
DAC
R
SET1
COMP1
COLOR
DATA
P0
V
REF
R
SET2
COMP2
P7
DAC E
DAC F
DAC D
DAC A
DAC B
DAC C
BRIGHTNESS AND
CONTRAST CONTROL
+
ADD SYNC
+
INTERPOLATOR
10
LUMA
PROGRAMMABLE
FILTER
+
SHARPNESS
FILTER
SATURATION CONTROL
+
ADD BURST
+
INTERPOLATOR
10
PROGRAMMABLE
CHROMA
FILTER
10
8
8
8
REAL-TIME
CONTROL CIRCUIT
SCRESET/RTC
MODULATOR
+
HUE
CONTROL
10
10
10
10
10-BIT
DAC
10
10-BIT
DAC
10
M
U
L
T
I
P
L
E
X
E
R
Y
U
V
8
4:2:2 TO
4:4:4
INTER-
POLATOR
10 10
SIN/COS
DDS BLOCK
DAC
CONTROL
BLOCK
DAC
CONTROL
BLOCK
10-BIT
DAC
10
10
10
10
10-BIT
DAC
10
10-BIT
DAC
10
M
U
L
T
I
P
L
E
X
E
R
YUV TO
RBG
MATRIX
+
YUV
LEVEL
CONTROL
BLOCK
I
2
C MPU PORT
FIELD/
TTX
TTXREQ
V
AA
TELETEXT
INSERTION BLOCK
YCrCb
TO
YUV
MATRIX
CLOCK
CLAMP
SCLOCK SDATA
ALSB
VIDEO TIMING
GENERATOR
GND
PAL
NTSC
PIN CONFIGURATION
36
35
34
33
32
31
30
29
28
27
26
25
13 14 15 16 17 18 19 20 21 22 23 24
1
2
3
4
5
6
7
8
9
10
11
12
48 47 46 45 44 39 38 3743 42 41 40
PIN 1
IDENTIFIER
TOP VIEW
ALSB
GND
V
AA
P0
P1
P2
P3
P4
P5
P6
P7
CSO_HSO
V
AA
GND
V
AA
SCLOCK
SDATA
R
SET2
ADV7172
DAC F
COMP1
DAC A
V
AA
DAC B
V
AA
GND
V
AA
DAC C
DAC D
V
AA
GND
DAC E
CLOCK
GND
V
AA
PAL NTSC
CLAMP
TTXREQ
SCRESET/RTC
R
SET1
V
REF
COMP2
GND
TTX
HSYNC
FIELD/VSYNC
BLANK
VSO
RESET

Other manuals for Onkyo TX-SR602E

Related product manuals