EasyManua.ls Logo

Onkyo TX-SR800

Onkyo TX-SR800
88 pages
To Next Page IconTo Next Page
To Next Page IconTo Next Page
To Previous Page IconTo Previous Page
To Previous Page IconTo Previous Page
Loading...
TX-SR800
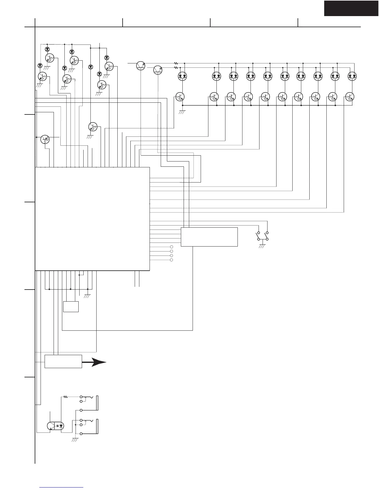
SUB-MICROPROCESSOR-CONNECTION DIAGRAM 2
S7569
VOLUME
Q7202
BUFFER
Q7201
M30624MGA-154FP
24
25
26
27
28
29
30
51
52
53
6
7
8
9
75
74
73
72
71
70
69
68
67
66
65
63
61
60
59
58
57
56
55
54
50
49
48
47
46
45
44
43
42
41
40
39
38
37
36
35
34
33
32
31
23
22
21
20
19
18
17
11
10
16
62
14
64
15
13
12
BYTE
CNVSS
VCC1
VSS1
XIN
XOUT
~RESET
MAININ
REMIN
VDDA
VDCL
VSYNC
232RX
232TX
LEDGRE
LEDRED
RZV1
RZV5
RZV4
RZV3
RZV2
VBJ
VAJ
SUB
REQ
MAINSCK
MAINSO
SUBSO
TXD1
RTS1
CLK1
RXD1
HPDET
VCC2
VSS2
VDST
RZNET
RZCD
RZPH
RZAM
RZT1
STBY
PURE
UPSPL
RZDVD
RI
+B
P202
IR-IN
IR-OUT
Q211
PC817X
+B
Q2010
VIDEO SELECTOR
SW TC9273
X7201
16MHz
Q7000
MAIN
MAICROPROCESSOR
SYSOUT
RZDVD
D7521
DVD
D7522
V1
D7523
V2
D7524
V3
D7525
V4
D7526
V5
D7527
TAPE
D7529
TUNER
D7530
PHONO
D7531
CD
Q7537
Q7536
Q7524
Q7521
Q7522
Q7523
Q7525
Q7526
Q7527
Q7529
Q7530
Q7531
RED
GREEN
RZV1
RZV2
RZV3
RZV4
RZV5
RZT1
RZAM
RZPH
RZCD
+B
D7534
Q7534
UPSPL
D7533
D7535
Q7535
PURE
Q7533
STBY
+B
+B
+B
+5V
34
37
35
36
33
38
VIDEO SELECT
CONTROL
SIGNAL
D7537
Q7547
TUN-UP
D7536
Q7546
TUN-DO
D7539
Q7549
PRE-R
D7538
Q7548
PRE-L
TUDOWN
TUNUP
PRE-L
PRE-R
A
1
2
3
4
5
BCD

Other manuals for Onkyo TX-SR800

Related product manuals