EasyManua.ls Logo

PAC R6000S - Page 87

PAC R6000S
95 pages
Print Icon
To Next Page IconTo Next Page
To Next Page IconTo Next Page
To Previous Page IconTo Previous Page
To Previous Page IconTo Previous Page
Loading...
LL DGA QM SR
PAGE 85 OF 92
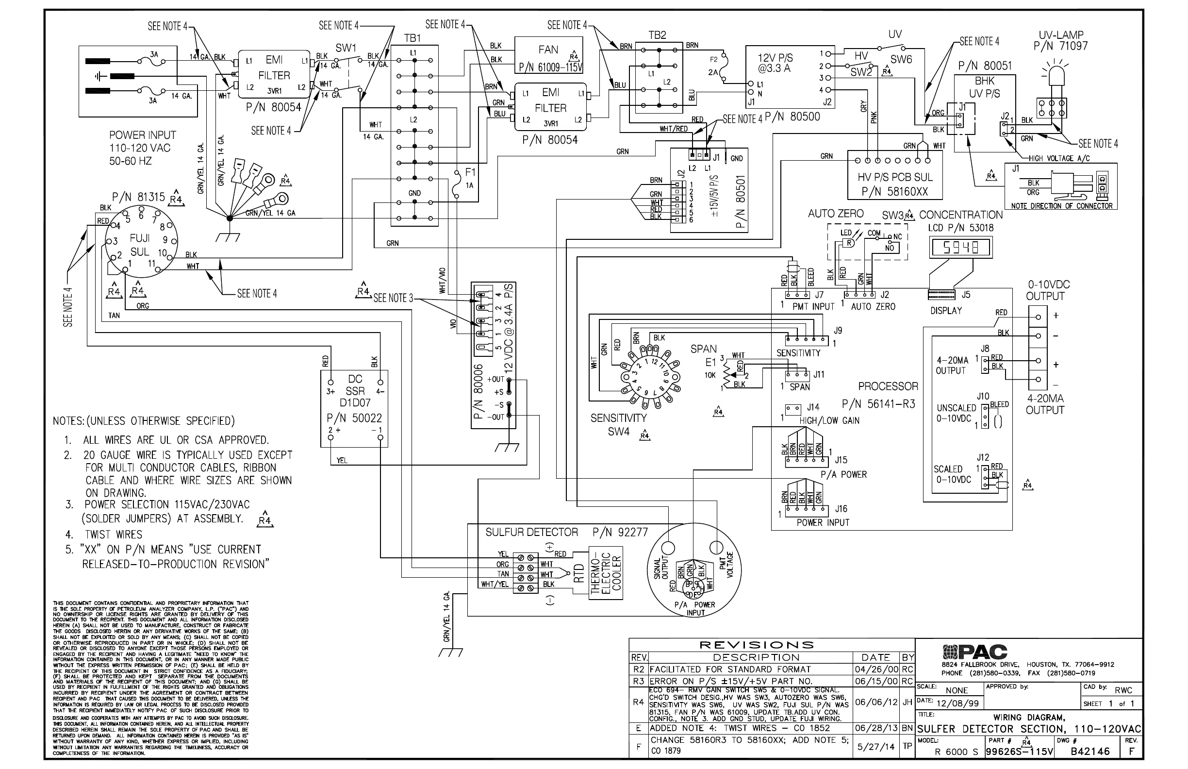
WIRING DIAGRAM SULFUR DETECTOR 110-120VAC
REF: B42146-F-TP-1/1