EasyManua.ls Logo

PAC R6000S - Page 88

PAC R6000S
95 pages
Print Icon
To Next Page IconTo Next Page
To Next Page IconTo Next Page
To Previous Page IconTo Previous Page
To Previous Page IconTo Previous Page
Loading...
LL QM JK
PAGE 86 OF 92
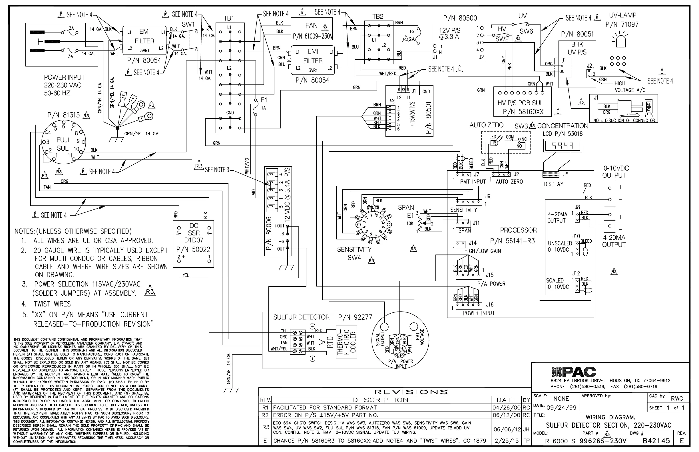
WIRING DIAGRAM SULFUR DETECTOR
220-230VAC
REF: B42145-E-TP-1/1