EasyManua.ls Logo

Palfinger ILP 33 - Electrical Schematic (Power down )

Palfinger ILP 33
35 pages
Print Icon
To Next Page IconTo Next Page
To Next Page IconTo Next Page
To Previous Page IconTo Previous Page
To Previous Page IconTo Previous Page
Loading...
ILP 25/33 Owner’s Manual
Rev.1.4 31
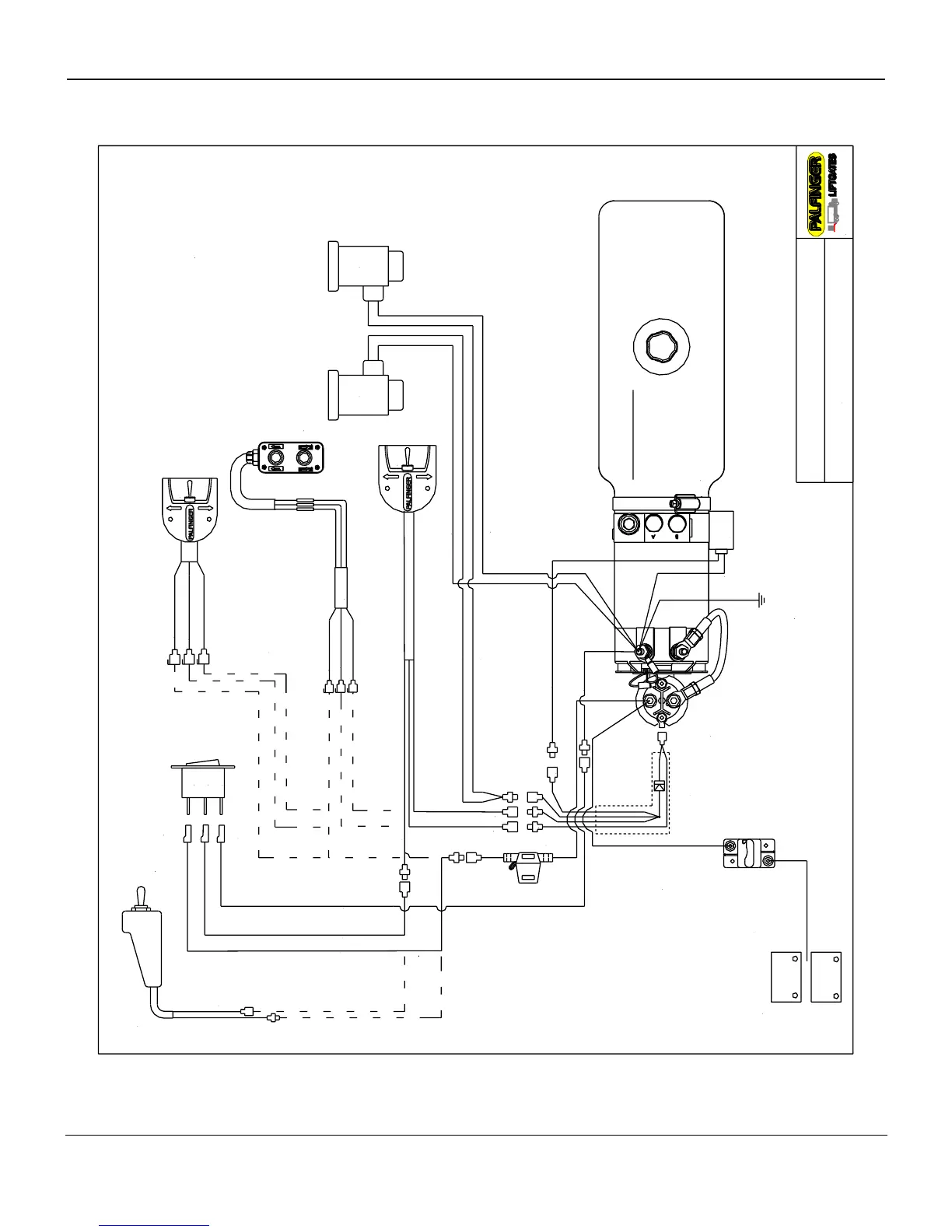
8.7 Electrical Schematic (Power Down )
ILP/PLR (Power Down) - Wiring Schematic
Toggle control - Pump - Full Time Power Down
15939 Piuma Ave. Cerritos, CA 90703
30 Ft. x 2 ga.
Battery Cable
150 amp
Circuit Breaker
12V Power Supply
Starter
Solenoid
Power Down Harness
with Diode
5 6
S1
S5
Shift Solenoid - Yellow
Power - #4 - Blue
Raise - #5 - Brown
Lower - #6 - Yellow/Green
ON/OFF Switch
(Truck Installation)
Main Liftgate
Toggle Control Switch
Power - Brown
Load - Blue
Lower Solenoid - Black
Lower Solenoid - Black
Power
Ground
Load
Ground - Yellow/Green
Spade Connectors
with housing
Power - #4 Green
Lower - #6 Yellow
Starter - #5 Red
Power - Brown
Power - Blue
OR
ON/OFF Switch
(Trailer Application)
2-Button
Hand Held Remote
(Optional)
Piggy back with
Toggle Switch
Ground - Lower Solenoid - Black
Ground - Lower Solenoid - Black
Lower Valve
S1
Lower Valve
S2
Shift Solenoid - Yellow
Shift
Valve
Ground
Power
15A Fuse
Torque Specifications
Starter Solenoid:
M6: 1.3 ft/lbs. [1.7 Nm]
M8: 3 ft./lbs [4 Nm]
Electric Motor
M8: 6.3 ft/lbs. [8.5 Nm]
Harness
Splice
Connectors
Lower
Raise
70-0312-002
Yellow/Green - Ground
2 ga.Ground
Cable at
Enclosure
(Optional 2nd toggle)
Cut ends off of toggle
when it is an additional
toggle and add piggy
back connectors to all
Lower
Raise
Power - #4 Blue
Lower - #6 Yellow/Green
Starter - #5 Brown
Heat shrink all
piggy back connectors
Important Note:
-All connectors are to be insulated and weather sealed.
-In-Line ATC Fuse 15 Amp at solenoid.
Replace with
same amperage fuse when necessary.
NOTICE: DO NOT attempt to jump in-line fuses
with other objects other than the specified fuse(s).
DO NOT increase the amperage rating of fuse.
Serious harm to the liftgate will result when
standard practices are not followed.

Other manuals for Palfinger ILP 33

Related product manuals