EasyManua.ls Logo

Palfinger ILP 33 - Hydraulic Schematics (Gravity Down)

Palfinger ILP 33
35 pages
Print Icon
To Next Page IconTo Next Page
To Next Page IconTo Next Page
To Previous Page IconTo Previous Page
To Previous Page IconTo Previous Page
Loading...
ILP 25/33 Owner’s Manual
Rev.1.4 32
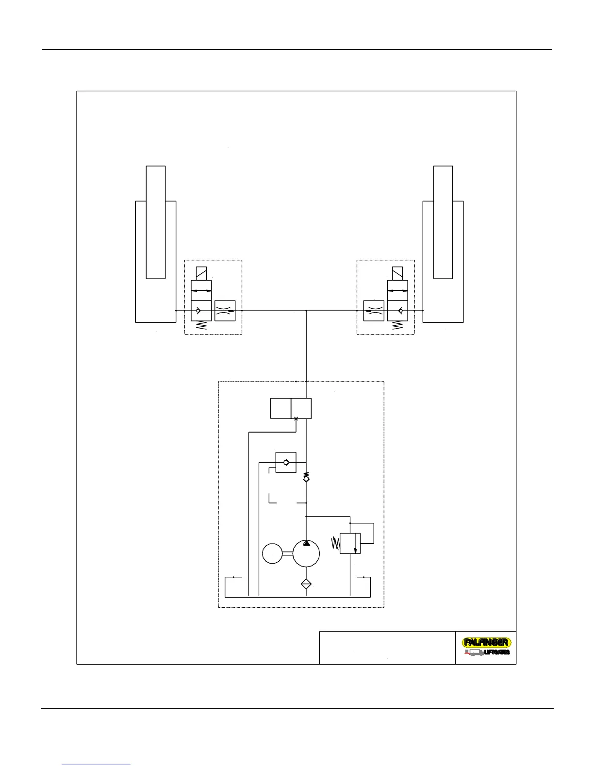
8.8 Hydraulic Schematics (Gravity Down)
"A"
PLP Gravity Down
USA Hydraulic Schematic
Discontinued on liftgate S/N: PT-10598
15939 Piuma Ave. Cerritos, CA 90703
R1 R2
S1 S2
Lift Cylinder
Lift Cylinder
S1 & S2 - Release Valve for Lowering
R1 & R2 - Flow Restrictor for limiting lower speed.
Raise = M
Lower = S1+S2
Port
Pump Unit
Relief Valve
2850 psi
Filter
Pump
Reservoir Tank
Motor
Breather
"A"
M
Pilot to Close
Check Valve
Pump Unit M-3441-0104

Other manuals for Palfinger ILP 33

Related product manuals