EasyManua.ls Logo

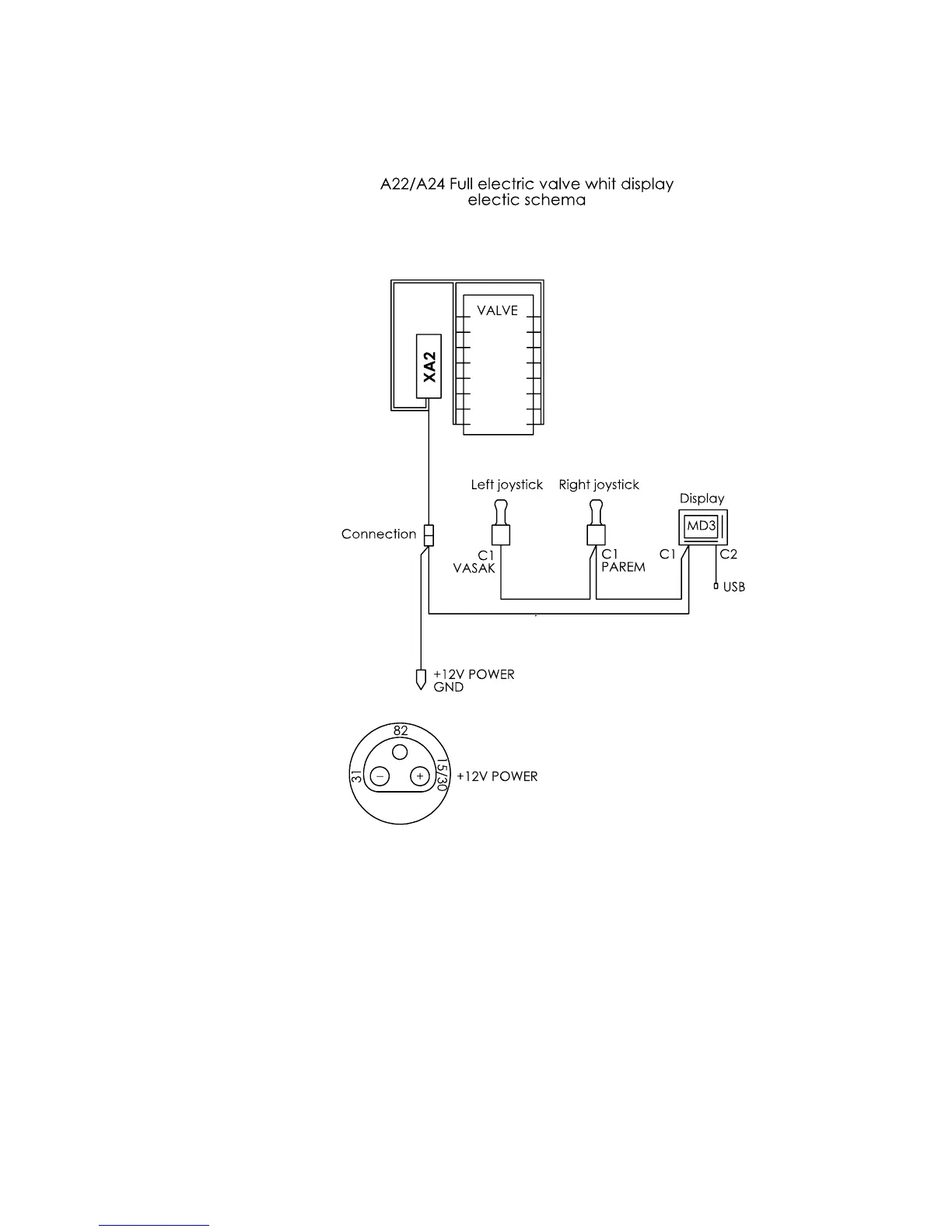
Palms 840 - Electrical Scheme for Full Electric Control Valve (A22 and A24)

Palms 840
39 pages
Print Icon
To Next Page IconTo Next Page
To Next Page IconTo Next Page
To Previous Page IconTo Previous Page
To Previous Page IconTo Previous Page
Loading...
FOREST CRANE PALMS 840
V 1.03 EN 2012 Palmse Mehaanikakoda LLC 16
Figure 10. Electrical scheme for full electric control valve (A22 and A24)