EasyManua.ls Logo

Palms 840 - Hydraulic Diagram for Nordhydraulic NH 4;8 XYZ (A7) Control Valve

Palms 840
39 pages
Print Icon
To Next Page IconTo Next Page
To Next Page IconTo Next Page
To Previous Page IconTo Previous Page
To Previous Page IconTo Previous Page
Loading...
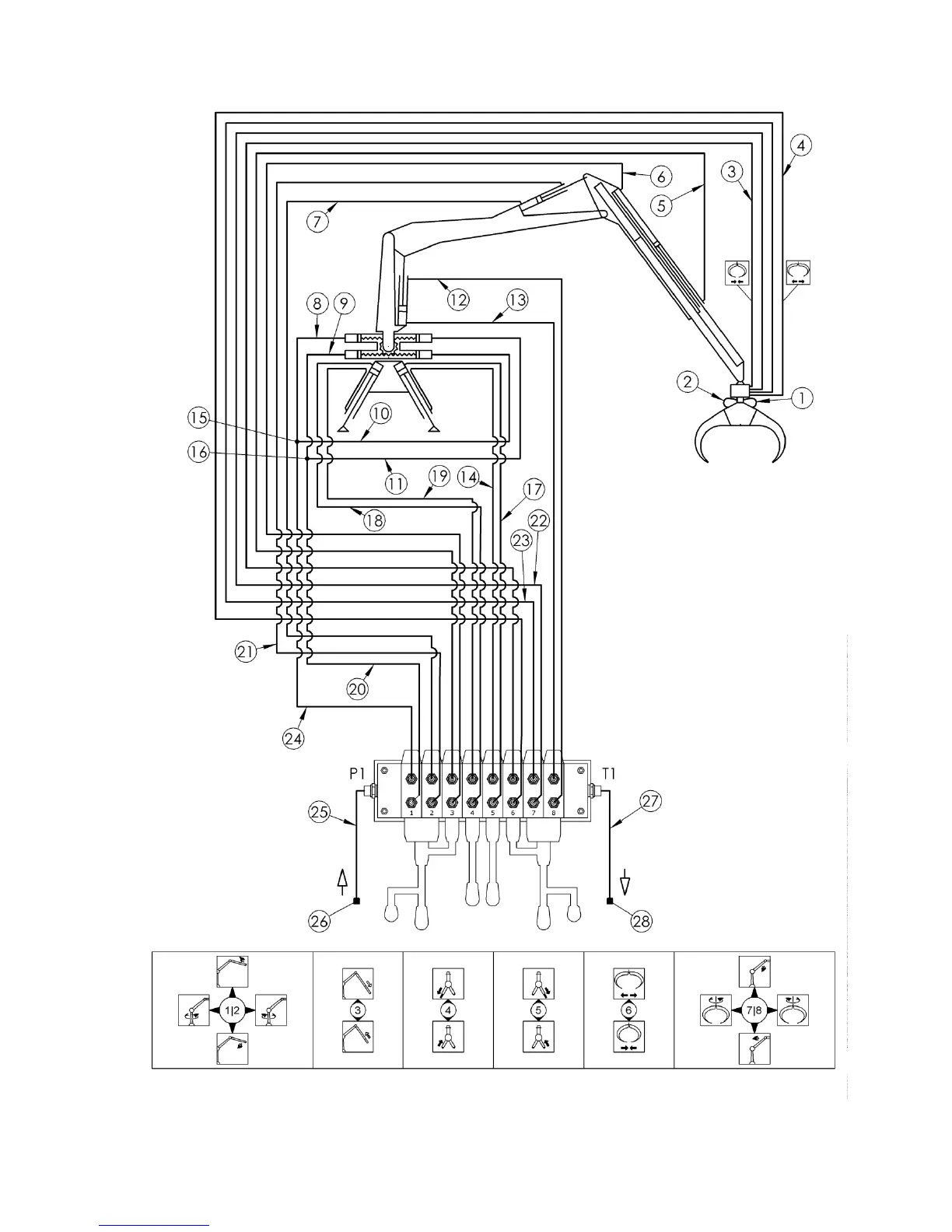
FOREST CRANE PALMS 840
V 1.03 EN 2012 Palmse Mehaanikakoda LLC 20
Figure 14. Hydraulic diagram for Nordhydraulic NH 4/8 XYZ (A7) control valve