EasyManua.ls Logo

Panasonic AG-AF100A - Computer and TV Connectivity; Computer Connection for Editing and TV Output

Panasonic AG-AF100A
126 pages
Print Icon
To Next Page IconTo Next Page
To Next Page IconTo Next Page
To Previous Page IconTo Previous Page
To Previous Page IconTo Previous Page
Loading...
42
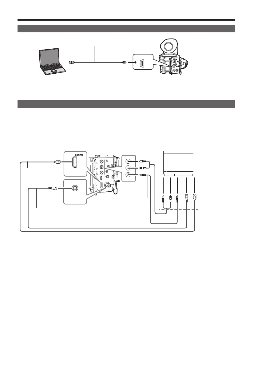
Connecting external units (continued)
Computer (non-linear editing/file transfer)
USB 2.0
Computer
USB connection cable
(optional)
Mini-B
For details on the computer’s conditions and other factors, see page 44.•
Use a double-shielded USB connection cable with a maximum length of three meters. •
TV/Monitor
Only the output signals from the camera are shown.
HDMI cable
(optional)
BNC cable (optional)
Video cable
(optional)
Audio cable (optional)
White: CH1 (left channel) sound
Red: CH2 (right channel) sound
Connect these
cables to the
terminals on
the television.
TV/Monitor

Table of Contents

Other manuals for Panasonic AG-AF100A

Related product manuals