EasyManua.ls Logo

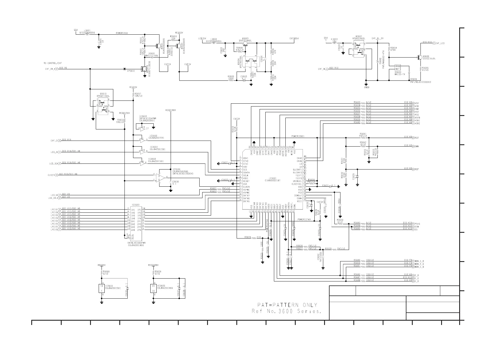
Panasonic AG-DVX100BP - VTR (EVF DRIVER)

Panasonic AG-DVX100BP
172 pages
Print Icon
To Next Page IconTo Next Page
To Next Page IconTo Next Page
To Previous Page IconTo Previous Page
To Previous Page IconTo Previous Page
Loading...
1 2 3 4 5 6 7 8 9 10 11 12 13 14 15
COMPONENT
NAME
CIRCUIT BOARD NO.
DRAWING NO.
A
B
C
D
E
F
G
H
I
J
VTR (EVF DRIVER)
VEP03G82A/B
KR 3A0324 (4/11)
04/11
SCM005

Table of Contents

Other manuals for Panasonic AG-DVX100BP

Related product manuals