EasyManua.ls Logo

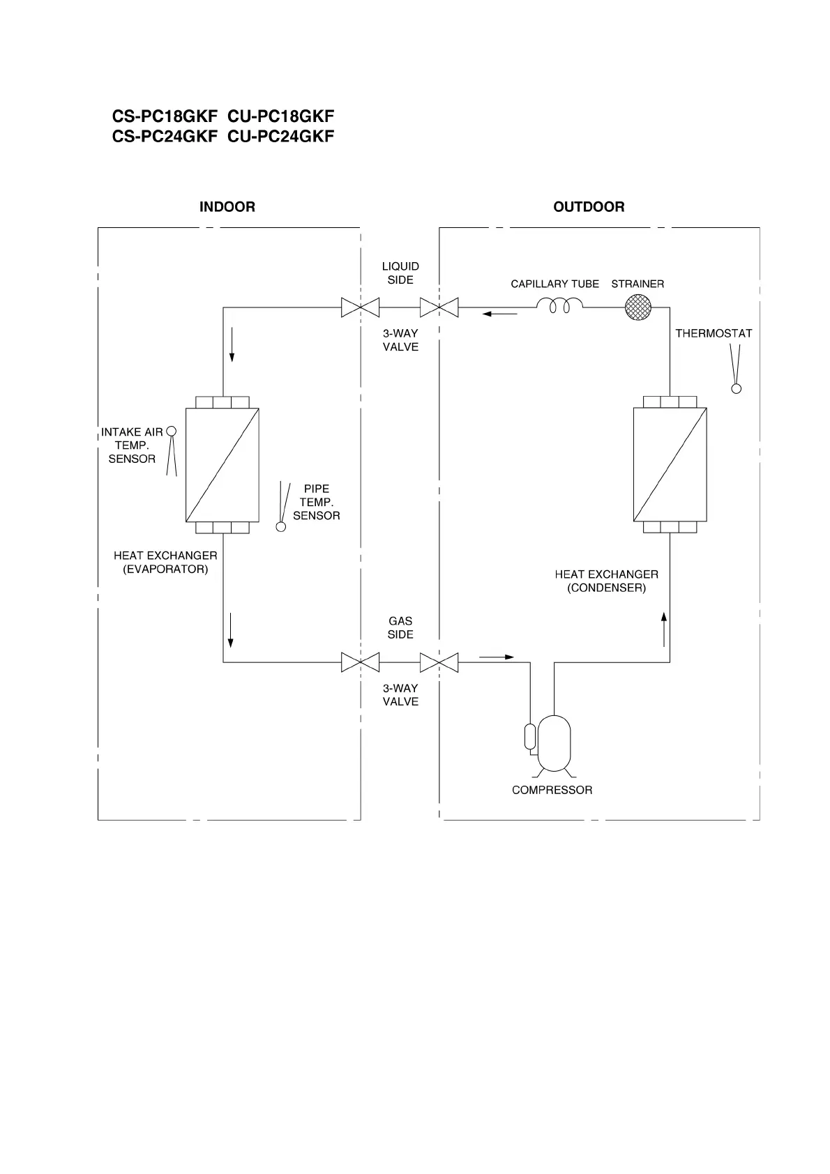
Panasonic CS-PC18GKF - Refrigeration Cycle Diagram

Panasonic CS-PC18GKF
64 pages
Print Icon
To Next Page IconTo Next Page
To Next Page IconTo Next Page
To Previous Page IconTo Previous Page
To Previous Page IconTo Previous Page
Loading...
13
6 Refrigeration Cycle Diagram

Related product manuals