EasyManua.ls Logo

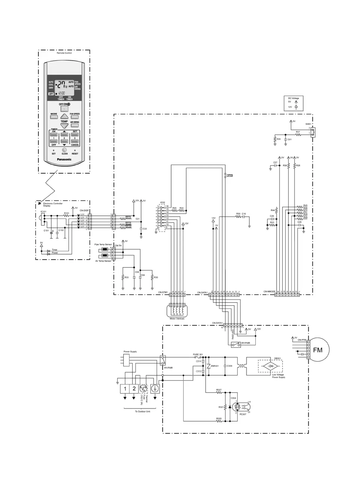
Panasonic CS-PC18GKF - Electronic Circuit Diagram

Panasonic CS-PC18GKF
64 pages
Print Icon
To Next Page IconTo Next Page
To Next Page IconTo Next Page
To Previous Page IconTo Previous Page
To Previous Page IconTo Previous Page
Loading...
17
9 Electronic Circuit Diagram

Related product manuals