EasyManua.ls Logo

Panasonic CS-PC18GKF - Block Diagram

Panasonic CS-PC18GKF
64 pages
Print Icon
To Next Page IconTo Next Page
To Next Page IconTo Next Page
To Previous Page IconTo Previous Page
To Previous Page IconTo Previous Page
Loading...
14
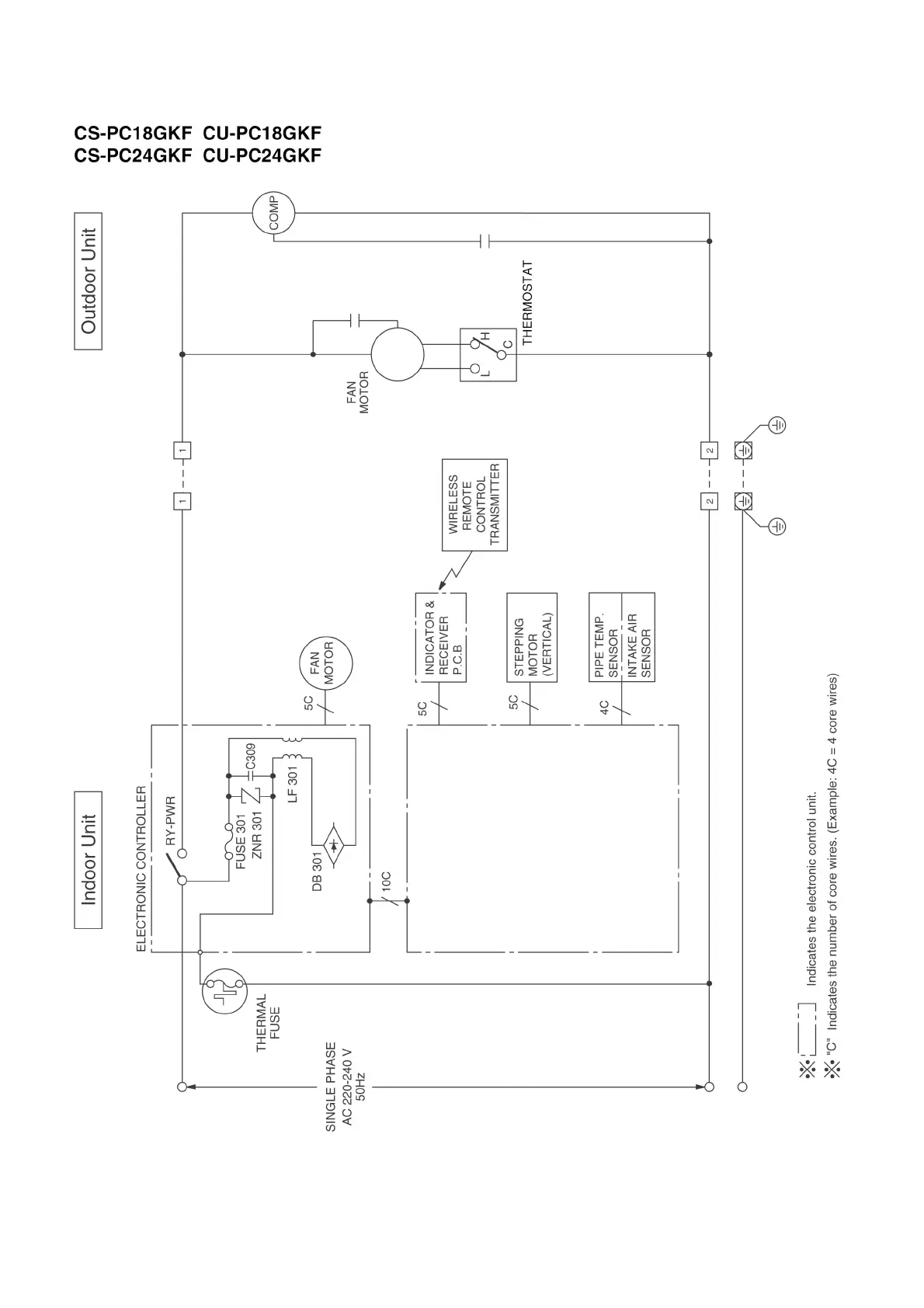
7 Block Diagram

Related product manuals