EasyManua.ls Logo

Panasonic DMR-EH75VP - Page 135

Panasonic DMR-EH75VP
237 pages
To Next Page IconTo Next Page
To Next Page IconTo Next Page
To Previous Page IconTo Previous Page
To Previous Page IconTo Previous Page
Loading...
A
1
2
3
5
6
7
8
9
11
12
13
14
15
17
18
19
20
21
22
23
24
25
26
27
28
29
30
31
32
33
10
B
C D E F G H I K L M N O P Q R S T
MGND
X_SW6V
MECHA_12R5V
X_SW12R5V
D_P_OFF_L1
231
321
ZJ37005
K9ZZ00001279
231
321
ZJ37002
K9ZZ00001279
231
321
ZJ37006
K9ZZ00001279
231
321
ZJ37003
K9ZZ00001279
D12V
D3R8V
F+
-29V
HDD_PFAIL
F-
1
2
R37001
18K
2
1
ECEA1CKA220B
C37001
2
3
1
2SD0874A0L
Q37001
231
321
ZJ37004
K9ZZ00001279
GND
1
3
2
1
3
2
K1KA03AA0301
P37001
TO FAN MOTOR
231
321
ZJ37001
K9ZZ00001279
1
2
820
R37003
1
2
K31006
VWJ0795=5
1
2
VWJ0795=5
K31005
1
2
K31008
VWJ0795=10
1
2
VWJ0795=5
K31007
1
2
R37002
10K
7
5
6
243
8
1
67 5
2 43
8
1
IC37001
C0ABBA000146
C0ABBA000073
UNREG36V
1
2
LB45001
J0JCC0000103
8
9
13
11
10
12
2
3
1
5
7
6
4
15
14
K1KA15A00118
P31902
1
2
ECEA0JKN470B
C33505
1
2
R45016
220
6
8
9
7
2
1
4
5
3
10
11
K1KA11A00124
P31901
DR_PON_H
1
2
K37001
L37001
VWJ0795=5
18
16
14
8
9
11
12
10
2
3
1
5
7
6
4
13
15
17
19
K1KA19A00007
P31903
1
2
50V
ECQV1H104JL3
C45003
4
2
3
51
3
1
2
4
5
IC45001
C0DBAHD00013
0.1
C45001
1
2
C45017
VWJ0795=5
1
C45018
VWJ0795=5
1
2
K31002
VWJ0795=20
B-IN
B OUT
V+
B+IN
or
GND
FANOUT1
FANLOCK1
A OUT
GND
A+IN
A-IN
VIN
ON[H]
P
P
P
P
P
P
P
P
P
P
P
P
P
GND
DGND
IECOUT
GND
GND
GND
I2C5_CK
GPYOUT_DM
Y_OUT_DM
BPBOUT_DM
RPROUT_DM
TO P6005
MAIN P.C.B.
(SYSCON/SERVO/
TIMER)
I2C5_DT
P
VOUT
BS16V
DR_PSAVE_L
UARTM2P
IR_TXD/BBR_RXD
IR CLK/BS_P_ON_H
ADC_R
GND
GND
ADC_L
X_SW6V
X_SW6V
MGND
AU_GND
AU_GND
P_SAVE
ANA5V
D3R3V
FANPWM1
DI_PON_H
COUT_DM
XDMUTE_L
UNREG_38V
V_Y_IN_DM
CPNC_IN_DM
X_SW12R3V
MIXLOUT_DM
MECHA_12R3V
MIXROUT_DM
SLICER_VIDEO
DR_PON_H
FANLOCK1
JC_REG5V
MECHA_12R3V
NR
TO P6004
MAIN P.C.B.
(SYSCON/SERVO/
TIMER)
TO P6003
MAIN P.C.B.
(SYSCON/SERVO/
TIMER)
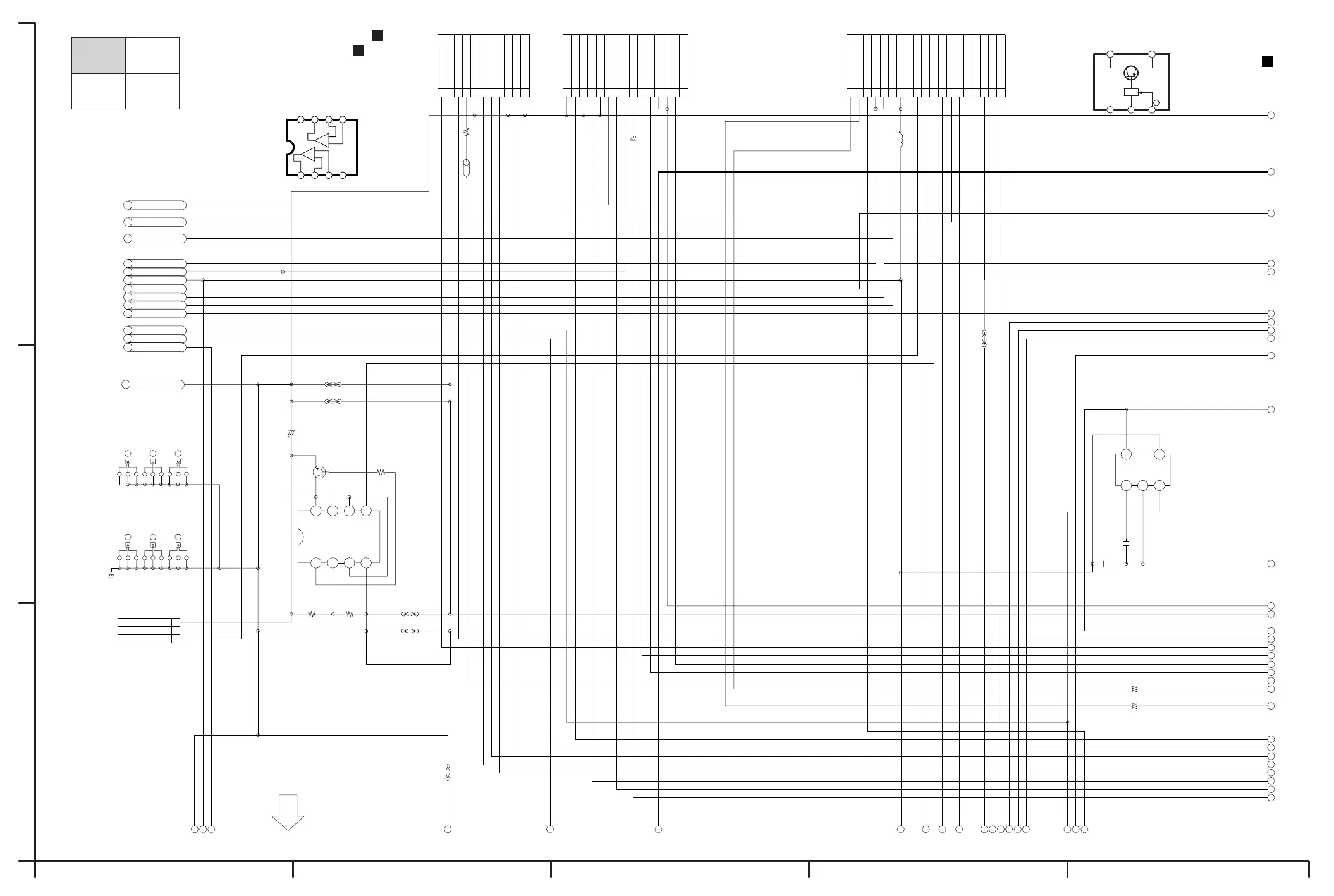
NOTE:DO NOT USE THE PART NUMBER SHOWN ON THIS DRAWING FOR ORDERRING.
THE CORRECT PART NUMBER IS SHOWN IN THE PARTS LIST,AND MAY BE
SLIGHTLYDIFFERNT OR AMENDED SINCE THIS DRAWING WAS PREPARED.
54321
C
B
A
B
TO
DIGITAL I/F SECTION
(3/4)
LOCATION MAP
1/4 2/4
3/4 4/4
DMR-EH75VP
Digital I/F(1/4) Section
(Power & Digital I/F P.C.B.(2/2))
Schematic Diagram(IF)
P:Power Supply Section:(Page: )
A
IF:Digital I/F Section:(Page: )
B
-
+
+
-
GND
VDD
8765
1234
IC37001
FAN MOTOR DRIVE
IC-DETAIL BLOCK DIAGRAM
H
VINVOUT
NR GND
:ON
123
45
IC
IC45001
X SW+6V SWITCHING REG.
IC-DETAIL BLOCK DIAGRAM

Table of Contents

Related product manuals