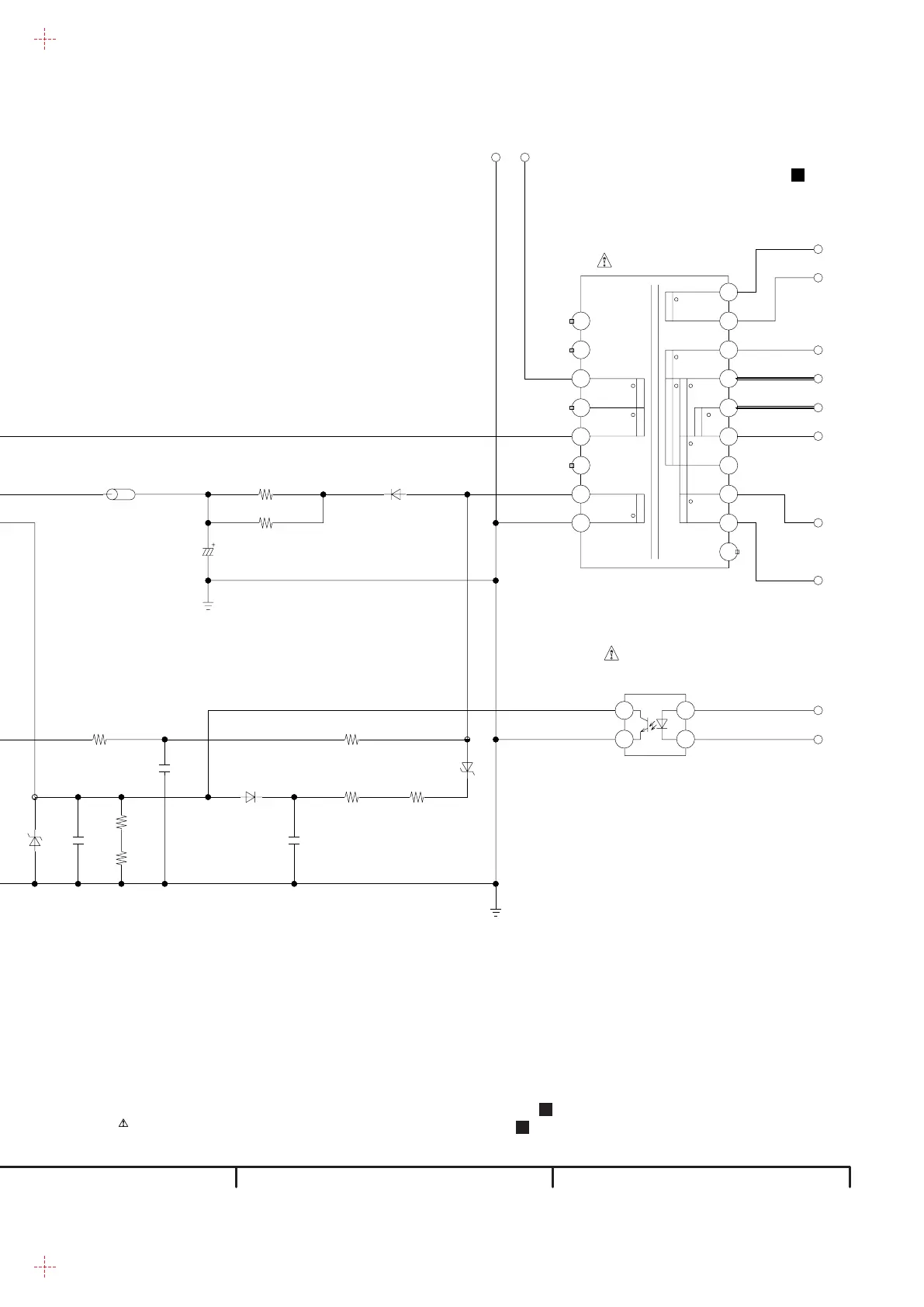
13.4. Power Supply (3/4) Section (Power & Digital I/F P.C.B.(1/2)) Schematic Diagram (P)
1
2
50V
C11311
ECJGVB1H392K
1
2
20K[G][22]
R11308
1
2
R11309
1K[G][22]
1
2
MAZ73000BC
D11303
1
2
50V
C11308
ECJGVB1H102K
1
2
R11322 10[22]
1
2
R11321
10[22]
1
2
D11305
B0AADM000003
1
4
3
2
4
3
1
2
Q11301
#B3PBA0000402
B3PBA0000237
1
2
R11323
12K[22]
1
2
D11306
MAZ80820ML
B0BC8R100004
1
2
200[G][22]
R11324
1
2
R11325
5600[G][22]
1
2
MA2J11100L
D11304
2
1
C11310
F2A1V6800002
11 13 15 17 19 2018161412
24689 7 5 3
1813 1411 12 1715 16 19
4 35 29 78 6
20
T11301
G4D2A0000268
1
2
LB11301
J0JHC0000048
24
351
2 4
1 3 5
IC11301
C0DACZH00030
1
2
50V
C11309
330P[22]
1
2
10K[22]
R11307
1
2
1kV
ECKW3A272KRP
F1B3A2720001
C11307
2700P[1KV]
P2
B1
P1
PT
or
B2
or
or
IC11202 RADIATION
VSC5606
XYN3+J8FJ
ZA11301
ZA11302
A B
11
10
8
7
6
5
4
3
2
1
54321
C
B
A
A
TO
POWER SUPPLY SECTION
(1/4)
NOTE:DO NOT USE THE PART NUMBER SHOWN ON THIS DRAWING FOR ORDERRING.
THE CORRECT PART NUMBER IS SHOWN IN THE PARTS LIST,AND MAY BE
SLIGHTLYDIFFERNT OR AMENDED SINCE THIS DRAWING WAS PREPARED.
DMR-EH75VP
Power Supply (3/4) Section
(Power & Digital I/F P.C.B.(1/2))
Schematic Diagram(P)
G
H
LOCATION MAP
1/4 2/4
3/4 4/4
WHEN REPLACING ANY OF THESE COMPONENTS.ONLY THE SAME TYPE.
COMPONENTS IDENTIFIED WITH THE MARK HAVE THE SPECIAL CHARACTERISTICS FOR SAFETY.
IMPORTANT SAFETY NOTICE:
P:Power Supply Section:(Page: )
A
IF:Digital I/F Section:(Page: )
B
71