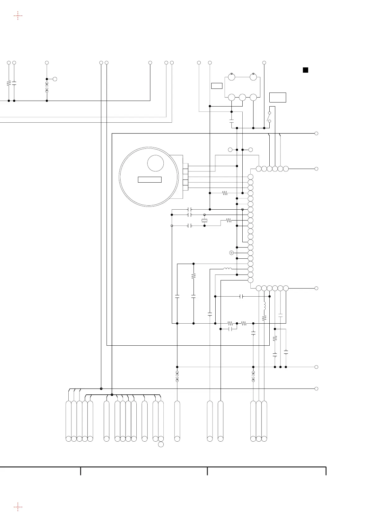
13.14. Syscon/Servo/Timer (3/4) Section (Main P.C.B.(3/4)) Schematic Diagram (S)
1
2
MAZ4180NMF
D7507
C6100
0.1
1
2
3300
R6201
1
2
50V
0.1[22]
C6019
1
TL101
47KR7538
10V
1uC7515
S13
S12
S14
1
2
220[D]
R7541
2 5 7 9 11 12108641
56214 810912117
BIAS_H
1
2
C6003
16V
0.1
1
2
K0C111A00006
S1531
1
TL6002
1
4
3
5
2
4
5
1
3
2
S1532
K0ZZ00000598
(MNS00650ZMB0)
1
TL6004
FM_MUTE_H
4
2
3
51
3
1
2
4
5
C0EBH0000172
(PST3142NR)
IC6002
1
2
K7502
1
2
R6101
1M
1
2
R6102
470
OSD_VIDEO_IN
BIAS_H
L12_SWIDE_B
L3_S1S2
DREC_H
L3_DET
FM_MUTE_H
AVR_L
MO_ST_BI
H_SW
A_H_SW
TRK_ENV
ART_V_H_N
ABS_NORM_L
FSC
SYS_GND
1
2
VWJ0795=12.5
K6099
1
2
10V
C6102
1u
1
2
R6002 1K
1
CL6013
1
2
VWJ0795=5
L6101
1
2
50V
C6008
470P
L2_DET
L2_V_IN
1
4
3
6
8
9
7
5
2
10
6
8
9
7
2
1
4
5
3
10
PS6001
TO FRONT (L) P.C.B.
K1KB10B00053
L2_IN_L
CPN_Y_IN2
L2_IN_R
CPN_C_IN2
1
2
H0D120500009
X6001
1
2
50V
0.01
C6009
1
2
1K
R6001
1
2
50V
22P
C6002
1
2
50V
18PC6001
1
2
50V
C6104
0.01
1
2
R6103
180
1
2
2200
R6017
1
2
16V
0.033[KB]
C6015
50V
1000PC6016
KILLER
OSD_GND
OSD_V_OUT
1
2
VWJ0795=5
K6098
1
2
50V
560P
C6103
1
2
G0C1R5JA0019
L6102
1
2
50V
0.01
C6101
51
49 4547 46 4144 42434850
30
39 37 35 32 3134 33363840
26
28
27
25
53
55
56
54
2952
1
2
50V
1000P
C6014
[29]CH_SW
[28]FM_MUTE
[30]POS.SW4
BIAS[H]
PB X5[H]/
TAB SW
SAFETY
S_TAB[L]
[52]CVOUT
CVIN2
HLF
VHOLD
[53]OSD5V
[51]KILLER
GND
CPN_Y_IN2
POS.SW1
L2_LIN
L2SW
CPN_CIN2
L2_RIN
+5V[D]
F-
7G
NX
P15
1GB
P13
1GB
1GB
P12
P14
P16
POS.SW3
PFAIL
MODE SW
POS.SW2
12MHz.IN
RESET[L]
32KHz.IN
32KHz.OUT
I
GND
DUB_H
A
V
FSC.LPF
V
V
A
V
V
A
V
A
A
A
V
I
V
I
V
I
V
V
CVIN
V
V
V
SVHS[H]
KEY1
A
V
OSD[GND]
NUB[GND]
GND[OSC]
KEY2
L2_VIN2
32K.START[L]
OSD.FSC IN
12MHz.OUT
A C D E F G H I J K L M N O P Q R S T U V X
1
4
5
WB
3
2
C2CBHF000465
IC6001
54321
C
B
A
E
TO
SYSCON/SERVO
TIMER SECTION
(1/4)
NOTE:DO NOT USE THE PART NUMBER SHOWN ON THIS DRAWING FOR ORDERRING.
THE CORRECT PART NUMBER IS SHOWN IN THE PARTS LIST,AND MAY BE
SLIGHTLYDIFFERNT OR AMENDED SINCE THIS DRAWING WAS PREPARED.
DMR-EH75VP
Syscon/Servo/Timer(3/4) Section
(Main P.C.B.(3/4))
Schematic Diagram(S)
LOCATION MAP
1/4 2/4
3/4 4/4
V:Video Section:(Page: )
C
A:VHS Audio Section:(Page: )
D
S:Syscon/Servo/Timer Section:(Page: )
I:I/O Tuner Section:(Page: )
E
F
82