EasyManua.ls Logo

Panasonic DMR-EH75VP

Panasonic DMR-EH75VP
237 pages
To Next Page IconTo Next Page
To Next Page IconTo Next Page
To Previous Page IconTo Previous Page
To Previous Page IconTo Previous Page
Loading...
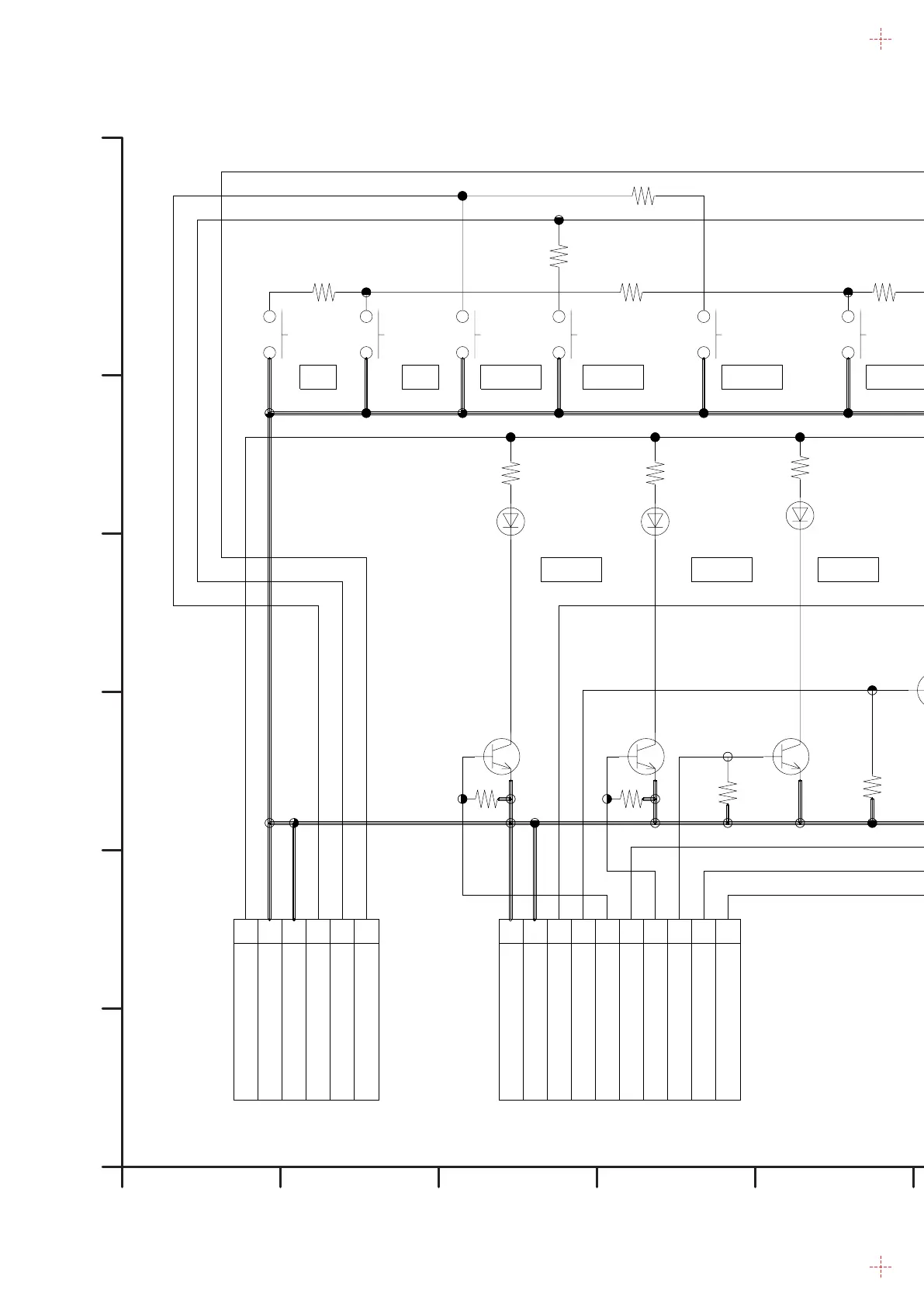
13.22. Front (R) Schematic Diagram
C7701
0.1
1
2
R7705
390
1
2
R7715
270
1
2
R7702
150
1
2
R7706
390
1
2
R7709
470
1
2
R7708
680
1
2
D7702
B3ADA0000173
1
2
D7704
B3ABA0000595
1
2
D7703
B3ACA0000273
1
2
D7706
B3AAA0000752
1
2
D7701
B3AEA0000082
2
3
1
Q7705
1
2
D7705
B3AEA0000069
1
2
R7712
8200
12
S7704
1
2
1500
R7704
12
S7711
12
S7710
12
S7709
12
S7705
12
S7706
12
S7707
1
2
R7701
2700
1
2
R7713
3900
1
2
R7707
2200
1500
R7714
12
S7708
12
S7701
R7711
18K
12
S7702
12
S7703
1
2
1500
R7703
21 3
PNA4618M13VT
IC7701
6
8
9
7
2
1
4
5
3
10
K1KA10B00196
PP7701
2
4
3
1
6
5
K1KA06B00150
PP7702
2
3
1
Q7706
2
3
1
Q7701
1
2
R7717
100K
1
2
R7716
100K
1
2
R7718
100K
220
R7710
2
3
1
Q7702
2
3
1
Q7703
1
2
R7721
100K
1
2
R7720
100K
2
3
1
Q7704
1
2
R7719
100K
D2V
HDD
OPEN/CLOSE
KEY2
GND
GND
SST6V
KEY1
H2D
IR
AD5V
PLAY
VHS
SD_I
V2H
DVD
SELECT
SD
STOPD2H
TO POWER &
DIGITAL I/F P.C.B.
TO POWER &
DIGITAL I/F P.C.B.
KEY3
H2V
GND
GND
V2D REC
DUB
SD_LED
DUB_LED
HDD_LED
DVD_LED
VHS_LED
SD_SEL_LED
S7701-S7711
EVQ11G07K
2SD0601A0L
2SD0601A0L
2SD0601A0L
2SD0601A0L
2SD0601A0L
2SD0601A0L
DMR-EH75VP
Front(R)
Schematic Diagram
10987654321
F
E
D
C
B
A
NOTE:DO NOT USE THE PART NUMBER SHOWN ON THIS DRAWING FOR ORDERRING.
THE CORRECT PART NUMBER IS SHOWN IN THE PARTS LIST,AND MAY BE
SLIGHTLYDIFFERNT OR AMENDED SINCE THIS DRAWING WAS PREPARED.
93

Table of Contents

Related product manuals