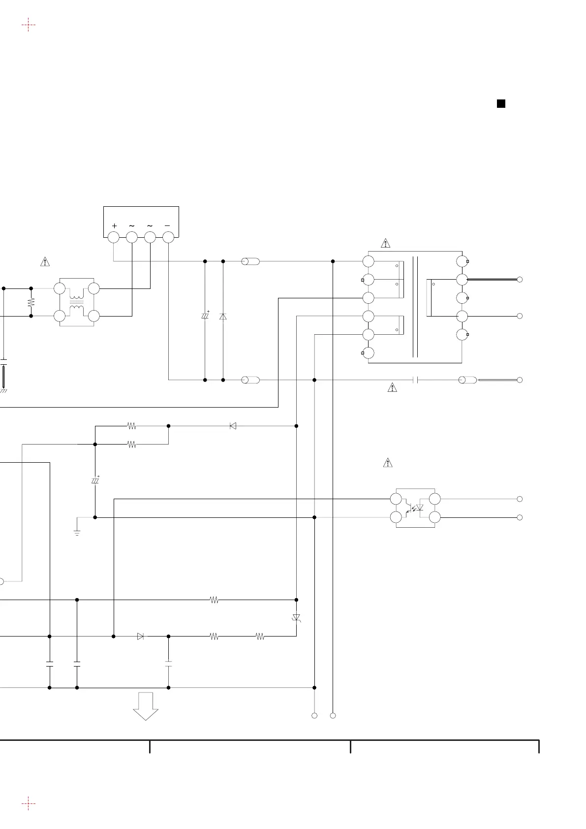
13.2. Power Supply (1/4) Section (Power & Digital I/F P.C.B.(1/2)) Schematic Diagram (P)
1
2
400V
C11109
#F1B2G1020002
1
2
J0JHC0000048
LB11103
1198 10
2465 3
12
1
9 11 12108
23 16 5 4
G4D2A0000267
T11101
1
4
3
2
4
3
1
2
#B3PBA0000402
Q11101
B3PBA0000237
1
2
R11219 10[22]
1
2
R11208 10[22]
1
2
B0AAGR000003D11102
2
1
F2B2E2210011C11108
1
2
LB11102
J0JKB0000003
1
2
J0JKB0000003
LB11101
1
2
B0AADM000003
D11210
1
2
9100[22]
R11220
1
2
50V
C11214
ECJGVB1H222K
1
2
R11222
360[G][22]
1
2
D11203
MA2J11100L
1
2
D11212
MAZ80910ML
B0BC9R000008
1
2
R11223
6800[G][22]
1
2
1500[G][22]
R11204
2
1
F2A1E1010103
C11213
1
2
R11101
ERDS1TJ474
470K[1/2W]
2
3 4
1
L11102
#G0B832L00001
G0B832F00003
1
2
50V
C11205
ECJGVB1H102K
1
2
50V
C11212
220P[22]
400V
C11104
#F1B2G4710001
Not specified DC
ECQU2A223MLA
#ECQU2A223MLC
C11106
1
2
10K[22]R11202
1
2
J0JHC0000048
LB11201
1
2
R11201 47K[22]
1
2
25V
C11204
0.1[KB][22]
1
2
400V
#F1B2G4710001
C11105
1
2
MAZ73000BC
D11201
1
2
13K[G][22]R11203
2431
321 4
B0EBKT000008
D11101
400V
C11102
#F1B2G1010001
1
2
P11101
K2AB2B000008
K2AB2B000010
1
ZA11101
EYF52BCY
K3GE1ZA00010
ERZVA5V471
VA11101
1
ZA11102
EYF52BCY
K3GE1ZA00010
26
9
4
3
7
51
4962
1 375
C0DACZH00031
IC11201
1
2
MA2J11100L
D11205
1
2
50V
C11211 ECJGVB1H102K
1
2
1kV
C11201
ECKW3A472KRP
4700P[1KV]
F1B3A4720013
2
3 4
1
G0B832F00003
L11101
#G0B832L00001
Not specified DC
C11101
ECQU2A104MLA
#ECQU2A104MLC
400V
C11103
#F1B2G1010001
or
N
or
A
or
K5D202BK0005
K5D202BLA013
F11101
250V2A
SEE THE
or
SERVICE MANUAL
(UL RECOGNIZED)
Ns12
or
B1
P1
P2
PT
B2
or
or
VSC5606
or
XYN3+J8FJ
IC11201 RADIATION
ZA11202
ZA11201
or
or
or
2
3
4
5
1
A B
54321
C
B
A
TO
POWER SUPPLY SECTION
(3/4)
NOTE:DO NOT USE THE PART NUMBER SHOWN ON THIS DRAWING FOR ORDERRING.
THE CORRECT PART NUMBER IS SHOWN IN THE PARTS LIST,AND MAY BE
SLIGHTLYDIFFERNT OR AMENDED SINCE THIS DRAWING WAS PREPARED.
DMR-EH75VP
Power Supply (1/4) Section
(Power & Digital I/F P.C.B.(1/2))
Schematic Diagram(P)
A
LOCATION MAP
1/4 2/4
3/4 4/4
WHEN REPLACING ANY OF THESE COMPONENTS.ONLY THE SAME TYPE.
COMPONENTS IDENTIFIED WITH THE MARK HAVE THE SPECIAL CHARACTERISTICS FOR SAFETY.
IMPORTANT SAFETY NOTICE:
P:Power Supply Section:(Page: )
A
IF:Digital I/F Section:(Page: )
B
69