EasyManua.ls Logo

Panasonic DMR-EH75VP

Panasonic DMR-EH75VP
237 pages
To Next Page IconTo Next Page
To Next Page IconTo Next Page
To Previous Page IconTo Previous Page
To Previous Page IconTo Previous Page
Loading...
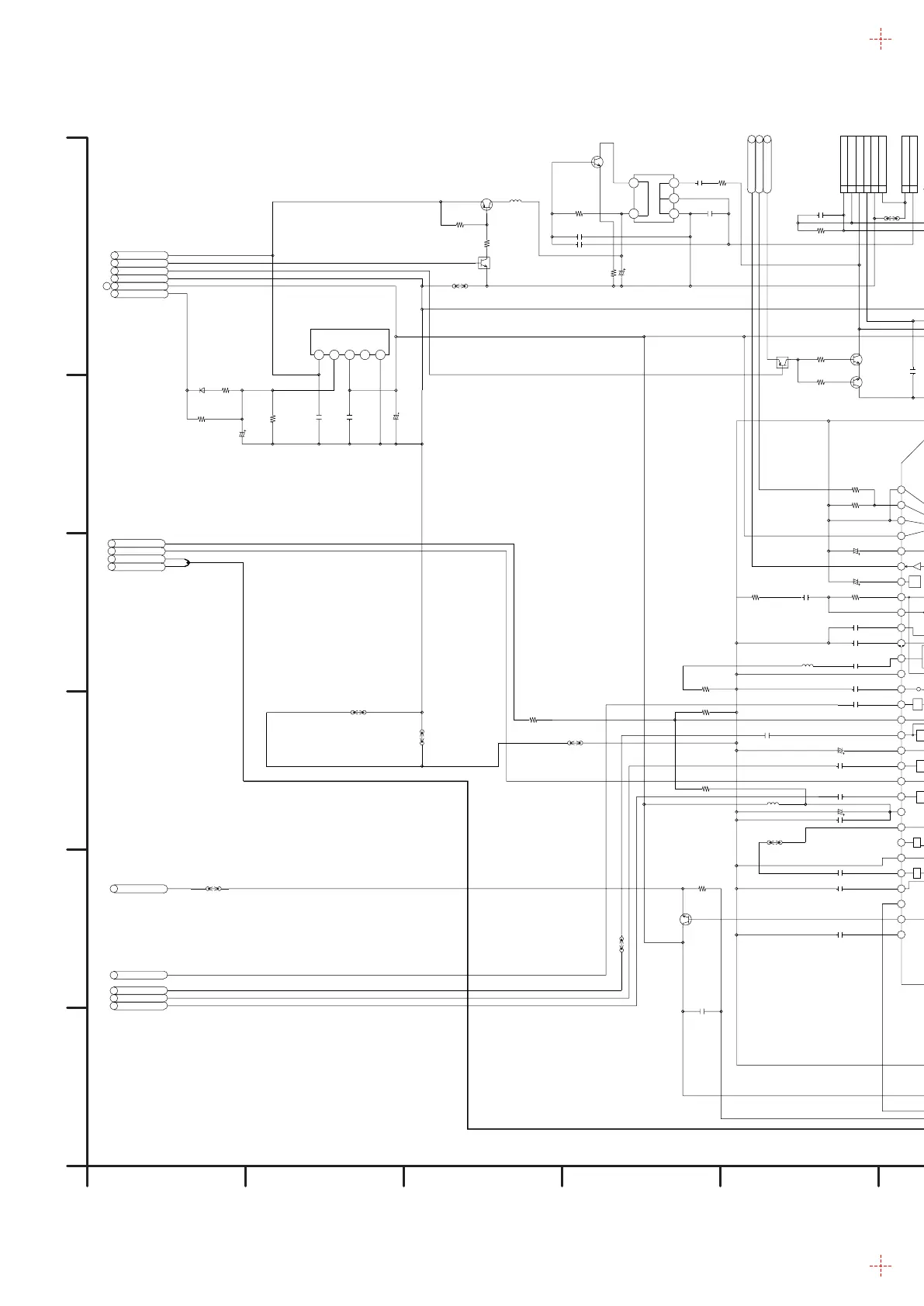
13.10. Video Section (Main P.C.B.(1/4)) Schematic Diagram Schematic Diagram (V)
A_5V
1
2
6.3V
C3009 1u[KB]
2
1
C3008 F2A1H4R7A234
1
2
6.3V
C3010 1u[KB]
2
1
C4019 16V10
1
2
R3002 6200
R4005
1K
R4001
1K
1
2
R4012 22K
1
2
R4011 15K
1
2
50V
C2099 680P
1
2
R2099 6800
2
1
C4017 16V10
1
2
16V
C3002 0.1[KB]
3
1
Q4001
2SD114900L
1
2
15KR4006
1
2
10K
R4007
1
2
0.01
C4013
50V
2
1
C4006
50V4R7
2
1
C4008 50V3R3
R4008
330K
C4012 50V4R7
C4011 0.01[KB]
1
2
R4003 15K
C4005
6V22
2
1
C4009
6V33
1
2
50V
C5001 0.01[KB]
1
2
R4004 270
1
2
K3027 VWJ0795=5
1
2
50V
0.01[KB]C5003
1
2
50V
C5002 0.01[KB]
1
2
50V
C4004 1800P
1
2
50V
1800PC4007
16V
C3003 0.1[KB]
3
1
Q4002
2SD1819A0L
H_SW
CTL_HEAD_M
1
1
2
2
K1KB02A00035
P4001
CTL_HEAD_P
AR
AL
A_GND
A_COM
TRK_ENV
1
3
5
7
9
8
6
4
2
3
2
6
7
4
5
1
9
8
P3001
#K1MN09A00022
K1MN09A00029
1
3
5
6
4
2
2
4
3
1
6
5
K1MN06A00033
P4002
TO A.C.Head
TO F.E.Head
K4081
1
2
16V
C3006 0.1[KB]
1
2
6.3V
C3007 1u[KB]
1
2
50V
C3005 22P
C3033 0.1[KB]
1
2
R3013 10K
C3028 F2A1H4R7A234
2200
R3035
1
2
16V
0.1
C5007
1
VEE0U97
J1
FM_GND
1
2
K3024 VWJ0795=7.5
1
2
K3009 VWJ0795=22.5
1
2
50V
0.01[KB]C5004
2
1
C5006
F2A0J101A245
1
2
15KR3009
IIC_DATA
IIC_CLK
VWJ0795=5
TW3001
1u[KB]
C5008
68u
L5001
1
2
R3014 1K
1
2
47K
R3037
C3044
0.1[KB]
3
1
Q3001
2SD1819A0L
2
1
C3032 F2A1H4R7A234
1
2
25V
C3030 0.022[KB]
2
1
C3029 F2A1HR47A234
1
2
16V
C3031 0.033[KB]
2
1
C3034 F2A1H2R2A234
1
2
50V
C3035 4700P
1
2
#H0D357400067
H0D357400068
X3002
1
2
16V
0.1
[KB]
C5005
2
1
C3012 F2A0J470A245
1
2
16V
C3011 0.1[KB]
1
2
R3017
1K
2
27uL3005
1
2
16V
C3037 0.1[KB]
1
2
G1C120JA0036
L3006
2
1
F2A1H1R0A234C3039
2
C3036 F2A0J470A245
1
2
50V
C3038 4P
3
1
UNR511100L
QR4001
L3002 270u
1
2
150P
C3001
50V
1
2
K3016
1
2
16V
0.1[KB]C3019
2
1
C3020 F2A1H3R3A234
1
2
16V
C3017 0.1[KB]
1
2
16V
C3014 0.1[KB]
1
2
C3080 0.01
1
2
16V
C3050 0.1[KB]
1
2
K3008
1
2
6.3V
1u[KB]C3015
1
2
16V
0.1[KB]C3074
C3025 0.01
1
2
K3010
1
2
50V
C3041
0.01
1
2
50V
0.01
C3040
1
2
VWJ0795=7.5
K3007
OSD_GND
K3006
VWJ0795=12.5
SYS_GND
ART_V_H_N
KILLER
FSC
R3030
6R8M
C3024 330P
2
1
C3021 F2A1V100A184
1
2
50V
C3023 0.01[KB]
68u
L3004
98
100
99 92 9194 939697 95
61
60
8587 8690 89 88
63
62
8283
65
64
67
66
69
68
71
70
73
72
75
74
80
77
78
76
79
8184
58
59
56
57
54
55
52
53
39 4037 3835 3633 3431 32 504947 4845 4643 4441 42
51
29
2
3
1
5
7
9
8
6
4
27
23
24
19
20
15
16
11
12
10
14
13
18
17
22
21
26
25
28
30
C1AB00002083
IC3001
C4086
0.033
OUT_NORMAL
1
2
10K
R4081
1
2
50V
470P[KB]
C4082
1
2
R3022 3300
1
2
R3021 2200
1
2
R3032 3900
IIC_DATA
SVHS_PB_H
IIC_CLK
AVR_L
1
2
K3003 VWJ0795=7.5
1
2
R4082 3300
G0C221KA0065
L4081
X_SW_5R8V
BIAS_H
2
3
1
2SB0710A0L
Q4084
JC_PON
JC_REG5V
1
2
R4087
2200
1
2
K4001
VWJ0795=5
6800
R3010
1
2
6.3V
1u[KB]C3051
2700
R3005
R3006
1K
1
2
D3001
B0AACK000004
1
2
C3043
6.3V
F1J0J106A014
2
1
6V47
C3042
24531
421 3 5
IC3002
C0CBCDG00006
1
C3052
F2A1A470A388
1
2
2200
R4086
DREC_H
REF_GND
2
3
1
QR4082
UNR521300L
1
2
R4083
0
2
3
1
Q4082
2SD0602ARL
50V
C4084 1800P
C4081 0.022
C4083
6V47
4
23
6
1
4
321
6
G2A472C00003
T4081
1
2
1500
R3023
1
2
K3011
VWJ0795=15
1
2
VWJ0795=12.5K3005
C3048 0.01[KB]
1
2
27uL3003
IN_NORMAL
1
2
R3001
1500
OSD_VIDEO_IN
1
2
K3004
TUN_V_IN1
MIX_V_OUT
L3_VY_IN
L3_C_IN
1
2
K3022
2
3
1
2SD1819A0L
Q3004
C3053
0.1[KB]
1
2
330
R3031
S
GND
NC
FULL E
FULL E
CTL HEAD[+]
A
A
A
GND[E]
A E IN
A HEAD[W]
A HEAD[R]
CTL HEAD[-]
V IN
ON H
V OUT
S
S
IS
S
S
S
S
S
S
S
VIDEO ENVE
FM_MUT
or
MESECAM
Det
MIX LEVEL
SW37
ADJUST
REC
SW44
DET
DET
Mute
SP2
LPF
B.E
L-SECAM
SW39
CCD
CONT
Color Level
EVVDETHPF
P
R
SW50
DETERTOR
Killer
C-ACC:ON
SW35
C-ACC
Chroma
ACC
L-SECAM
L-SECAM
SW36
REG APC
TANK
CR DET
COMO
B-Y Invert
X-tal
VCO/OSC
ACC
VCA
SW40
INT
SP
SW48SW49 SW47
CH1
SP2
SP2
SP2
SW41
CH2
SW43
SP2
SP
EXT
INT
SW38
R
HPF
2MLPF
L-SECAM
SP2
CH1
SP2
SW45
CH2
SW42
SW46
SP2
EXT
P
SW25
SD
P
R
SW34
fh HPF
CTL Trap
SD
6dBAMP
De-Emph
+SSEQ
SW17
Delay Y-LPFSQPB EQ N.L.
C-Sque lch
P
SVHS+L-SECAM
SW15
P
C.K
L-Det
R
LPF
C-CCD
R
SW30
SW29
R P
CCD
CLPF2
SW33
CLPF1
4Phase
2fsc
Y-CCD
Down
LCVCO
Clock Driver
Conv
ACC Dst REC AFCDiscri
Control
Mode
VCA
P
ACC Det
ACC SW
CCD-CONT
Chroma
SW51
B.DC.K NP Conv
SW26
Pilot
R*L-SECAM Pilot
Add
INT
EXT BPF
P
PR
P
SW27
Erase
Main
Conv2 Conv1
Main
R PR
elay
C-D
MPAL
DELAY
4.43PAL
SW32SW31
APC SW
PB APC
HIFI TRAP
REC TRAP
Main Emphasis
SW1
SW7
SW10
fo/DevAdj
W.C/D.C
REC
EQ
ON
SW2
EP
FM MOD
R
P
SW11
DET
Carrier Offset
SW6
P
De Emphasis
Main
REC FBG+ALC
DEMO
DLIM
PB AGC+APL
SUB LPF
Gap
Band
SW13
G-EQ
SW3
629
TRAP
SW5
FM AGC
SQPB
SW12
SQPB
fh
SPON
TRAP
Audio ALC
SW4
P
SW8
R
SW9
DL
R
REC
ON
PREAMP
P
P-EQ
DET
REC
Filter
HP-NC
PC
R
SW18
TRAP-NC
Video AGC
N.L
D0/REC
GCL
D0
SW24
R*SVHS R*SDECK
GCL
PR
SW52
YNR
GCL
P
SW20
R
ATT
R
-6DB
-4DB
ATT
ATT
Sep R*SDECK
Sque
35PinGCL
GCL
R*SDECK
SW22
GCL
ATT
-10DB
ATT
-10DB
R*SDECK
Sync
Clamp
Video ALC
SW23
Sync
PG Clear
R*SDECK
PGFeed Back
ATP
SW21
V-AMP
lch
AGC DetPG
SW16
-10DB
D0
Det
S-Det
R
SECAM
SVHS+L-SECAM
SQPB
LPF
Emph
SQPB
SW19
DEH ET LPF
SW14
A
A
A
A
A
A R
TO CYLINDER
S
S
S
S
A L
SP L
SP R
LP EP L
LP EP R
or
LP EP COM
A COM
SP COM
S
A
S
S
S
I
I
I
I
II
S
DMR-EH75VP
Video Section (Main P.C.B.(1/4)) Schematic Diagram(V)
10987654321
F
E
D
C
B
A
C
NOTE:DO NOT USE THE PART NUMBER SHOWN ON THIS DRAWING FOR ORDERRING.
THE CORRECT PART NUMBER IS SHOWN IN THE PARTS LIST,AND MAY BE
SLIGHTLYDIFFERNT OR AMENDED SINCE THIS DRAWING WAS PREPARED.
V:Video Section:(Page: )
C
A:VHS Audio Section:(Page: )
D
S:Syscon/Servo/Timer Section:(Page: )
I:I/O Tuner Section:(Page: )
E
F
78

Table of Contents

Related product manuals