EasyManua.ls Logo

Panasonic DMR-EH75VP

Panasonic DMR-EH75VP
237 pages
To Next Page IconTo Next Page
To Next Page IconTo Next Page
To Previous Page IconTo Previous Page
To Previous Page IconTo Previous Page
Loading...
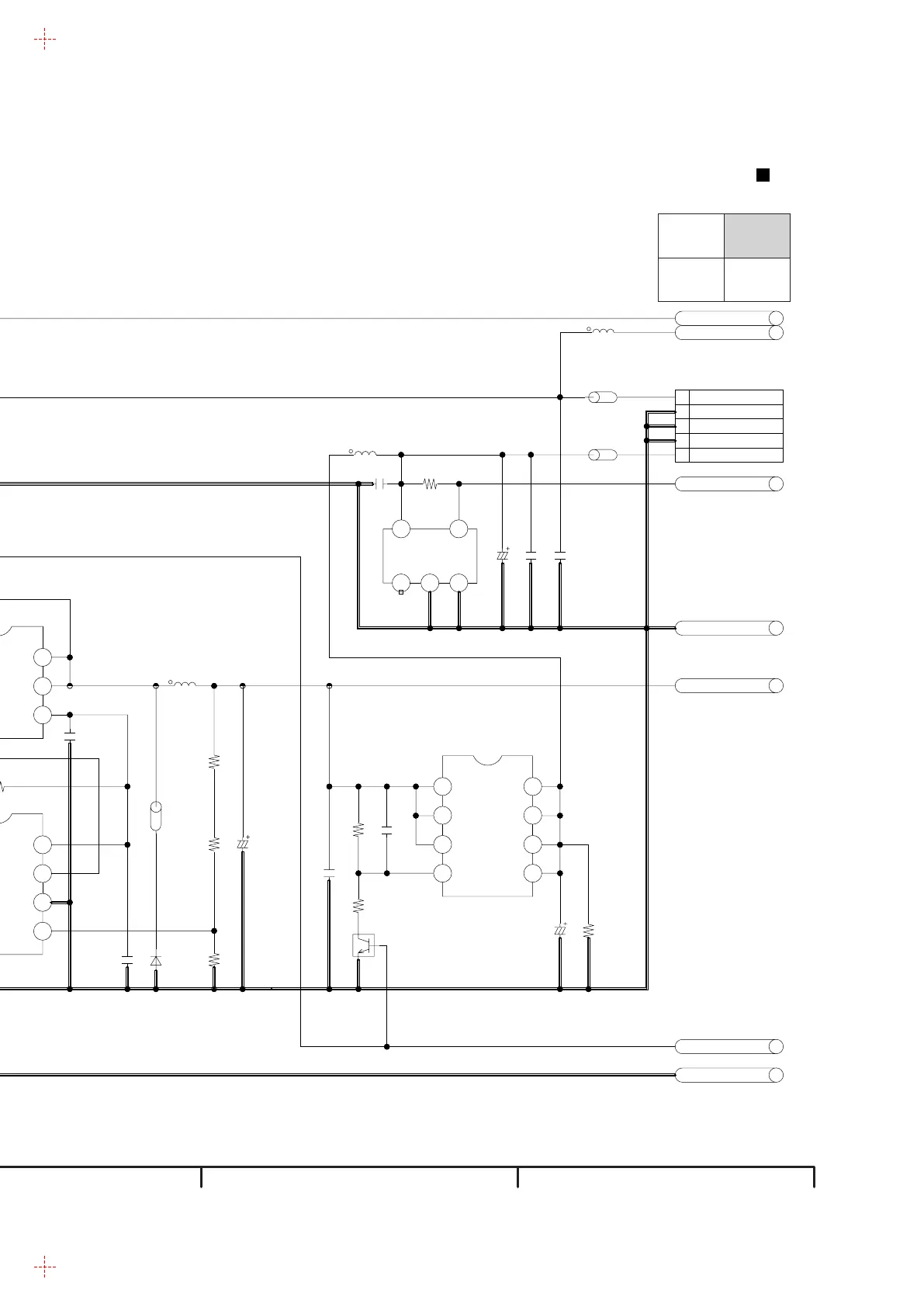
13.3. Power Supply (2/4) Section (Power & Digital I/F P.C.B.(1/2)) Schematic Diagram (P)
2
3
4
5
1
1
2
B0JCNG000003
D11402
1
2
D11401
B0JCNG000003
1
2
R11506
2400[22]
1
2
1K[22]
R11509
1
2
R11507
1K[22]
DR_PON_H
MGND
1
2
R11612
8200[22]
1
2
R11513
300[G][22]
1
2
R11606
15K[0.5%][22]
1
2
15M[36]D1BFR0150001
R11605
2
1
G0A100HA0023
L11602
2
1
F2A1C1210017
C11604
DR12V
MECHA_12R5V
1
2
16V
F1K1C106A062
C11617
2
1
C11615
F2A1C4710079
1
2
6.3V
C11616 F1J0J106A014
1
2
50V
0.01[22]
C11612
2
1
L11604
G0A100HA0023
4
2
3
5
1
3
1
2
4
5
C0EBJ0000143
IC11602
1
2
R11609
47K[22]
HDD_PFAIL
DR_GND
1
3
5
4
2
2
3
1
5
4
K1KA05AA0180
P11602
1
2
LB11602
J0JHC0000048
2
1
G0A220GA0026
L11601
1
2
J0JHC0000048
LB11603
DR5V
1
2
16V
C11601
F1K1C106A062
2
1
G0A150ZA0041
L11603
G0A150ZA0030
54
23
6
1
12
5 6
3
4
Q11602 B1DHDD000022
2
1
L11401
G0A100H00025
2
1
F2A1C5610006
C11403
F2A1C5610004
2
3
1
QR11601
UNR521300L
7
5
6
243
8
1
6 75
24 3
8
1
B1DHED000008
Q11601
1
2
4700[22]
R11601
1
2
R11602
4700[22]
1
2
16V
C11618
F1J1C105A091
1
2
910[0.5%][22]
R11607
1
2
16V
C11619 F1J1C105A091
1
2
10K[22]
R11610
1
2
50V
C11608
180P[22]
1
2
R11514
9100[G][22]
1
2
82K[22]R11611
2
1
C11613 F2A1C4710079
1
2
16V
C11620
F1J1C105A091
1
2
J0JHC0000048
LB11601
2
3
1
UNR521300L
QR11603
7
5
6
243
8
1
6 75
24 3
8
1
B1DHED000008
Q11603
1
2
D11505 MA2J11100L
2
1
C11401
F2A1C2220080
1
2
R11511
10K[22]
1
2
25V
0.1[KB][22]
C11512
1
2
25V
ECJ2VB1E473K
C11513
1
2
R11608
5100[0.5%][22]
2
1
F2A1A4700041
C11621
1
2
R11613
1K[22]
1
2
R11604
51K[22]
7
5
6
243
8
1
6 75
24 3
8
1
C0DBAZZ00131IC11601
1
2
25V
C11607 0.1[KB][22]
2
3
1
QR11604
UNR521300L
1
2
25V
C11606 0.1[KB][22]
1
2
50V
C11610 ECJGVB1H103K
1
2
D11602 B0JCPD000021
1
2
16V
F1J1C105A091C11605
2
3
1
UNR521300L
QR11602
2
1
F2A1C1210017C11603
1
2
R11510
56K[G][22]
1
2
R11512
2400[G][22]
321
A R
3 2
C
1
IC11502
#C0DAEMB00003
C0DAEJC00006
DR5V
DR_GND
DR12V
DR_GND
(TO HDD)
DR_GND
IF
IF
IF
IF
IF
IF
IF
D
D
D
D
S
S
S
G
G
V5
D
D
D
S
D
D
S
S
GD
EXT
S
or
D
D
CSVIN
CC
FB
GND
VREF
or
or
C D
NOTE:DO NOT USE THE PART NUMBER SHOWN ON THIS DRAWING FOR ORDERRING.
THE CORRECT PART NUMBER IS SHOWN IN THE PARTS LIST,AND MAY BE
SLIGHTLYDIFFERNT OR AMENDED SINCE THIS DRAWING WAS PREPARED.
109876
A
TO
POWER SUPPLY SECTION
(4/4)
DMR-EH75VP
Power Supply (2/4) Section
(Power & Digital I/F P.C.B.(1/2))
Schematic Diagram(P)
LOCATION MAP
1/4 2/4
3/4 4/4
P:Power Supply Section:(Page: )
A
IF:Digital I/F Section:(Page: )
B
70

Table of Contents

Related product manuals