EasyManua.ls Logo

Panasonic DMR-EH75VP

Panasonic DMR-EH75VP
237 pages
To Next Page IconTo Next Page
To Next Page IconTo Next Page
To Previous Page IconTo Previous Page
To Previous Page IconTo Previous Page
Loading...
11
10
8
7
6
5
4
3
2
1
C D
1
2
100[G][22]
R11708
1
2
R11803
220[0.5%][22]
1
2
27M[36]
R11802
D1BFR0270001
1
2
R11709
2400[G][22]
1
2
LB11702 J0JHC0000048
1
2
LB11701 J0JHC0000048
GND
1
2
R11720
100[D]
1
2
D11721
B0EAKL000062
-29V
1
2
D11722
1
2
D11720
B0EAKL000062
2
1
F2A1A6810022
C11709
F2A1A6810024
X_SW12R5V
X_SW6V
1
2
D11706 B0JAQE000004
1
2
B0JCNG000003D11701
1
2
D11705
B0JAME000025
1
2
B0AADM000003
D11704
2
1
F2A1C1210017
C11705
2
1
F2A1H5600018
C11706
2
1
L11701
G0A100HA0023
1
2
1
2
K5H1022A0011
IP11702
2
1
F2A1A2220055C11701
1
2
1
2
IP11703
K5H1022A0011
1
2
390[22]
R11701
1
2
R11702
1K[22]
1
2
R11703 3300[22]
UNREG36V
2
1
G0A220ZA0030
G0A220ZA0041
L11801
D3R8V
54
23
6
1
12
5 6
3
4
Q11801 B1DHDD000022
2
1
VWJ0795=5
L11705
2
1
G0A100HA0023
L11704
D12V
1
2
22K[22]
R11704
1
2
2400[G][22]
R11706
2
1
F2A1H5600018
C11704
2
1
F2A1C5610006
C11703
F2A1C5610004
321
A R
3 2
C
1
C0DAEJC00006
#C0DAEMB00003
IC11701
1
2
25V
C11711
0.1[KB][22]
1
2
820[G][22]
R11707
1
2
25V
C11712
ECJ2VB1E473K
2
1
L11703 G0A100HA0023
1
2
J0JHC0000048
LB11703
2
1
F2A1C1210017
C11707
1
2
D11703 B0AADM000003
1
2
R11801
51K[22]
1
2
25V
0.1[KB][22]C11803
1
2
16V
C11802 F1J1C105A091
1
2
25V
0.1[KB][22]C11804
1
2
50V
C11805
180P[22]
F+
1
2
R11805
5600[0.5%][22]
1
2
50V
ECJGVB1H103K
C11722
1
2
16V
C11721
F1J1C105A091
1
2
50V
C11806
ECJGVB1H103K
1
2
D11801 B0JCPD000021
F-
1
2
12K[0.5%][22]
R11804
2
1
C11807 F2A1A6810022
F2A1A6810024
1
2
LB11801
J0JHC0000048
1
2
16V
F1J1C105A091C11720
1
2
R11807 470[22]
7
5
6
243
8
1
67 5
2 43
8
1
IC11720 C0CBCBD00048
2
1
7
5
6
243
8
1
6 75
24 3
8
1
C0DBAZZ00131IC11801
IF
ON[H]
NC
NC
IF
IF
or
or
V IN
IF
IF
IF
IF
CN
NC
GND
IF
IF
V OUT
H
H
or
or
or
DD
VREF
CC
G
VIN
V5
FB
S
CS
EXT
GND
DD
109876
A
TO
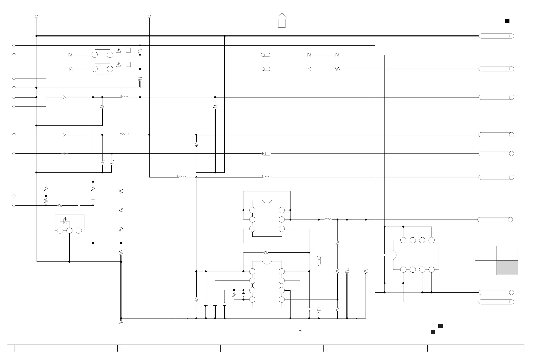
POWER SUPPLY SECTION
(2/4)
NOTE:DO NOT USE THE PART NUMBER SHOWN ON THIS DRAWING FOR ORDERRING.
THE CORRECT PART NUMBER IS SHOWN IN THE PARTS LIST,AND MAY BE
SLIGHTLYDIFFERNT OR AMENDED SINCE THIS DRAWING WAS PREPARED.
DMR-EH75VP
Power Supply (4/4) Section
(Power & Digital I/F P.C.B.(1/2))
Schematic Diagram(P)
LOCATION MAP
1/4 2/4
3/4 4/4
WHEN REPLACING ANY OF THESE COMPONENTS.ONLY THE SAME TYPE.
COMPONENTS IDENTIFIED WITH THE MARK HAVE THE SPECIAL CHARACTERISTICS FOR SAFETY.
IMPORTANT SAFETY NOTICE:
P:Power Supply Section:(Page: )
A
IF:Digital I/F Section:(Page: )
B

Table of Contents

Related product manuals