EasyManua.ls Logo

Panasonic DMR-EH75VP

Panasonic DMR-EH75VP
237 pages
To Next Page IconTo Next Page
To Next Page IconTo Next Page
To Previous Page IconTo Previous Page
To Previous Page IconTo Previous Page
Loading...
1
1
2
2
K1KA02A00375
P1531
1
2
R2501
1R2[22]
10K
R6019
1
CL6009
L3_DET
L12_SWIDE_B
L3_S1S2
1
2
50V
C6020
1000P[KB]
1
2
VWJ0795=5
TW2002
1
2
50V
C2519
0.01
C2055
0.1
3900P[KB]
C2054
K2598
VWJ0795=25
2
1
C6005 50V3R3[KS]
1
2
R1502 27K
1
2
R1501 27K
1
2
16V
C6012 0.1
1
2
R2520
18K
0.022[KB]
C2504
C2505
0.022[KB]
1
2
10V
C2513
1u
1
2
50V
1800P
C2508
R2521
1K
C2507
1000P[KB]
0.01
C2515
1
2
50V
0.01
C2518
1
2
100R2564
1
2
R2551 10K
1
2
R2561 1K
10V
C2003
1u
CTL_HEAD_P
K2597
1
3
5
7
8
6
4
2
5
6
1
3
4
2
8
7
K1KA08A00355
P2571
R2562
47K
2
1
C2571
16V220[M]
1
2
1K
R2563
1
2
R2552 10K
16V
0.047
[KB]
C2562
16V
C2551
0.047
[KB]
CTL_HEAD_M
1
2
16V
C2552
0.068
TO CAPSTAN DRIVE UNIT
[KB]
1
2
16V
0.068
[KB]
C2561
1
2
R6027 10K
1
2
R6009 10K
1
2
R6010 10K
1
2
R6028 10K
1
CL6007
1
2
R6026 10K
1
2
8200[D]
R2503
2
1
C2502
6V220
0.1[KB]
C2511
0.1[KB]
C2510
1
2
R2514
220
220
R2515
R2516
220
R2502
1R5[22]
2
1
C2509
16V22
R2565
100
1
2
6.3V
C6308
1u[KB]
0.22[KB]
C2506
1
2
D2502
MAZ4160NMF
15 17 2719 21 23 2422201816
14
8710 9 35642
26
1213 11
25
1
879 26
18 2719
13 1112 10
1514 1716
45 13 2
21 252322 24
6
20
C1AB00001767
IC2501
1
3
5
7
6
4
2
4
5
1
3
2
7
6
K1MN07A00019
(VJS3537E007G)
P2501
K1MN07A00020
0.1[KB]
C2512
C2501
0.1
2
1
16V10[KS]
C2053
C2052
F1J0J106A014
C2051
F1J0J106A014
1
CL6008
TL2015
D2001
1
TL2502
D2002
B0AACK000004
B0AACK000004
R2001
3900
1
2
16V
C6801 0.1
1
2
470K
R6803
1
2
50V
C2001
33P
1M
R2002
3
2
4
1
1
4
2
3
C0CBCDC00020
IC6301
1
2
220R6024
1
CL6014
1
CL6012
1
2
2200R6008
ABS_NORM_L
DREC_H
AVR_L
1
TL6010
1
2
R6004
10K
1
2
TW2001
VWJ0795=7.5
1
CL6010
MO_ST_BI
1
2
220R6020
ART_V_H_N
1
CL6011
1
2
R6006
18K
L3_CPS_H
SVHS_PB_H
IIC_DATA
COM_MUT_H
VHS_RXD
VHS_TXD
IIC_CLK
1
2
50V
C6011
12P
1
2
50V
C6010
12P
VHS_CLK
1
2
R6013 220
1
2
R6022 220
1
2
R6012 220
1
CL6004
1
CL6006
1
CL6005
1
CL6003
1
2
R6029 220
1
2
R6023 220
81
3
4
2
5
9894 959291 93 9796
1
100
99
80
78
76
77
79
8786 88 8982 848381 85 90
16
14
15
17
11
13
1269
67
65
64
66
68
70
22
23
20
21
24
18
19
57
62
60
59
61
63
58
75
73
71
72
74
9
7
6
8
10
C2CBHF000465
IC6001
TIMER_CS
HSW
ART.V/H/N
REMOCON
VIDEO.H.SW
TEST2
D.REC[H]
AVR[L]
TEST2
ABS_NORM
AUDIO.H.SW
VM2 M3
S_CASE
RNFOUT1
[1]L1L2SWIDEB
CTL.HEAD[+]
CTL.AMP.REF
[3]L3_S1S2
[4]L3_DET
[2]CODE
CTL.HEAD[-]
MO/ST/BI
TV_VCR
S-PHOTO
MECHA
M
LOADING M[-] LOADING M[-]
LOADING M[+] LOADING M[+]
5V[AD]
T-PHOTO
TRACKING_ENVE
PB.CTL.OUT
PB CTL
+5V[A]
CURRENT_LIMIT
[79]S.REEL.PULSE
IC.DATA.IN
IC.DATA.OUT
IC.DATA.CLOCK
PON[H]
CAP R/F
CAP.ET
IIC.CLK
VI
VI
A
V
A
IIC.DATA
COM_MUTE
[80]T.REEL.PULSE
EP(H)
V
OSD_PULSE
NUA[GND]
L3 CPS(H)
OSD_CH
V
SVHS_PB(H)
[77]CYL.ET
[78]P.FAIL[L]
PFG
VMFIN
M1OUT2
TL
EC
M GND
CAP R/F
5V
FG1
V
V
CAP VM
GND[FG]
CAP FG
ONVIN
CAP TL
VSSVOUT
VPP
M2
M3
GND
PG-
COM
EC
M1
PG-CT2
PG OUTCT1
CNF
PCI PG+
or
PG+
VCC
VG
GND
COMRIN
CST PFG
OPEF
FG.AMP.OUT
FG.AMP.IN
UNLOADING[H]
LOADING[H]
EX.FF/REW[L]
GND[A]
L GND M2
IREF
Y Z AA AB AC AD AE AF AK AL ANAM AO APAJAJAIAHAG
1
4
5
3
2
TO CYLINDER UNIT
109876
E
TO
SYSCON/SERVO/
TIMER SECTION
(2/4)
NOTE:DO NOT USE THE PART NUMBER SHOWN ON THIS DRAWING FOR ORDERRING.
THE CORRECT PART NUMBER IS SHOWN IN THE PARTS LIST,AND MAY BE
SLIGHTLYDIFFERNT OR AMENDED SINCE THIS DRAWING WAS PREPARED.
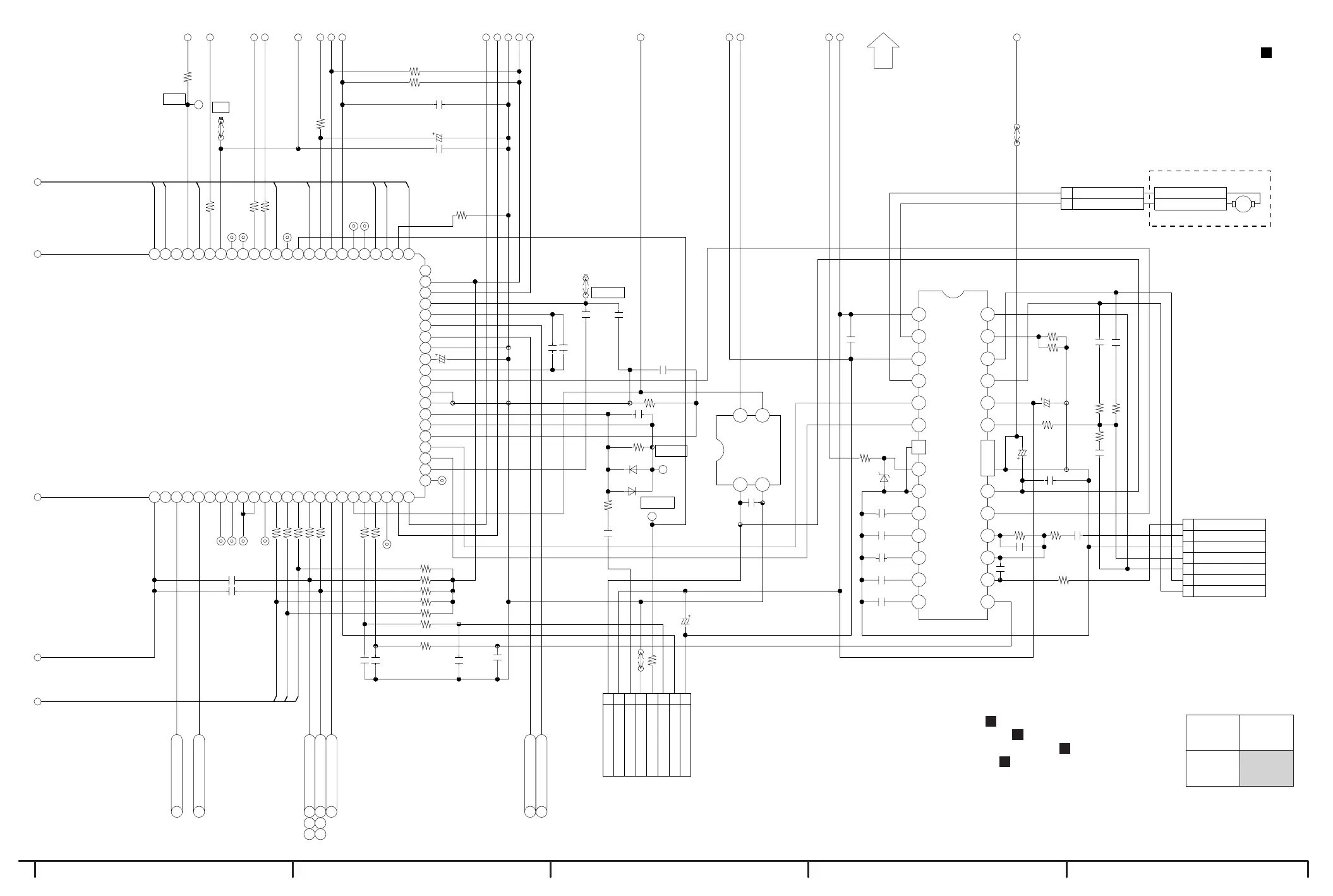
DMR-EH75VP
Syscon/Servo/Timer(4/4) Section
(Main P.C.B.(3/4))
Schematic Diagram(S)
LOCATION MAP
1/4 2/4
3/4 4/4
V:Video Section:(Page: )
C
A:VHS Audio Section:(Page: )
D
S:Syscon/Servo/Timer Section:(Page: )
I:I/O Tuner Section:(Page: )
E
F

Table of Contents

Related product manuals