EasyManua.ls Logo

Panasonic DMR-EH75VP

Panasonic DMR-EH75VP
237 pages
To Next Page IconTo Next Page
To Next Page IconTo Next Page
To Previous Page IconTo Previous Page
To Previous Page IconTo Previous Page
Loading...
+
+
Y/Py/G-SW
V-SW
Pr/R-SW
Pb/B-SW
Py/G-SW
Y-SW
V-SW
GCL
TUNER IN
VHS L1/L2 SW DET.
18
GCL
GCL
17
CL
CL
LPF
6.7M
ON
OFF
45
Y/V OUT VHS
+
V/Y-SW
V/Y-SW
V/Y-SW
C-SW
COMP
SEP
MIX
V/Y-SW
LPF
6.7M
ON
OFF
49
Y/V OUT DVD
L1
L2
TU
L1
L2
V-SW
V-SW
TU
COMP
SEP
DVDC
DVDY
C1
C2
C3
Y1
Y2
Y3
C1
C2
C3
Y1
Y2
Y3
C-SW
Y-SW
C-SW
Y-SW
LPF
6.7M
ON
OFF
C OUT DVD
51
-6/0CL
VIDEO IN
VTR OSD
1
2
S1/S2 DET3
Y
PY
13.5MLPF
6.7MLPF
LPF
6.7M
LPF
6.7M
DEC
756
Pb/B OUT
34
LPF
6.7M
DVD
VCR
DEC
DEC
DVD
VCR
756
DVD
VCR
DVD
VCR
C-SW
756
756
675
675
BIAS
S1/S2
675
C75 OUT
30
BIAS
CL
BIAS
CL
CL
CL
LPF
6.7M
DVD L1/L2 SW DET.
6
V1 OUT
Pr/R/C OUT
Py/G OUT
Y75 OUT
Y/C MIX
C75 SAG
DVD R/Pr IN
DVD B/Pb IN
DVD G/Py IN
DVD Y IN
DVD C IN
CONTROL
IIC-BUS
SDA
SCL
4
23
22
S1/S2 DET1
8
S1/S2 DET2
C2 IN
Y2 IN
Y1 IN
C/S DET2
C1 IN
VIDEO1 IN
C/S DET1
VIDEO2 IN
15
11
9
79
77
5
7
13
41
36
35
38
40
39
21
32
28
29
43
MUTE
P-ON
MUTE
P-ON
AGC
MUTE
6
6
P-ON
MUTE
P-ON
MUTE
6
6
P-ON
+
L CH
DVD
VCR
R CH
DVD
VCR
L CH
DVD
VCR
R CH
DVD
VCR
56
70
69
58
59
23
22
74
76
78
80
71
72
INTERFACE
IIC BUS
61
62
66
65
VCR
L1
L2
TU
L CH
INPUT
SELECTOR
SWITCH
INPUT
SELECTOR
SWITCH
VCR
L1
L2
TU
R CH
53
54
H
-
+
NOISE
GND
ON
VOUT
VIN
REFERENCE
BANDGAP
PROTECTION
THERMAL
54
321
VIN
CONT
VOUT
GND
CN
SHUTDOWN
THERMAL
LIMITTER
CURRENT
DRIVER
BIAS
REFERENCE
8
1234
567
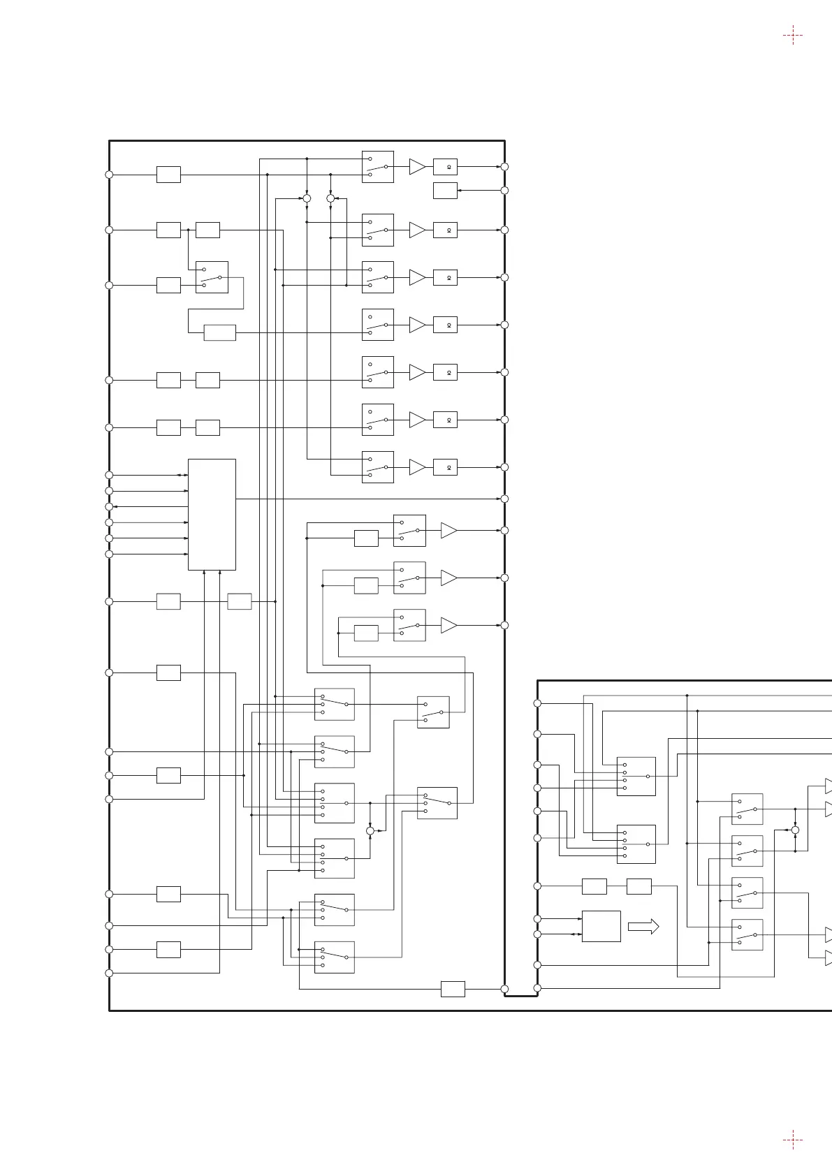
IC3701
VIDEO/AUDIO PROCESSOR
IC-DETAIL BLOCK DIAGRAM
IC4801
AU +9V SWITCHING REG.
IC-DETAIL BLOCK DIAGRAM
IC7402
TU +5V SWITCHING REG.
IC-DETAIL BLOCK DIAGRAM
IC7301
AUDIO MULTIPLEX DECODER
IC-DETAIL BLOCK DIAGRAM
IC3701 Detail Block Diagram
IC4801 Detail Block Diagram
IC7301 Detail Block Diagram
IC7402 Detail Block Diagram
DMR-EH75VP IC-Detail Block Diagram
L OUT
SIF INPUT
R OUT
30
29
MATRIX &
MODE SW
SIF DEMOD./SAP DEMOD./
WIDE BAND EXPAND/
SPE.EXPAND
21
89

Table of Contents

Related product manuals