EasyManua.ls Logo

Panasonic DMR-XW380EB

Panasonic DMR-XW380EB
122 pages
To Next Page IconTo Next Page
To Next Page IconTo Next Page
To Previous Page IconTo Previous Page
To Previous Page IconTo Previous Page
Loading...
21
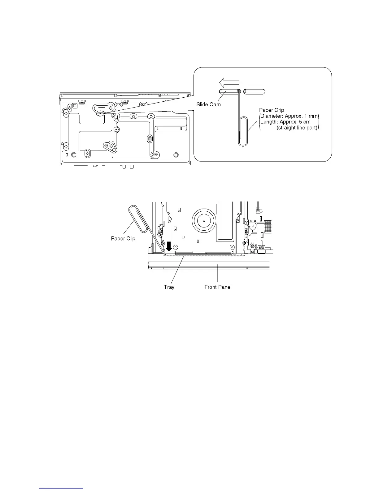
1. Turn off the power and pull out AC cord.
2. Remove the Top Case.
3. Put deck so that bottom can be seen.
4. Slide SLIDE CAM by Paper Clip or minus screw driver (small) in the direction of arrow to eject tray slightly.
5. Put deck upward, and push out Tray by Paper Clip or minus screw driver (small).

Table of Contents

Related product manuals