EasyManua.ls Logo

Panasonic MDDLN45BL - CS Signal Interface (When Twisted Pair Cable Is Used)

Panasonic MDDLN45BL
111 pages
Print Icon
To Next Page IconTo Next Page
To Next Page IconTo Next Page
To Previous Page IconTo Previous Page
To Previous Page IconTo Previous Page
Loading...
No. SX-DSV03335 - 49-
R2.0 Industrial Device Solution Business Unit, Panasonic Corporation
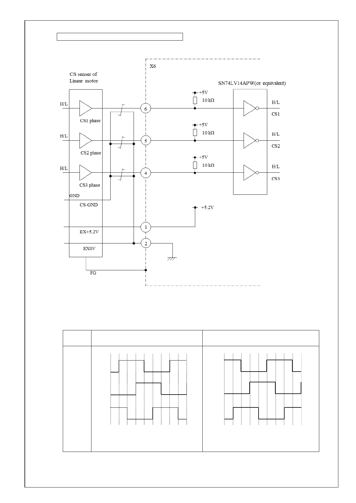
CS signal interface (when twisted pair cable is used)
CS signal direction
negative direction (count down)
positive direction (count up)
The
magnetic
pole
detection
signal
CS 1 advances 120 ° from CS 2
CS 2 advances 120 ° from CS 3
CS 3 advances 120 ° from CS 2
CS 2 advances 120 ° from CS 1
CS1
CS2
CS3
CS1
CS2
CS3

Table of Contents

Related product manuals