EasyManua.ls Logo

Panasonic MDDLN45BL - Wiring to Connector X5; A;B Phase Wiring Example of the Origin Signal Differential Input Type

Panasonic MDDLN45BL
111 pages
Print Icon
To Next Page IconTo Next Page
To Next Page IconTo Next Page
To Previous Page IconTo Previous Page
To Previous Page IconTo Previous Page
Loading...
No. SX-DSV03335 - 67-
R2.0 Industrial Device Solution Business Unit, Panasonic Corporation
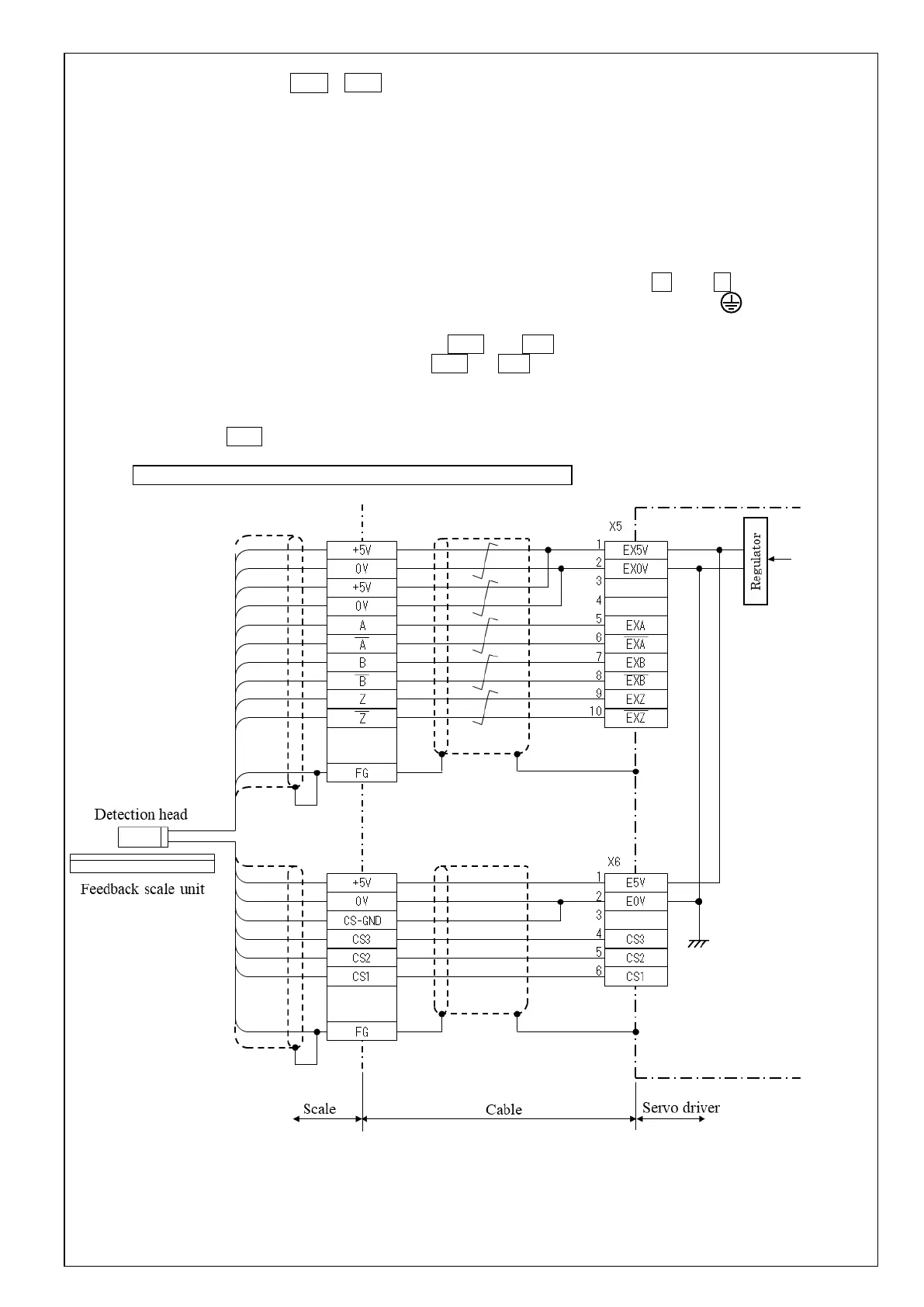
8-3-3 Wiring to connector X5 X6
[1] The core cable of the feedback scale cable should be a strand wire of 0.18 mm
2
or more.
Use a common shielded twisted pair wire.
[2] The core cable of the CS signal cable should be a strand wire of 0.18 mm
2
or more.
Use a cable with integrated shield (twisted pair wire is preferable).
[3] The maximum cable length is 20 m. When the wiring length is long, double wiring is recommended to reduce the
influence of voltage drop in the 5 V power supply.
[4] For CS signal connection interface, refer to Chapter 7 CS signal interface.
[5] Connect the ground of CS signal to E0V.
[6] Connect the outer sheath of the motor side shield wire to the shield wire shield from the feedback scale.
Be sure to connect the sheath of the shielded wire on the servo driver side to the X5 and x6 shell (FG).
[7] Keep the cables away from the wiring of the power lines (L1, L2, L3, L1C, L2C, U, V, W, ) as much as
ossible (at least 30 cm). Do not put them in the same duct or bind them together.
[8] Do not connect anything to empty terminals of X5 and X6 .
[9] The power supply that can be supplied from X5 and X6 is 5 V ± 5% 300 mA MAX. If you are using a
feedback scale with more current consumption, please prepare the power supply by the customer. Also, some
feedback scale may take time to initialize after turning on the power. Make a design so as to satisfy the operation
timing after supplying power.
[10] Wiring of X6 is unnecessary when magnetic pole position estimation function is used without using CS signal.
A/B phase Wiring example of the origin signal differential input type

Table of Contents

Related product manuals