EasyManua.ls Logo

Panasonic NV-DV2000 - Page 100

Panasonic NV-DV2000
170 pages
Print Icon
To Next Page IconTo Next Page
To Next Page IconTo Next Page
To Previous Page IconTo Previous Page
To Previous Page IconTo Previous Page
Loading...
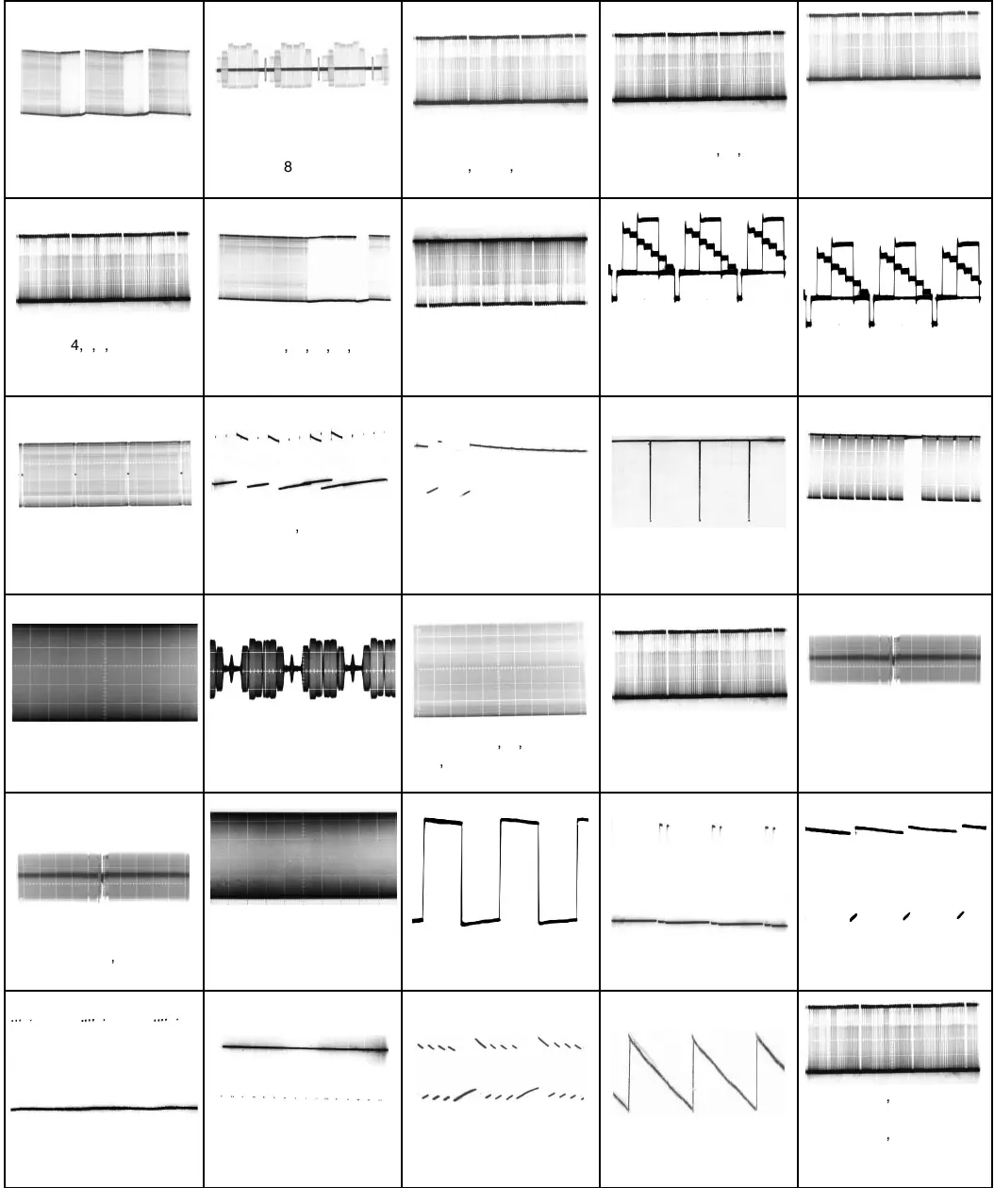
IC3002- 43 PLAY/REC
2.25Vp-p ( 5msec. div.)
IC3001- 165 PLAY/REC
0.6Vp-p ( 20usec. div.)
IC3004- 8 PLAY/REC
0.6Vp-p ( 20usec. div.)
IC3001-
68,69,70,72,73,74,75 REC
2.0Vp-p ( 20usec. div.)
IC3002- 30,32,33,35
PLAY/REC
2.0Vp-p ( 1msec. div.)
IC3002- 41 PLAY/REC
2.0Vp-p ( 5msec. div.)
IC3002- 91,93,94,96
PLAY/REC
2.0Vp-p ( 1msec. div.)
IC3003- 4,5,6,7,9,10,11,12
PLAY/REC
2.0Vp-p ( 1msec. div.)
IC3002- 44,46,80,82,83,85
PLAY/REC
2.0Vp-p ( 2msec. div.)
IC3003- 47,48,49,50
PLAY/REC
2.0Vp-p ( 1msec. div.)
IC3004- 23 REC
1.2Vp-p ( 20usec. div.)
IC3004- 29,30 REC
0.5Vp-p ( 20usec. div.)
IC3004- 35 REC
1.0Vp-p ( 20usec. div.)
IC3201- 59 REC
2.0Vp-p ( 1msec. div.)
IC3201- 62,63 REC
4.0Vp-p ( 5msec. div.)
IC3201- 67 REC
3.0Vp-p ( 0.5msec. div.)
IC3201- 64 REC
3.5Vp-p ( 5msec. div.)
IC3201- 65,66 REC
3.0Vp-p ( 1msec. div.)
IC3201- 151,152,153,154
REC
2.0Vp-p ( 20usec. div.)
IC3203- 59 REC
350mVp-p ( 0.5msec. div.)
IC3001- 8 REC
0.45Vp-p ( 20usec. div.)
IC3201- 62,63,64,65,
66,67,68 PLAY
3.0Vp-p ( 20usec. div.)
IC3201- 151,152,153,154
PLAY
2.0Vp-p ( 1msec. div.)
IC3203- 17,18 PLAY
150mVp-p ( 0.5msec. div.)
IC3203- 53 PLAY
0.4Vp-p ( 0.5msec. div.)
IC3203- 58,59,62 PLAY
250mVp-p ( 0.5msec. div.)
IC2001- 20 PLAY/REC
150mVp-p ( 0.1msec. div.)
IC2001- 21 PLAY/REC
0.6Vp-p ( 0.1msec. div.)
IC2001- 59 PLAY/REC
3.0Vp-p ( 0.5msec. div.)
IC2001- 60 PLAY/REC
3.0Vp-p ( 2msec. div.)
IC2001- 70 PLAY
3.0Vp-p ( 5msec. div.)
IC2001- 71 PLAY
3.0Vp-p ( 5msec. div.)
IC2001- 74 PLAY
3.0Vp-p ( 5msec. div.)
IC2001- 75 PLAY/REC
4.0Vp-p ( 10msec. div.)
IC2001- 70 REC
0.2Vp-p ( 5msec. div.)
IC3701- 130,131,132 PLAY
2.0Vp-p ( 1msec. div.)
IC3701- 130,131,132,133
REC
2.0Vp-p ( 0.5msec. div.)

Related product manuals