EasyManua.ls Logo

Panasonic PT-EW630UL

Panasonic PT-EW630UL
176 pages
To Next Page IconTo Next Page
To Next Page IconTo Next Page
To Previous Page IconTo Previous Page
To Previous Page IconTo Previous Page
Loading...
-110-
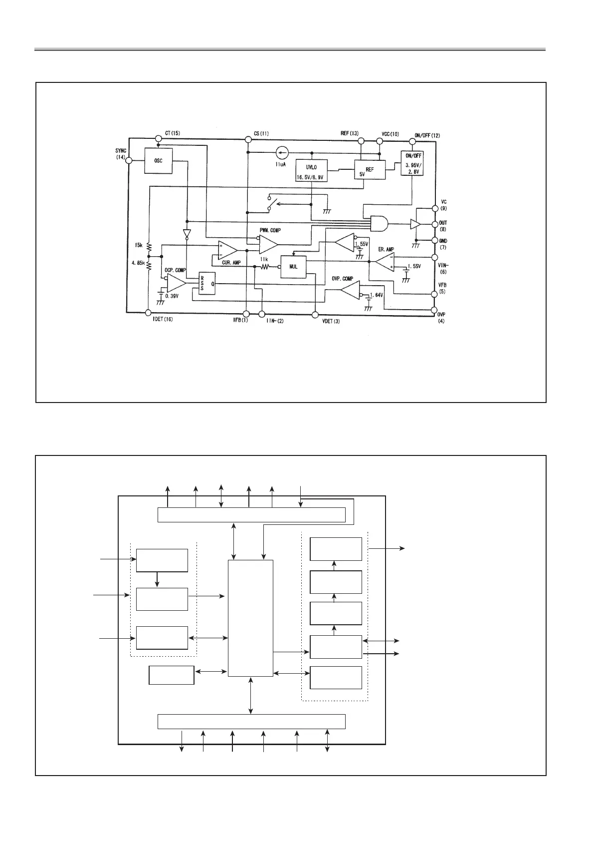
FA5502M <P.F. control, IC682>
IC Block Diagrams
IP00C783 <Keystone, IC2301>
SO SI
SCLK
SS*
CPU I/F
RST* SCL,SDA
MCS*
MRAS*
MCAS*
MDQM[3:0]
MA[11:0]
BA[1:0]
MD[31:0]
PID[35:0]
PICLK
PIVS*
PIHS*
MWR*
MCLKO
NCLK
POACT*
POVS*. POHS*
Memory I/F BLOCK for save image
Inside BUSII Control block
Bit
r revision
Image quality 
adjustment
V Image correction
H Image correction
Buffer Line
Image output 
control circuit
Image input
control circuit
Horizontal narrow
Read Image data

Table of Contents

Other manuals for Panasonic PT-EW630UL

Related product manuals