EasyManua.ls Logo

Panasonic PT-EW630UL

Panasonic PT-EW630UL
176 pages
To Next Page IconTo Next Page
To Next Page IconTo Next Page
To Previous Page IconTo Previous Page
To Previous Page IconTo Previous Page
Loading...
-116-
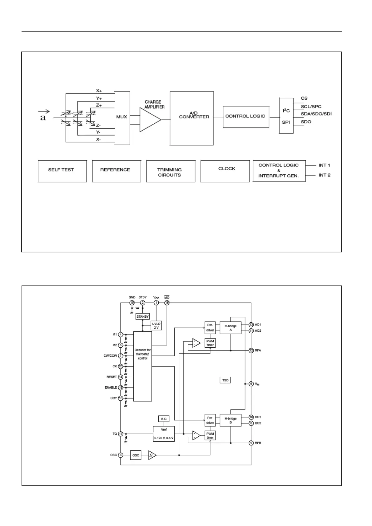
IC Block Diagrams
LIS331<360
0
G-Sensor, IC3850>
TB6608<IRIS Driver, IC601>

Table of Contents

Other manuals for Panasonic PT-EW630UL

Related product manuals