EasyManua.ls Logo

Panasonic SA-PM30MD - Page 39

Panasonic SA-PM30MD
102 pages
Print Icon
To Next Page IconTo Next Page
To Next Page IconTo Next Page
To Previous Page IconTo Previous Page
To Previous Page IconTo Previous Page
Loading...
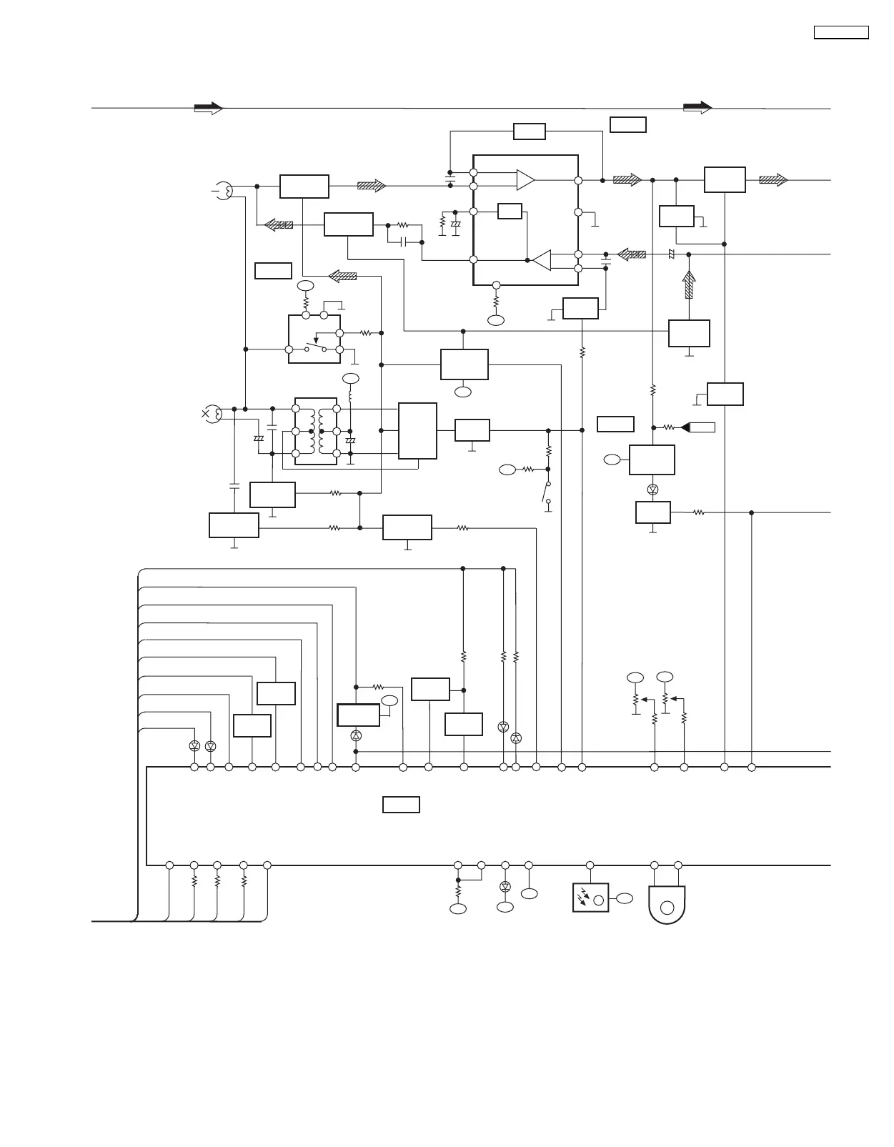
IC801
MN101C12GRB1
MICROPROCESSOR
IC1302
TA8142AP
PB/REC REC_AMP
-B
31
52
HEAD SELECT
(PLAY:ON)
+
HEAD SELECT
(REC:ON)
Q1101
(Q1201)
+B
+B
+B
+B
+B
+
OP
AMP
IC1303
BA4558FE2
SWITCH
(PLAY:ON)
Q1105
(Q1205)
Q1106
(Q1206)
SWITCH
N.F.
-
+
ALC
GND
3(6)
12
2(7)
1(8)
13
14(11)
16(9)
15(10)
+
-
VCC
5
TAPE
SELECT
Q1103
(Q1203)
Q1311,Q1317
SWITCH
(R/P SELECT)
Q1305~Q1307
BIAS OSC
CONTROL
Q1313
TAPE
SELECT
GNDVCC
2
4
3
51
L1301
Q1303
SWITCH
(REC:ON)
Q1302
SWITCH
(BEAT PROOF)
S973
(ATS/CrO2)
Q1310
SWITCH
(BEAT PROOF)
Q1102
(Q1202)
R/P
HEAD
(Lch)
IC1301
BA7755A
ANALOG
SWITCH
ERASE
HEAD
Q1104
(Q1204)
SWITCH
(PLAY:ON)
Q1304
SWITCH
Q1330
TPS
DRIVE
D1303
LOADING
/RST
RESTSW
STAT
BLKCLK
MLD
MDATA
MCLK
64 65 66 27 4461 4363 62
8
9
53
51
70 54
SUBQ
60
Q673
Q672
REGULATOR
Q671
POWER
SUPPLY
CONTROL
SQCK
94
93
SWITCH
DC AMP
GAIN
Q974
Q973
71
+B
+B
VR752
(BASS)
VR7523
(TREBLE)
77
+B
+B
26
Z751
REMOTE
SENSOR
32
VR751
VOLUME
76 78 74 75
CE
DI
CL
SD
DO/ST
+B
+B
10 100 20 1
+B
D805
D807
D808
MCLK
MDATA
MLD
/BLKCK
SQCK
STATUS
REST SW
CD RESET
SUBQ/
AUX_DATA IN
CD_L
CD_CL
CD_OP
CLOSE_L
OPEN_H
BP
RECH
CR02
ADIN 6
ADIN 7
DMT
PLL DI
PLL CK
SD
PLL CE
PLL DO
VREF+
CRIMER
VREF-
RM IN
JOGA
JOGB
D873
D872
6
ADIN 4
NF
PBIN
AGC
RECOUT
PBOUT
RECIN
NF
POWER
SUPPLY
CONTROL
+
+
RCH
39
SA-PM30MD

Related product manuals