EasyManua.ls Logo

Panasonic SA-PM30MD - Page 40

Panasonic SA-PM30MD
102 pages
Print Icon
To Next Page IconTo Next Page
To Next Page IconTo Next Page
To Previous Page IconTo Previous Page
To Previous Page IconTo Previous Page
Loading...
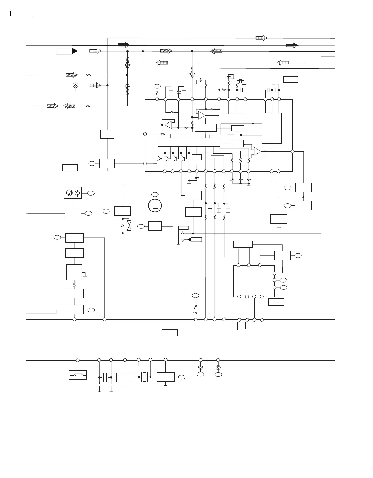
-B
IC801
MN101C12GRB1
MICROPROCESSOR
-B
CD SIGNAL
IC402
BH3857AFV-E2
SOUND PROCESSOR
IC971
ON2180RLC1
PHOTO
INTERRUPTER
IC700
M9202-01BDR3
FL DRIVER
+B
CONTROL
VOLUME
MUTING
MUTING
CONTROL
VREF
-
+
VOLUME
(BASS)
:
:
:
TONE
:
:
:
(TREBLE)
MATRIX
SURROUND 1
MATRIX
SURROUND 2
-
+
+
-
+B
24 11
+
10
9
(12)
8
(13)
7
(14)
6
(15)
5
(16)
4
(17)
3
(18)
2
(19)
1
(20)
25
29
26 27 28 30 31 32 33 34 35 36 37
39
(22)
40
(21)
38
(23)
D971
Q1320
SOLENOID
DRIVE
SOLENOID
+B
+B
+B
MOTOR
DRIVE
Q1318,Q1319
INTERFACE
+B
+B
MUTING
CONTROL
40
MUTING
MUTING
IN
OUT
Q808
MUTING
CONTROL
Q809
42
Q1308,Q1309
Q404
MUTING
CONTROL
Q402
(Q502)
MUTING
AUX (1)
JK603
RCH
Q431
(Q531)
FILTER
AMP
SWITCH
FILTER
AMP
Q621
Q451
+B
84 83 82
DECK M
81
+B
7
+B
2~4
SW751~SW767,
SW775~SW785
15 16
13 12
19
SWITCH
Q803
18
SWITCH
Q802
M
Q401
(Q501)
Q403
+
++ +
+B
Q806,Q807
Q805
+B
D651~
D654
X802
TMRLED
ADIN 5
ADIN 0~2
XI
XO
MBP2
OSC1
OSC2
MBP1
CD_H
AUX_DATA OUT
AGLATCH
AGDATA
AGCLK
VCC
A_GND
A_GND
INL(R)
NFL(R)
BUOUT L(R)
SIN L(R)
SNF L(R)
SO L(R)
BVN L(R)
BIN L(R)
BVO L(R)
PORT 1
PORT2
PORT3
D_GND
VREF
AGLATCH
AGDATA
AGCLK
BC
TC
VC
TVO L(R)
TIN L(R)
PORT4
SC
OUT L(R)
X801
FROM
CD UNIT
D751
S790
34
+B
CD_OPSW
25 24 23 21
52 53 54 55
Z701
Q701,Q702
D701,D702
SWITCH
+B
56
47
1~44,
61~64
45
49
-B
+B
FLRST
RLCS
FLCLK
FL DATA
COM16
VSS
VDD
COM4
SEG1~
SEG35
RESET
CS
CP
DA
32~44
COM1~
COM13
+
40
SA-PM30MD

Related product manuals