EasyManua.ls Logo

Panasonic SA-PMX84EG - Replacement of Traverse Unit

Panasonic SA-PMX84EG
79 pages
Print Icon
To Next Page IconTo Next Page
To Next Page IconTo Next Page
To Previous Page IconTo Previous Page
To Previous Page IconTo Previous Page
Loading...
34
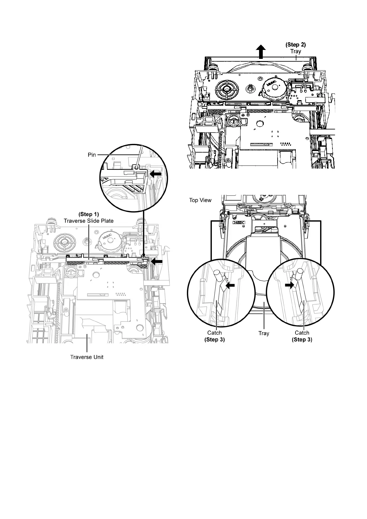
8.15. Replacement of Traverse Unit
Refer to “Disassembly of CD Mechanism Unit”
8.15.1. Disassembly of Traverse Unit
Caution : Refer to “2.4 Handling Precaution for Traverse
Unit” to prevent static damage to the Optical Pickup Unit.
Note:
1. When the optical pickup unit is defective, the overall
traverse unit needs replacement.
2. Please note that appropriate actions need to be taken to
prevent static damage.
Step 1 : Use a pin to slide Traverse Slide Plate until it come to
a stop.
Step 2 : Slide tray out fully.
Step 3 : Release catches & remove tray.

Table of Contents

Related product manuals