EasyManua.ls Logo

Panasonic SA-PMX84EG - Smps Circuit (1;2); Smps Circuit (2;2)

Panasonic SA-PMX84EG
79 pages
Print Icon
To Next Page IconTo Next Page
To Next Page IconTo Next Page
To Previous Page IconTo Previous Page
To Previous Page IconTo Previous Page
Loading...
58
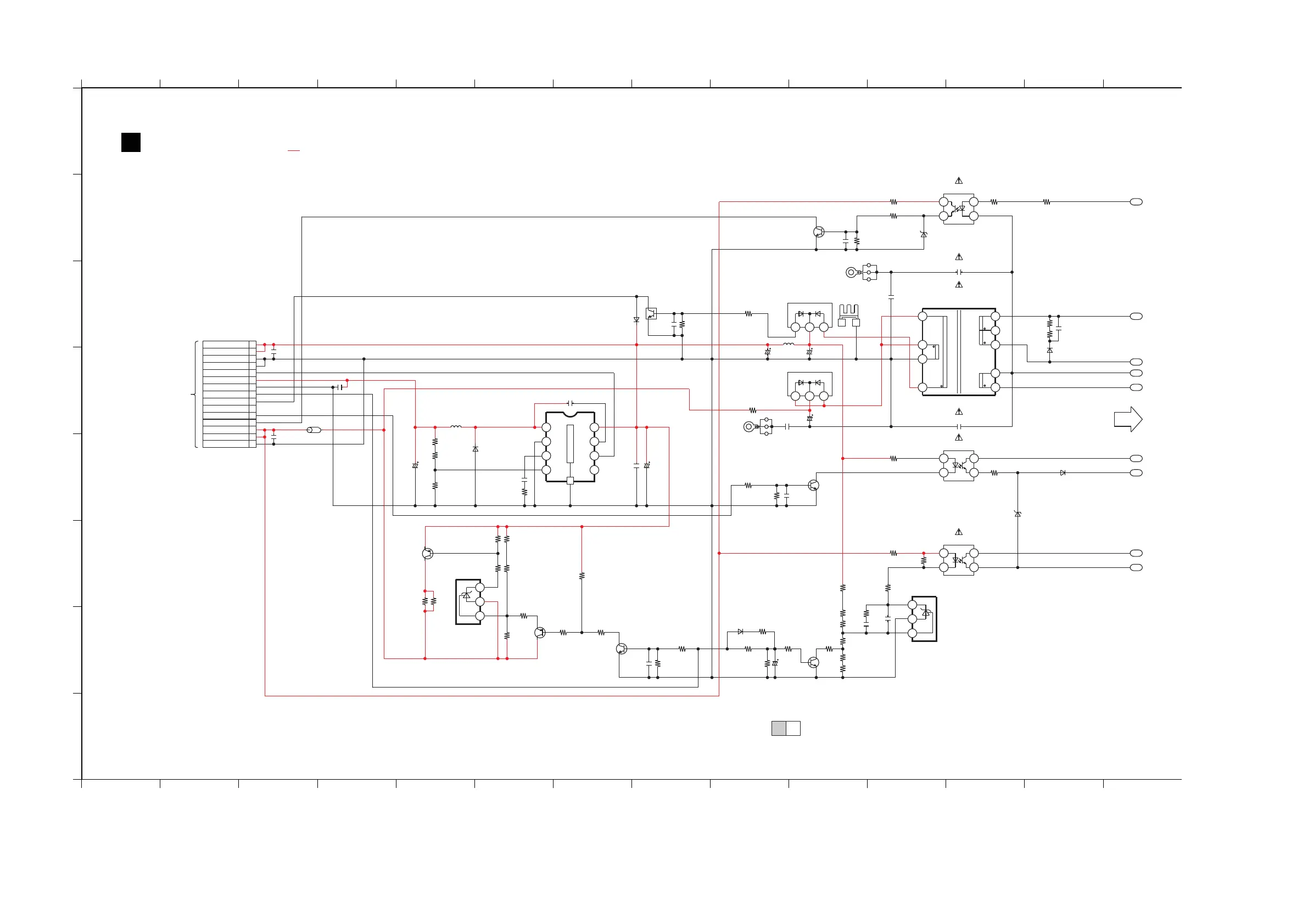
12.9. SMPS CIRCUIT (1/2)
A
1
2 3 4 5 6 7 8 9 10 11 12 13 14
1 2 3 4 5 6 7 8 9 10 11 12 13 14
C
D
B
E
G
H
F
G
SMPS CIRCUIT
SCHEMATIC DIAGRAM - 8
SA-PMX82EB/EG/GN, SA-PMX82MEB, SA-PMX84EG SMPS CIRCUIT
2/21/2
TO SMPS
SECTION (2/2)
: +B SIGNAL LINE
1
2
3
4
5
6
7
8
9
TO MAIN P.C.B.
(CN1100)
31 2
31 2
4
3
1
2
1
2
3
5
6
12
9
7
10
4
3
1
2
4
3
1
2
NOTE: * REF IS FOR INDICATION ONLY
A
R
K
6
7
T1
5
2
4
3
8
THERMAL PAD
1
C0DBAYY01282
IC2900
SHUNT REGULATOR
A
R
K
C0DAAYY00072
IC5802
SHUNT REGULATOR
C0DAAYY00072
IC5801
FB
VC
GND
EN
SYNC
BST
LXVCC
+12V VOLTAGE REGULATOR
1000P
C5700
1000P
C5706
MAIN TRANSFORMER
G4DYZ0000085
T5700
PC5721
B3PBA0000579
PC5723
B3PBA0000579
PC5724
B3PBA0000579
3
2
1
ZJ5702
3
2
1
ZJ5703
D5702
B0EAKT000063
DZ2J075M0L
D5710
DA2J10100L
D5711
B0JCPD000025
D2900
C2905
50V100
R2900
10K
6800P
C2903
C5829
0.1
C2902
0.01
C2906
35V56
R2901
100K
R2903
10K
R2902
10K
0.1
C5843
R5828
4.7K
R5827
4.7K
R5826
75K
10K
R5823
68
R5829
43K
R5824
R5822
22K
R5825
37.4K
R5803
8.2K
R5810
220
6.8K
R5801
22
R5814
10K
R5805
18K
R5804
75K
R5807
R5809
680
R5819
1K
R5808
4.7K
R5806
10K
R5812
2.4K
10
R5813
R5815
100K
220K
R5802
R5817
22K
1K
R5844
R5820
47K
47K
R5833
10K
R5832
10K
R5835
15K
R5834
68
R5830
R5816
1.5K
R5818
1.5K
G2G1
HEATSINK
ZA1702*
0.01
C5721
C5810
0.1
C5802
35V470
C5811
25V3300
C5803
35V470
1
C5801
C5800
100P
1000P
C5841
C5845
1000P
0.1
C5805
1000P
C5807
0.1
C5842
0.1
C5844
C5808
6.3V100
1000P
C5812
D5802
B0HBSM000054
D5801
B0ADRL000001
DZ2J075M0L
D5841
DA2J10100L
D5803
DA2J10100L
D5804
G0A330ZA0045
L5801
G0A330ZA0045
L2900
LB2901
J0JKB0000020
ECO CONTROL
Q5801
B1ABGC000001
B1ADMF000001
Q5804
B1ADCF000001
Q5803
Q5806
B1ABGC000001
SWITCH
SWITCH
SWITCH
SWITCH
Q5802
B1ABGC000001
SWITCH
Q5807
B1ABGC000001
B1GBCFGG0030
DC DETECT
QR5806
100K
R5702
100K
R5703
220K
R5705
220K
R5704
10K
R5732
100K
R5842
R5843
470
R5841
4.7K
0
R5836
13
11
10
12
15
14
H2015
AC_SYNC
AUX 7.5V-13.5V_2
7.5V_AUX_GND
AUX 7.5V-13.5V_1
DAMP_15.5V/27.5V
SMPS_LATCH
DAMP_GND
DAMP_GND
ECO_CTL
SMPS_ID
14.5V_GND
DC_DET_PWR
PW_14.5V/12V
FL_PCONT/FL_RESET
DAMP_15.5V/27.5V
8
9
2
3
1
5
7
6
4

Table of Contents

Related product manuals