EasyManua.ls Logo

Panasonic SA-PMX84EG - Main Supply and DSP;Damp;Headphone Circuits

Panasonic SA-PMX84EG
79 pages
Print Icon
To Next Page IconTo Next Page
To Next Page IconTo Next Page
To Previous Page IconTo Previous Page
To Previous Page IconTo Previous Page
Loading...
54
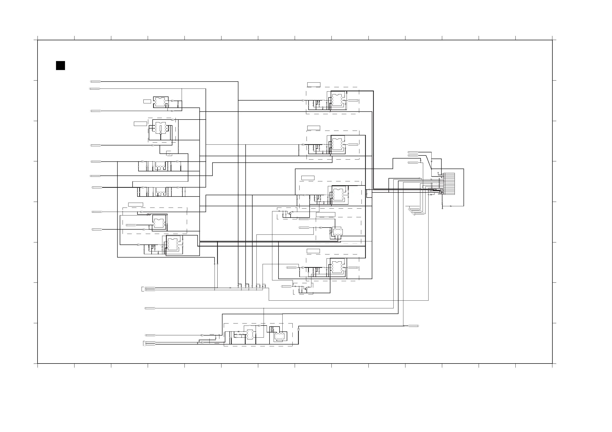
12.5. MAIN (SUPPLY) CIRCUIT
A
1
2 3 4 5 6 7 8 9 10 11 12 13 14
1 2 3 4 5 6 7 8 9 10 11 12 13 14
C
D
B
E
G
H
F
A
C
D
B
E
G
H
F
A
SA-PMX82EB/EG/GN, SA-PMX82MEB, SA-PMX84EG MAIN (SUPPLY) CIRCUIT
MAIN (SUPPLY) CIRCUIT
SCHEMATIC DIAGRAM - 4
R1130
*
*
C1135
C1137
*
50V
G1005
PW_3R3V_ALL
R1125
*
R1126
*
R1127
*
C1138
*
R1129
*
L1104
*
C1131
*
C1136
*
LB1109
*
C1130
*
C1177
F1H1H104B047
50V
LOT26_CTRL
C1170
*
50V
R1182
*
R1183
*
R1184
*
Q1000
*
R1104
D1BB1002A074
R1101
D0GBR00J0004
R1109
D0GBR00J0004
C1111
F1H1H680B052
50V
C1102
F1H1H680B052
50V
R1111
D1BB1002A074
F1K1C2260001
C1109
R1103
D1BB7502A074
R1110
D1BB3742A074
C1118
F1K1C2260001
R1113
D1BB4642A074
PW_OUT5.2V
PW_OUT5.6V
C1101
F1H1A105A113
C1110
F1H1A105A113
R1106
D1BB2551A074
C1116
F1K1C2260001
C1107
F1K1C2260001
R1120
D1BB2001A074
G1001
C1172
F1J1E475A257
25V
C1171 F1J1E475A257
25V
G1000
G1002
C1115
F1H1H104B047
F1H1H104B047
C1106
C1108
$[F1H1H391A219]
R1107
$[D0GB100JA065]
L1101
G1C100MA0226
L1103
G1C100MA0973
L1102
G1C100MA0226
R1121
$[D0GB100JA065]
R1114
$[D0GB100JA065]
C1117
$[F1H1H391A219]
C1127
F1K1C2260001
C1119
F1H1A105A113
R1117
*
C1125
F1K1C2260001
G1003
J0JHC0000118
LB1108
R1118
*
D0GB103JA065
R1123
R1124
D0GB103JA065
C1126
F1H1H391A219
50V
C1173
F1J1E475A25725V
F1H1H104B047
C1124
C1120
F1H1H470B052
50V
R1116
D0GBR00J0004
R1199
*
R1198
*
C1196
*
50V
Q1001
*
R1200
*
LB1103
J0JHC0000118
J0JHC0000046
LB1101
J0JHC0000118
LB1105
C1175
F1H1H104B047
F2G1C221A079
C1187
16V
BT_PCONT
PW_BT_5V
G1004
F1J1E105A287
C1129
25V
*
R1131
NETWORK_PCONT
*
R1180
C1132
*
C1174
25V
F1H1C105A118
C1128
16V
3
1
2
4
5
C0DBEYY00146
IC1104
12
5 6
3
4
*
IC1105
3.3V_OUT2
CK1100
CK1101
D0GB103JA065
R1153
C1161
F2A1V1020130
R1161
D0GB222JA065
CK1107
CK1106
CK1110
CK1109
$[D0GBR00J0004]
R1175
RL1100
R1160
D0GBR00J0004
C1163
F1H1H102B047
50V
CK1108
R1157
J0JYC0000656
D0GBR00J0004R1155
J0JYC0000656
R1158
R1152
D0GB222JA065
DZ2J200M0L
D1116
CK1111
J0JYC0000656
R1156
CK1104
CK1105
CK1102
CK1103
8
9
13
11
10
12
2
3
1
5
7
6
4
15
14
K1KA15AA0194
CN1100
D0GBR00J0004R1159
R1185
D0GB105JA065
R1187
D0GB474JA065
R1105
D0GFR00J0005
R1186
D0GB274JA065
F2G1E101A387
C1122
25V
C1121
F1H1H104B047
PCONT3
PCONT
12
5 6
3
4
IC1101
C0DBAYY02695
D0GBR00J0004
R1178
D0GB222JA065
R1108
D0GBR00J0004
R1179
C1112
F1H1H104B047
F2G1E101A387
C1104
25V
C1103
F1H1H104B047
12
5 6
3
4
IC1103
C0DBAYY02695
12
5 6
3
4
IC1102
C0DBAYY02695
D0GB222JA065
R1115
DC_DET_PWR
DAMP_GND
AC_SYNC
DAMP_VDD27.5V
ECO_CTL
FL_RESET
7.5V_1
7.5V_GND
SMPS_ID
3
1
2
4
5
*
IC1111
PW_14.5V
C1155
*
25V
LB1114
J0JHC0000118
GND14.5V
GND14.5V
R1192
*
R1189
*
R1190
*
C1188
*
C1191
*
*
C1192
DA2J10100L
D1114
DGND
12
5 6
3
4
IC1115
*
*
LB1125
C1194
*
R1191
*
R1194
*
R1195
*
L1106
*
C1190
*
C1189
*
PW_VIRTUAL
R1193
*
C1193
*
FL_RESET
DC_DET_PWR
SMPS_LATCH
R1196
*
C1195
*
R1144
*
C1178
F1G1C104A146
16V
*
C1152
10V
LB1110
$[J0JHC0000118]
LB1123
*
LB1119
J0JHC0000118
*
R1145
C1179
F1G1C104A146
16V
T1
654
ThermalPad
2 13
IC1109
*
J0JHC0000118
LB1113
C1186
F1H1H104B047
50V
C1154
F1H1A105A113
10V
C1153
F1H1A105A113
10V
1
4
2
3
C0DBGYY00977
IC1110
F1H1A105A113
C1144
10V
*
R1197
F1H1A105A113
C1143
10V
21 3
C0DBGYY03909
IC1107
21 3
C0DBGYY03909
IC1108
F1H1H104B047
C1185
50V
C1139
*
10V
C1182
F1G1C104A146
16V
C1181
F1G1C104A146
16V
J0JHC0000118
LB1120
$[F1K1H105A138]
C1145
$[F1K1H105A138]
C1146
F1H1H104B047
C1183
50V
F1G1C104A146
C1180
16V
J0JHC0000118
LB1122
LB1121
J0JHC0000118
C1184
F1H1H104B047
50V
PW_5R6V
PW_3R3V_DSP
A5V
PW_USB5R2V
MOTOR_GND
PW_D3R3V
PW_D3R3V_SOC
C1142
F1J1A106A043
10V
LB1124
J0JHC0000118
*
R1177
C1169
*
10V
C1147
F1H1H104B047
50V
C1141
F1J1A106A043
10V
C1148
F1H1H104B047
50V
F1H1H104B047
C1149
50V
F1H1H104B047
C1150
50V
PW_STBY1R55V
PW_STBY3R3V
LB1112
*
*
C1140
10V
1
4
2
3
IC1106
C0DBGYY06507
DGND
*
R1134
*
R1133
PW_STBYDCDC1R6V
J0JHC0000118
LB1115
PW_D3R3V
D1107
*
PW_3R3V_ALL
R1146
*
R1147
*
*
25V
C1156
D1109
DZ2J075M0L
D1115
*
D1111
DA2J10100L
DA2J10100L
D1113
PW_USB5R2V
R1132
D0GB222JA065
*
LB1118
*
L1105
D1106
DA2J10100L
D1108
DZ2J062M0L
PW_BT_5V
D1110
*
PW_5R6V
D1112
DZ2J075M0L
D1105
DA2J10100L
STANDBY_OUT3.3V
DZ2J047M0L
D1118
R1167
*
*
C1158
50V
C1176
F1H1H104B047
50V
LB1117
J0JHC0000118
PW_VH
VHGND
R1148
*
C1160
*
C1159
*
LB1116
J0JHC0000118
C1157
*
R1150
*
R1149
*
3
1
2
4
5
*
IC1112
Note: Near FB
LOT 26 CIRCUIT (For PMX150)
0.5%
0.5%
ALLPlay DC+3.3V
3A/28Vinmax
EN
FB
SW
GND BOOT
VIN
Vref=0.6V
ADJ
2.5V
Gnd
Vin
TO Bluetooth
CE
Vout
TO I/O EXPANDER (p1)
Vref=2.5V
To SOC p74
LOT 26 CIRCUIT (For PMX150)
CE
Vout
FL_12.5V
ADJ
VinGnd
Note: Near FB
TO SOC(p93)
TO SOC/IR/NFC/I-O EX
TO FL
TO FL
TO SOC (p77/p107)
TO SOC
FB
SW
GND
DELETE FOR PMX80
SHDN
VIN
Place R1150 - R1152 close to IC1110 pin 3
route after C1153 and C1154
TO D-AMP
PMX80 ONLY
FL_32V (PMX150 ONLY)
Micro-P Protection
VIN
0.5%0.5%
SW
GND
VOUT
GND
FB
Vref=0.6V
EN
BOOT
CE VDD
TO SOC(p111)
SW EN
BOOTGND
0.5%0.5%
VIN
Vref=0.6V
FB
DC+5.2V
3A/28Vinmax
0.5%0.5%
FB
SW
GND
VIN
Vref=0.6V
H: On L;Off
BOOT
TO SOC(p110)
EN
DC+5.6V
3A/28Vinmax
TO SOC(p105)
TO DAMP
SW EN
BOOTGND
VIN
Vref=0.6V
FB
0.5%0.5%
TO SOC(p112,p77,p41)
GND
GND
TO DSP_DVDD,SEL 1&4,SOC (pull-up),FL,HP
STBY1.60V
IN
EN
CE
A5V
TO ADC SUPPLY
TO CD Motor/FL5.6V(For PMX80)
TO USB and CD OPU/FL5.2V(For PMX150)
GND
TO DSP_AVDD
TO TUNER,LASER DIODE,ADC,SEL 3,ASRC,ALL SEL
LDO+3.3V
1A
Cater for DSP D3.3V
Put Near IC4100
FOR PMX150 ONLY
GND
Vout Vin
Supplier: UTC
NC
PG
OUT
VDD
VOUT
0.5%
Vin
Standby DC+3.3V
3A/28Vinmax
DELETE FOR PMX150
Vout
Supplier: UTC
SMPS_ID
ECO_CTL
SMPS_LATCH
DAMP_GND
DAMP_GND
AC_SYNC
7.5V_AUX_GND
TO SMPS
DC_DET_PWR
14.5V_GND
PW_14.5V/12V
DAMP_15.5V/27.5V
AUX_7.5V-13.5V_2
FL_PCONT/FL_RESET
CHASSIS SCREW POINT
AUX_7.5V-13.5V_1
DAMP_15.5V/27.5V

Table of Contents

Related product manuals