EasyManua.ls Logo

Panasonic SA-PT460 - Page 113

Panasonic SA-PT460
154 pages
Print Icon
To Next Page IconTo Next Page
To Next Page IconTo Next Page
To Previous Page IconTo Previous Page
To Previous Page IconTo Previous Page
Loading...
1
4
2
3
7
1/2 2/2
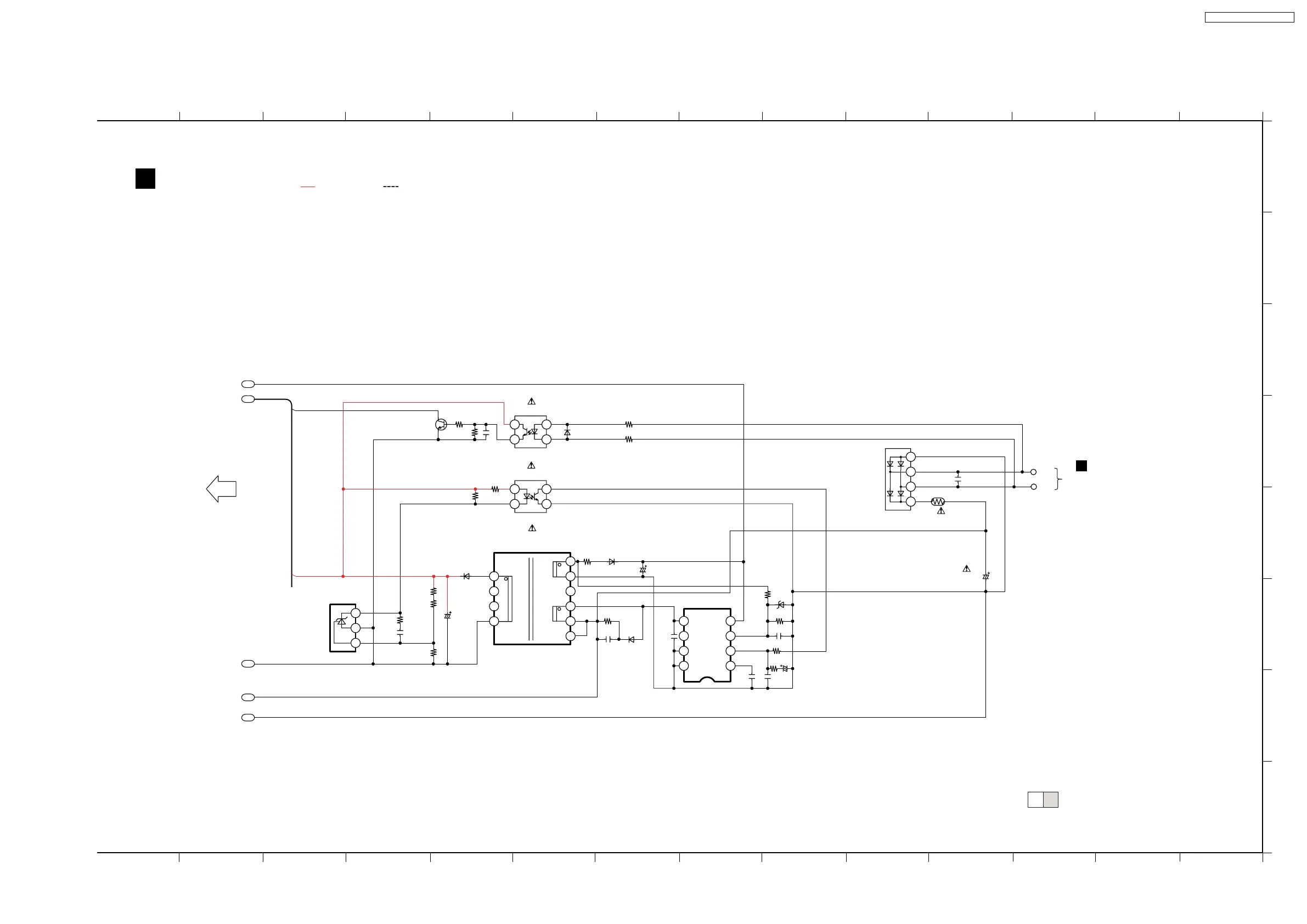
SA-PT460EB/EG SMPS CIRCUIT
TO SMPS
SECTION (1/2)
H
SCHEMATIC DIAGRAM - 17
SMPS CIRCUIT
: +B SIGNAL LINE : -B SIGNAL LINE
15 16 17 18 19 20 21 22 23 24 25 26 27 28
15 16 17 18 19 20 21 22 23 24 25 26 27 28
A
B
D
E
F
H
G
C
BLK
RED
SYS6V
F2B2G1810011
400V180
C5712
6
7
5
2
4
3
81
IC5799
MIP4110MSSCF
1000V47P
C5797
R5795
43K
D5797
MA2J72800L
22P
C5794
R5787
75K
2.2K
R5796
50V2.2
C5791
0.1
C5796
2200P
C5795
R5797
4.7K
C5703
0.1
3
2
1
4
B0FBAR000041
D5701
39K
R5893
SYNC
C5899
16V220
D5730
MA2J11100L
D5798
B0HAMP000094
390K
R5704
390K
R5705
R5798
10
C5798
50V56
4
3
1
2
PC5702
B3PBA0000402
4
3
1
2
B3PBA0000402
PC5799
100
R5897
Q5898
IC5899
C0DAEMZ00001
B1ABCF000176
R5896
100K
C5897
0.1
2.2K
R5890
1K
R5894
B0EAMM000057
D5896
B0HAMP000094
D5793
C5790
2200P
R5891
33K
200K
R5786
9
10
7
8
1
6
ETS19AB256AG
BACKUP TRANSFORMER
SWITCHING REGULATOR
T5751
4.7K
R5892
100
R5895
0.1
C5898
A
R
3
2
C
1
INVERTER
SYNC SWITCH
FEED BACK
FB
S
S
D
NC
VDD
CL
VCC
5
4
2
3
I
TO
AC INLET CIRCUIT
IN SCHEMATIC
DIAGRAM - 18
SHUNT REGULATOR
TH5701
D4CAC8R00002
SA-PT460EB / SA-PT460EG
113

Table of Contents

Related product manuals