EasyManua.ls Logo

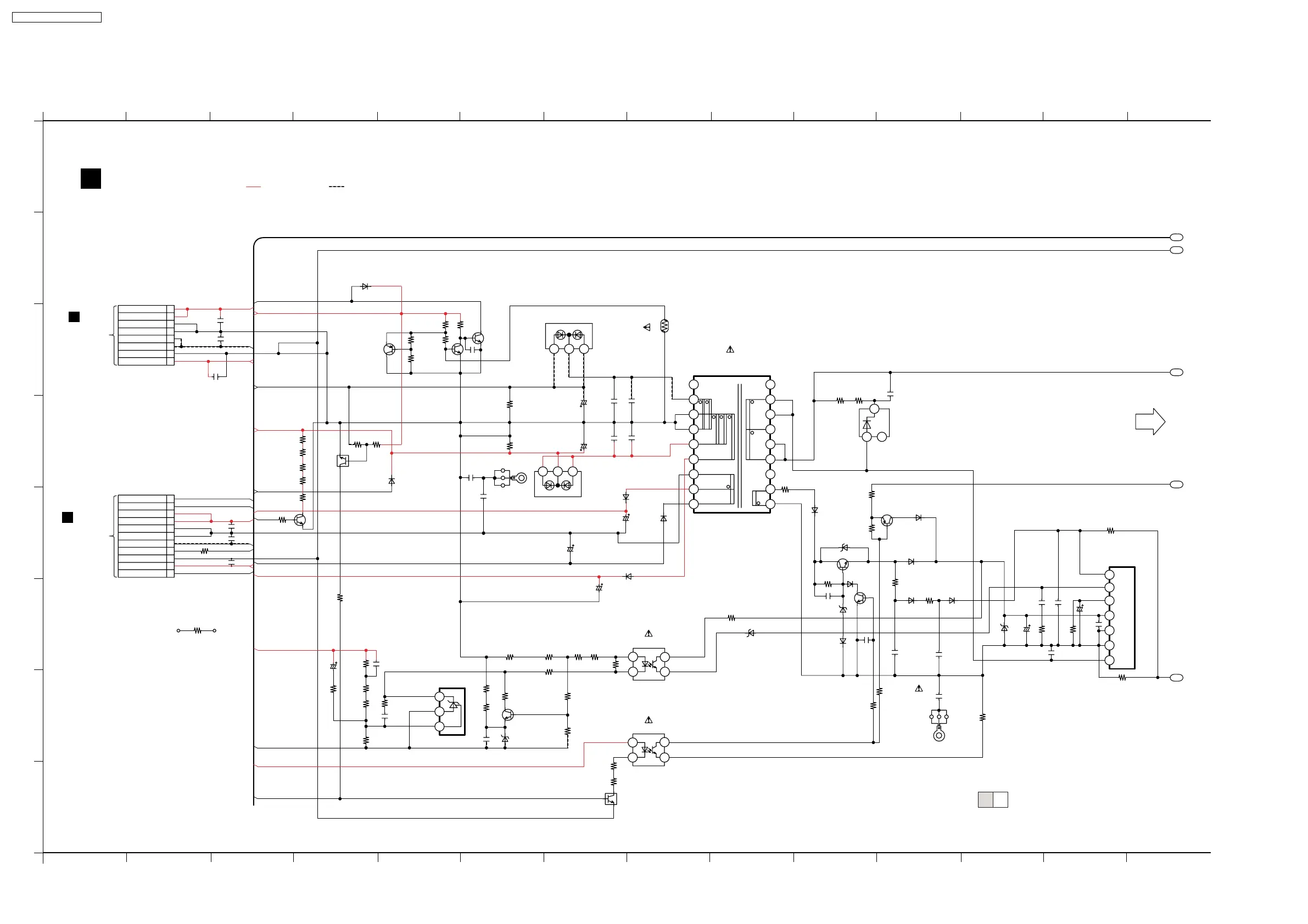
Panasonic SA-PT460 - 19.7. SMPS Circuit Schematic; SMPS Circuit Schematic Diagram

Panasonic SA-PT460
154 pages
Print Icon
To Next Page IconTo Next Page
To Next Page IconTo Next Page
To Previous Page IconTo Previous Page
To Previous Page IconTo Previous Page
Loading...
19.7. SMPS Circuit
1
2
3
4
SA-PT460EB/EG SMPS CIRCUIT
1/2 2/2
F
TO
D-AMP CIRCUIT
(CN5500)
IN SCHEMATIC
DIAGRAM - 13
G
TO
POWER SUPPLY
CIRCUIT (CN2004*)
IN SCHEMATIC
DIAGRAM - 14
TO SMPS
SECTION (2/2)
7
H
SCHEMATIC DIAGRAM - 16
SMPS CIRCUIT
: +B SIGNAL LINE : -B SIGNAL LINE
A
B
C
D
E
F
G
H
1234567891011121314
1234567891011121314
W5805 0
2
3
1
IC5701
C5HACYY00003
SWITCHING REGULATOR
0
R5725
312
B0HBSM000043
D5801
R5834
2.2K
3
2
1
ZJ5801
2.2K
R5832
+30V_SENSE
FAN_18V
10K
R5863
DCDET
10K3K
R5862
FAN_18V
C5823
0.1
-30V_SENSE
10K
R5864
DCDET
UNR221400L
QR5801
-30V_SENSE
R5801
10K
D5807
D5809
+30V_SENSE
R5800
12K
R5860
10K
0.1
C5831
0.1
C5832
5
6
1
3
4
2
8
7
H5801*
2SA207700L
Q5860
C5800
0.01
C5826
0.01
Q5862
R5861
Q5861 - Q5862
Q5861
B1ABCF000176
100K
R5703
100K
R5702
35V2200
C5805
B0HFRJ000012
D5803
35V2200
C5808
22
R5720
D5731
B0EAMM000057
3
21
D5702
B0ZAZ0000052
C5713
0.01
32 1
ZJ5803
C5700
F1BAF1020020
1000P
ETS42BN1A6AD
MAIN TRANSFORMER
C5821 0.01
C5819 0.01
C5822 0.01
C5820 0.01
25V470
C5824
SYNC
K2 0
SYS6V
2.2K
R5805
15K
R5806
AR
3
2
C
1
C0DABFC00002
SHUNT REGULATOR
FEED BACK CONTROL
FEED BACK
INVERTER
CURRENT
LIMITING SWITCH
CURRENT
LIMITING SWITCH
FEED BACK
IC5801
0.1
C5818
-13V
DCDET
0.1
C5815
C5812
0.1
DC_18V
0
R5803
47K
R5804
0.1
C5810
2.7K
R5802
C5896
0.1
6
8
9
7
2
1
4
5
3
10
11
CN5802
PCONT
B1GBCFLL0037
QR5810
330
R5809
330
R5807
1K
R5730
B0BC6R100010
D5725
2.2K
R5808
4
3
1
2
B3PBA0000402
PC5720
R5817
330
R5810
330
4
3
1
2
B3PBA0000402
PC5701
1.5K
R5811
0.1
C5825
1.5K
R5816
8.2K
R5812
MAZ80750ML
D5806
SYS6V
-30V_SENSE
+30V_SENSE
2.7K
R5815
24K
R5813
Q5802
B1ABCF000176
120
R5724
DC_18V
312
B0HBSM000043
D5802
-13V
FAN_18V
25V470
C5816
B0EAMM000057
D5805
D5804
B0EAMM000057
11
13
14
12
10
8
6
5
7
9
18
15
16
17
1
4
3
2
T5701
C5813
35V470
R5722
1K
C5722
1000P
220P
C5721
R5729
10K
C5728
1000P
R5728
100K
D5724
D5727
MA2J11100L
MA2J11100L
R5732
100
R5726 0.82
B1ABCF000176
Q5722
10K
R5721
D5722
B0BC019A0007
MA2J11100L
D5723
C5720
0.1
B0EAMM000057
D5729
MAZ81800ML
D5721
D5726
B0EAKM000117
SWITCHING
1K
R5723
2SA207700L
Q5721
MA2J11100L
D5728
2SC3940ARA
Q5720
Q5720
Q5722
D
C5737
470P
C5726
0.1
C5730
50V1
C5724
D5732
B0BC035A0007
50V56
R5733
47K
R5731
0
C5725
0.1
C5723
470P
S
GND
FB
VCC
OLP/SS
OCP/BD
+30V_SENSE
PCONT
DC18V
AM_BP
-13V
DCDET
DC18V
+18V.-12V_GND
+18V.-12V_GND
GND
GND
-30V_SENSE
FAN_GND
FAN_18V
-30V_SENSE
SYS6V
SYNC
SYS_GND
+30V_SENSE
4
5
7
6
R5750
0
TRANSFORMER TEMP DETECT
TRANSFORMER
TEMP DETECT
DC DETECT
C5869
0.1
TH5860
D4CC11040013
PCONT
8.2K
R5814
100V0.22
C5817
VIN
VCC
DRAIN
+30V
-30V
+FAN 18V
GND
+18V
AMPGND
-12V
AM_BP
Q5803
2SC3940ARA
SWITCHING
AM_BP
R5825
1K
91
R5820
91
R5824
91
R5822
91
R5821
91
R5823
MA2J11100L
MA2J11100L
W5801 0
W5806 0
W5804 0 W5803 0
SA-PT460EB / SA-PT460EG
112

Table of Contents

Related product manuals