EasyManua.ls Logo

Panasonic SA-PT460 - Replacement and Assembly of Regulator Diode; 9.23. Replacement of Switch Regulator Diode (D5702); 9.23.1. Assembly of Switch Regulator Diode (D5702)

Panasonic SA-PT460
154 pages
Print Icon
To Next Page IconTo Next Page
To Next Page IconTo Next Page
To Previous Page IconTo Previous Page
To Previous Page IconTo Previous Page
Loading...
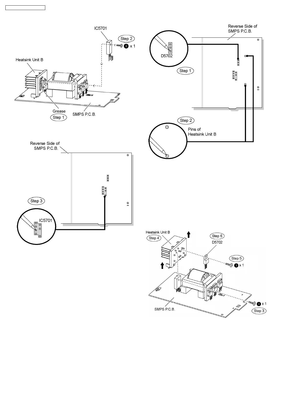
Step 3 Solder pins of the switch regulator IC (IC5701) on the
reverse side of SMPS P.C.B.
Special Note: Ensure pins of the switch regulator IC (IC5701)
are properly seated and soldered on SMPS P.C.B.
9.23. Replacement of Switch
Regulator Diode (D5702)
Follow (Step 1) to (Step 3) of Item 9.3.
Follow (Step 1) to (Step 7) of Item 9.15.
Follow (Step 1) to (Step 6) of Item 9.21.
Step 1 Desolder pins of the switch regulator diode (D5702) on
the reverse side of SMPS P.C.B.
Step 2 Desolder pins of the heatsink unit B.
Step 3 Remove 1 screw from the switch regulator IC (IC5701).
Step 4 Remove the heatsink unit B in the direction of arrows.
Step 5 Remove 1 screw from the switch regulator diode.
(D5702).
Step 6 Remove the switch regulator diode (D5702) from the
heatsink unit B.
Caution: Handle the heatsink unit B with caution due to its
high temperature after prolonged use. Touching it may
lead to injuries.
Note : Refer to the diagrams of SMPS P.C.B. (Item 20.5) for
location of the part.
9.23.1. Assembly of Switch Regulator
Diode (D5702)
Step 1 Apply grease to the heatsink unit B.
Step 2 Fix and screw the switch regulator diode (D5702) to the
56
SA-PT460EB / SA-PT460EG

Table of Contents

Related product manuals