EasyManua.ls Logo

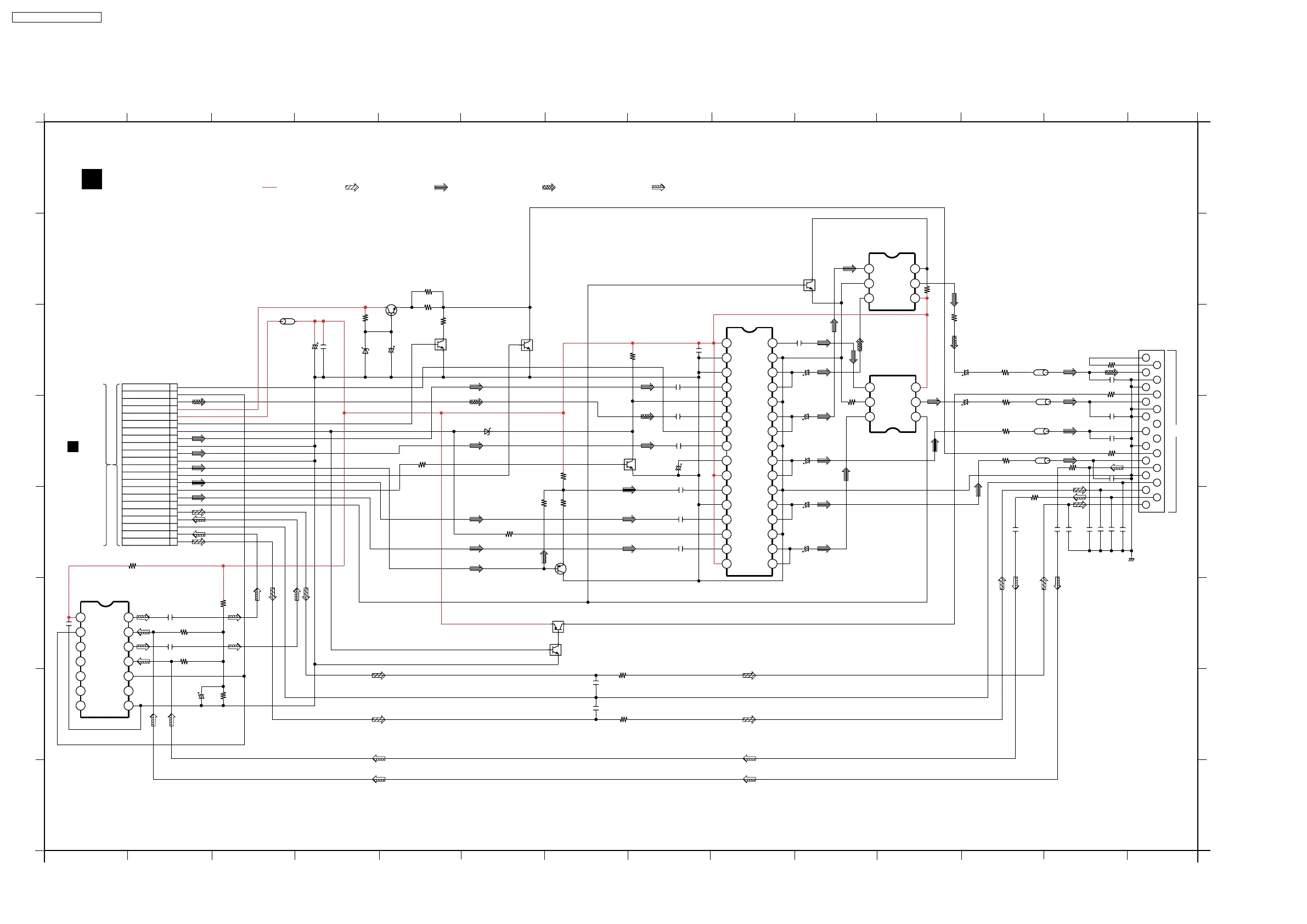
Panasonic SA-PT460 - 19.10. Scart Circuit Schematic; Scart Circuit Schematic Diagram

Panasonic SA-PT460
154 pages
Print Icon
To Next Page IconTo Next Page
To Next Page IconTo Next Page
To Previous Page IconTo Previous Page
To Previous Page IconTo Previous Page
Loading...
19.10. Scart Circuit
L
SCART CIRCUIT
SCHEMATIC DIAGRAM - 20
SA-PT460EB/EG SCART CIRCUIT
B
TO
MAIN CIRCUIT
(CN2801)
IN SCHEMATIC
DIAGRAM - 7
: MAIN SIGNAL LINE: +B SIGNAL LINE : DVD VIDEO SIGNAL LINE : IPOD VIDEO SIGNAL LINE
: TV AUDIO SIGNAL LINE
A
B
C
D
E
F
G
H
1234567891011121314
1234567891011121314
A
B
D
E
F
H
G
C
8
10
2
4
6
20
16
12
14
18
19
15
11
7
1
3
5
9
13
17
21
JK4001
AV
R4013
C4030
UNR221200L
UNR221200L
2SB0709AHL
UNR211H00L
UNR221200L
Q4009
R4020
1
25
6
34
C1AB00001731
IC4103
R4017
R4018
C4026
L4002
R4021
REGULATOR
SWITCH
MUTING
B0BC01200019
D4002
C4018
C4002
R4004
L4001
J0JBC0000015
C4004
VIDEO BUFFER
VIDEO BUFFER
C1AB00001731
IC4102
VIDEO BUFFER
INVERTER
Q4008
Q4005
C4012
C4011
C4001
2SD0601AHL
UNR221200L
UNR221200L
Q4003
R4002
C4035
R4203
R4103
C4200
C4100
R4023
R4022
5
6
4
1
2
3
9
11
13
14
12
10
78
IC4104
C4101
QUADRUPPLE ANALOG SWITCH
C0JBZS000003
R4105
C4034
Q4004
Q4002
LIN
LOUT
ROUT
RIN
R4003
Q4001
B0JCAE000001
D4010
R4011
0
K4001
6
5
8
9
11
12
10
18
15
17
16
20
19
13
14
7
2
1
1
4
3
22
22
21
CN4001
R4012
Q4007
C4025
C4017
C4015
C4008
R4204
C4016
C4003
RCH_OUT
R4104
R4015
C4007
C4014
R4014
C4022
L4005
L4004
RGB_S
C4019
C4029
C4020
LCH_OUT
C4028
R4019
C4027
C4031
R4016
L4003
1
25
6
34
C4005
IPOD_SEL_S
26
25
27
28
17
18
20
22
24
23
21
19
8
7
5
6
16
15
10
9
13
14
11
12
3
1
2
30
32
31
429
IC4101
C9ZB00000461
BLANKING_IO
AMP
BUFFER
MUTING CONTROL
BUFFER
YC_S
YC_S
16V470
75
100P
75
MUTE1
AV_MUTE
IPOD_CVBS
IPOD SEL
GND2
VCCIN2
YOUT
WIDE
6.3V1000
SCARTUNREG+18V
DVD_A+5V
CVIN
SWIN1
OUTGND
VCCIN2
1K
0.01
0.1
16V220
4.7K
16V220
75
SDCOUTS1
0.01
1K
COUTVCC1
GND OUT
IN1 SW
2.2K
R4001
2.2K
VOUT
6.3V1000
VSAG
S2
0.01
C4006
0.1
C4021
0.1
CIN
100P
16V470
75
CYSAG
GND2
B
VMUTE2
SEL
VMUTE
1K
CYIN
10V33
100P
10K
VEE
16V220
CONT.B
IN/OUT
OUT/IN
IN/OUT
OUT/IN
CONT.C
1
C4201
1
1K
10K
R4205
10K
1K
IN/OUT
IN/OUT
OUT/IN
VDD
CONT.A
0.1
CONT.D
OUT/IN
CBSAG
6.3V470
CBOUT
GND2
CRSAG
6.3V470
CROUT
GND
YC_H
RIN
ROUT
1
C4009 1
C4010 1
R
CBIN
VCC2
220
220
100P
100P
CRIN
LIN
AGND
LOUT
MUTE2
CHASSIS
470P
10K
470P
C4103 1
C4203 1
470P
470P
470P
75
100P
75
100
RGB
SEL YSAG
BIAS
Y
VGND
G
4.7K
YIN
VGND
C
1K
6.3V1000
CYOUT
GND2
J0JBC0000015
J0JBC0000015
J0JBC0000015
J0JBC0000015
W4001 0
W4002 0
W4203 0
W4204
0
W4209
0
SA-PT460EB / SA-PT460EG
116

Table of Contents

Related product manuals