EasyManua.ls Logo

Panasonic SA-PT660P - Page 116

Panasonic SA-PT660P
158 pages
Print Icon
To Next Page IconTo Next Page
To Next Page IconTo Next Page
To Previous Page IconTo Previous Page
To Previous Page IconTo Previous Page
Loading...
1
2
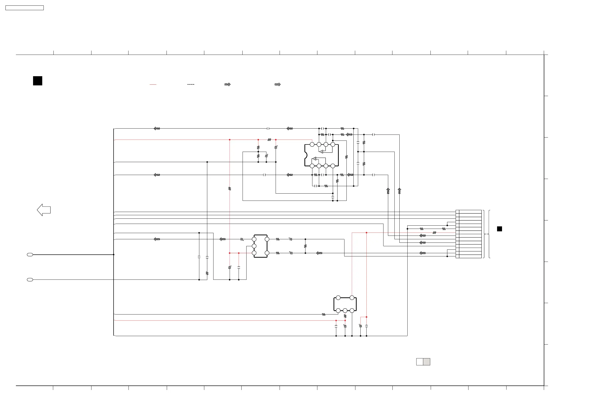
POWER SUPPLY CIRCUIT
SCHEMATIC DIAGRAM - 14
1/2 2/2
SA-PT660P/PC POWER SUPPLY CIRCUIT
TO POWER
SUPPLY SECTION (1/2)
I
TO
IPOD CRADLE
CIRCUIT (CN1002)
IN SCHEMATIC
DIAGRAM - 17
: IPOD VIDEO SIGNAL LINE: IPOD AUDIO SIGNAL LINE
: +B SIGNAL LINE : -B SIGNAL LINE
F
15 16 17 18 19 20 21 22 23 24 25 26 27 28
15 16 17 18 19 20 21 22 23 24 25 26 27 28
A
B
D
E
F
H
G
C
R6102
10K
10K
10K
R6101
R6601
1K
C6601
10V33
C6103
680P
10
C6402
C6104 1
R6104
R6103
C6102
47P
10K
10K
R6203
47P
C6202
C6204 1
R6204
10K
680P
C6203
R6400
1K
C6400
16V47
675
243
8
1
IC6101
C0ABBB000230
10
C6100
R6100 47K 47K
10K
10K
R6105
C6101 10
10
10
C6200
R6200
C6201
R6201
R6602 1K
R6300
75
25V4.7
C6301
10
R6301
25V4.7
C6302
10
R6302
ISOLATION AMP
+5V REGULATOR
C6406
0.1
0.1
C6403
6.3V47
C6404
10V33
C6405
R6403 330K
8
9
11
12
10
2
5
6
3
4
1
1
7
14
14
13
CN6003
R6404 220K
312
45
IC6602
C0CBCDG00003
5.3V
10V47
C6300
50V10
C6304
C6407
C6408
0.1
0.1
3
1
2
4
5
IC6601
C0ABAA000114
C6303
0.1
+B
GND
GNDVCC VOUT
CTL GNDVCC
VIN
IPOD DETECT
IPOD_DET
DOCK_R OUT
DPORT_AGND
VGND
VGND
VIDEO
DOCK5V
ACC_PWR
DOCK5V_GND
DOCK5V_GND
DOCK5V_GND
DO_UART_IN/RX
DOCK_L OUT
DO_UART_OUT/TX
ACC_PWR
DO_UART_IN/RX
DO_UART_OUT/TX
IPOD ACC
NC VOUT
IPOD DIFFERENTIAL AMP
VGND
VGND
IPOD_VIDEO OUT
DOCK5VSW
+7V
DOCK_L_OUT
DPORT_AGND
DOCK_R_OUT
W6405 0
W6404
0
W6401 0
W6407 0
W6225
0
SA-PT660P / SA-PT660PC
116

Table of Contents